Найти в Дзене

Подключение датчиков температуры LM35 (TMP35, TMP36, TMP37) к WiFi-контроллеру SC120

Датчик температуры LM35 В отличие от датчика DS18B20, микросхема LM35 является аналоговым температурным сенсором. Датчик температуры LM35 используется в устройствах, так или иначе связанных с контролем температуры. Пример использования датчика температуры дома, это термостат, который постоянно следит за температурой воздуха, и регулирует подачу энергии в систему отопления. Еще один пример — котел для нагрева воды. Сенсор LM35 это прецизионный интегральный датчик температуры с широким диапазоном температур, высокой точностью измерения, калиброванным выходом по напряжению. Применение датчика LM35 намного предпочтительнее, чем использование термистора, из-за точности измерения. Именно эти качества определили популярность датчика. Характеристики Схема подключения К WiFi-контроллеру SC120 можно подключить до 5-ти аналоговых сенсора температуры. В схеме используется два датчика LM35DZ в корпусе TO-92 (DA1, DA2). WiFi-контроллер SC120 и датчики установлены на макетной плате для проекти
Оглавление

Датчик температуры LM35

В отличие от датчика DS18B20, микросхема LM35 является аналоговым температурным сенсором. Датчик температуры LM35 используется в устройствах, так или иначе связанных с контролем температуры. Пример использования датчика температуры дома, это термостат, который постоянно следит за температурой воздуха, и регулирует подачу энергии в систему отопления. Еще один пример — котел для нагрева воды.

Сенсор LM35 это прецизионный интегральный датчик температуры с широким диапазоном температур, высокой точностью измерения, калиброванным выходом по напряжению. Применение датчика LM35 намного предпочтительнее, чем использование термистора, из-за точности измерения. Именно эти качества определили популярность датчика.

Характеристики

  • Питание: 4...30 В;
  • Температурный диапазон: от -55 до +150˚С;
  • Погрешность измерения: ±0,25˚С;
  • Разрешение измерения составляет 0,01°С;
  • Точность: 0.5°C (при 25°C);
  • Максимальный потребляемый ток: 60 мкА;
  • Выходное сопротивление: 0.1Ом, при токе нагрузки 1мА.

Схема подключения

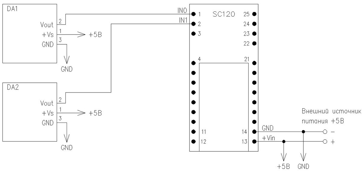
К WiFi-контроллеру SC120 можно подключить до 5-ти аналоговых сенсора температуры.

В схеме используется два датчика LM35DZ в корпусе TO-92 (DA1, DA2).

Схема подключения датчиков температуры LM35DZ к WiFi-модулю SC120
Схема подключения датчиков температуры LM35DZ к WiFi-модулю SC120

WiFi-контроллер SC120 и датчики установлены на макетной плате для проектирования (Breadboard), позволяющей собирать проекты без пайки.

-2

Работа через приложение "Smacont RC03"

Отображение значения температуры в приложении
Отображение значения температуры в приложении

Разница значения температуры DA1 и DA2, как видно из рисунка выше, составляет 0,08°С. Время от времени, значения совпадали между собой.