Добавить в корзинуПозвонить
Найти в Дзене
"МАГИЯ РЕТРО ТЕХНИКИ"

Москвич-412, варианты исполнений, 1967-1997 г.в.

В начале 1967 года с конвейера МЗМА (Московский Завод Малолитражных Автомобилей) сошли первые автомобили Москвич-412.
Экспортный Москвич-412Э с четырехфарной системой освещения. 1967-1969 г.в. МЗМА/АЗЛК.
Ранний Москвич-412/412Э имел вертикальные задние фонари, с красными указателями поворотов.
Москвич-412/412Э с двухфарной системой также выпускался, в том числе на экспорт.

В начале 1967 года с конвейера МЗМА (Московский Завод Малолитражных Автомобилей) сошли первые автомобили Москвич-412.

Экспортный Москвич-412Э с четырехфарной системой освещения. 1967-1969 г.в. МЗМА/АЗЛК.
Экспортный Москвич-412Э с четырехфарной системой освещения. 1967-1969 г.в. МЗМА/АЗЛК.
Ранний Москвич-412/412Э имел вертикальные задние фонари, с красными указателями поворотов.
Ранний Москвич-412/412Э имел вертикальные задние фонари, с красными указателями поворотов.
Москвич-412/412Э с двухфарной системой также выпускался, в том числе на экспорт.
Москвич-412/412Э с двухфарной системой также выпускался, в том числе на экспорт.

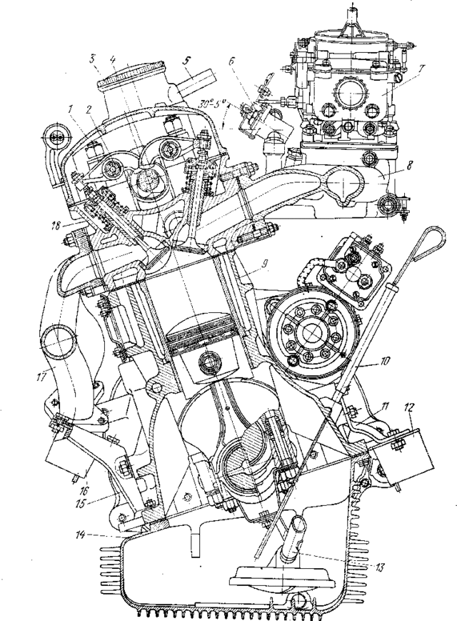
412-й силовой агрегат (двигатель/КПП).
412-й силовой агрегат (двигатель/КПП).
Воздушный фильтр ранних двигателей Москвич-412, был масляный.
Воздушный фильтр ранних двигателей Москвич-412, был масляный.

Главным отличием от Москвич-408, сошедшего с конвейера в 1964 году, был высокооборотистый двигатель с литым блоком цилиндров, съемными гильзами поршней, с цепным приводом РВ, расположенного в ГБЦ. Для середины 60-х годов двигатель 412 был очень прогрессивным: четырехцилиндровый, восьмиклапанный, рабочий объем: 1480 см. куб., мощностью 75 л.с. при 5500 об/мин., крутящий момент 106 Нм при 3200 об/мин., ход поршня 70 мм, диаметр цилиндра 82 мм, степень сжатия: 9,5, рассчитан на высокооктановое топливо с октановым числом 91-95, по исследовательскому методу, имел резерв для форсирования.

412-й двигатель в разрезе, конструкция для середины 60-х очень прогрессивная.
412-й двигатель в разрезе, конструкция для середины 60-х очень прогрессивная.

Отмету все байки «западопоклонников» о том, что 412-й двигатель был скопирован с двигателя BMW M10, два двигателя имеют внешнее сходство и не более того. Имея серьезные успехи в мировом раллийном автоспорте Москвич-412 оставлял позади себя BMW, при малейшей возможности BMW привлек бы, Автоэкспорт, в судебном порядке, за плагиат двигателя, или части его конструкции. Таковы законы автобизнеса. В 1964 году были завершены государственные испытания 412-го двигателя, спроектированного советскими конструкторами, под руководством Игоря Ивановича Окунева, заказчиком являлось Главное военно-инженерное управление МО СССР (ГВИУ), держателем титульной документации являлся МЗМА (с 1968 года АЗЛК). Производство было передано на высокотехнологичный Уфимский моторостроительный завод (в дальнейшем Уфимский завод автомобильных моторов (УЗАМ)), входившим в производственное объединение, специализировавшееся на выпуске авиационных двигателей с 1925 года. Назначение 412-го двигателя, агрегатное, военного применения, 412-й был установлен впервые на военной инженерной электростанции ЭСБ-8ИЭМ, предназначенной для эксплуатации в странах с жарким климатом. На военных инженерных электростанциях, в разное время, ставили двигатели МЗМА: 401/402/407/408, в агрегатной комплектации, эти двигатели имели действительно немецкие довоенные корни, только не BMW, а Opel. Так как в 50-60-е МЗМА вел разработку малолитражного армейского внедорожника 415/416 по заказу Главного автобронетанкового управления МО (ГАБТУ), было принято решение МО, присвоить перспективному двигателю модели 412, статус двойного применения, с возможным использованием в народном хозяйстве. Это позволило МЗМА поставить 412-й двигатель в кузов 408, изменив брызговики и переднюю панель, для установки радиатора с большей теплоотдачей. Была модернизирована и усилена КПП, 1-я передача получила синхронизатор, диаметр синхронизаторов был увеличен, передаточные числа были сближены, управление переключением передач, на ранних Москвич-412 было на рулевой колонке. К концу 1967 года кузов был унифицирован для установки 408-го и 412-го двигателей. Москвич-412 получился замечательным автомобилем, с высокой удельной мощностью, и быстро занял свою нишу на западном рынке. А вот на внутреннем рынке до 70-х годов, Москвич-412 продавался в ограниченных количествах, основной причиной был недостаток высооктанового топлива, а двигатель 412 был склонен к детонации. Поэтому на внутреннем рынке с 1967 года по 1969 год, продавали Москвич-408, с устаревшим двигателем 1,3 л, мощностью 50 л.с., рассчитанным на низкооктановое топливо, а Москвич-412 в основном поставлялся на экспорт, был в СССР редкостью, преимущественно поставлялся в МВД и КГБ в ограниченных количествах. Экспортным Москвичам присваивался индес «Э», они соответствовали европейским нормам безопасности, имели возможность установки ремней безопасности, часть Москвич-412Э комплектовали четырехфарной системой освещения с импортной оптикой, на части устанавливался гидровакуумный усилитель тормозов и сцепление с демпферами в маховике, английской фирмы Girling. Выпускалась экспортная модификация Москвич-412П для Великобритании, с правым рулем и напольной кулисой, ставшей в дальнейшем привычной на всех Москвичах 408/412. Москвич-412П реализовывала на рынках Великобритании фирма Satra Motors, являвшаяся партнером Автоэкспорта.

Торпедо и органы управления Москвич-412П.
Торпедо и органы управления Москвич-412П.

В 1968 году четыре серийных автомобиля Москвич-412Э команды Автоэкспорта, дебютировали в международном ралли-марафоне Лондон-Сидней, при этом все добрались до финиша, продемонстрировав завидную надежность.

Серийный Москвич-412Э на трассе  международного  ралли-марафона Лондон-Сидней, 1968 год.
Серийный Москвич-412Э на трассе международного ралли-марафона Лондон-Сидней, 1968 год.
Девушки неравнодушные к советскому автомобилю Москвич-412Э. Мехико. 1968 год.
Девушки неравнодушные к советскому автомобилю Москвич-412Э. Мехико. 1968 год.

В 1969 году кузов Москвич-412 был модернизирован, были учтены международные технические требования, в итоге кузов стал полностью универсальным для внутреннего и внешнего рынков, как для модели 408, так и для модели 412, модернизированному кузову образца 1969 года был присвоен индекс ИЭ.

Экспортный Москвич-412ИЭ, образца 1969 года с двухфарной системой освещения, оптика FER (DDR).
Экспортный Москвич-412ИЭ, образца 1969 года с двухфарной системой освещения, оптика FER (DDR).
Раллийный Москвич-412ИЭ, ралли-марафон Лондон-Мехико. 1970 год.
Раллийный Москвич-412ИЭ, ралли-марафон Лондон-Мехико. 1970 год.
Британский гонщик Формулы-1 Тони Ланфранки (Tony Lanfranchi), разбирался в автомобилях, и не прислушивался к английским снобам,  в 1972-73 годах  становился чемпионом Великобритании в категории легковых автомобилей,  на советском автомобиле Москвич-412ИЭ-П.
Британский гонщик Формулы-1 Тони Ланфранки (Tony Lanfranchi), разбирался в автомобилях, и не прислушивался к английским снобам, в 1972-73 годах становился чемпионом Великобритании в категории легковых автомобилей, на советском автомобиле Москвич-412ИЭ-П.
 Советский Москвич-412ИЭ продавался в Западной Европе под брендами: Moskvich, Moskvitch, Moskwitsch, Moskvitsh, Moskvitch Elite 1500, Elite 1500,  Elite 1500 Cavalier. Пользовался до середины семидесятых  неплохим спросом, несмотря на серьезную конкуренцию. Спортивные успехи советского автомобиля Москвич-412, не остались незамеченными у потребителей.
Советский Москвич-412ИЭ продавался в Западной Европе под брендами: Moskvich, Moskvitch, Moskwitsch, Moskvitsh, Moskvitch Elite 1500, Elite 1500, Elite 1500 Cavalier. Пользовался до середины семидесятых неплохим спросом, несмотря на серьезную конкуренцию. Спортивные успехи советского автомобиля Москвич-412, не остались незамеченными у потребителей.
Английская кинозвезда Джули Десмонд (Julie Desmond), рекламирует Москвич-427ИЭ (универсал на базе 412ИЭ), на Автовыставке в Великобритании. 1971 год.
Английская кинозвезда Джули Десмонд (Julie Desmond), рекламирует Москвич-427ИЭ (универсал на базе 412ИЭ), на Автовыставке в Великобритании. 1971 год.

В 1969 году была закончена модернизация топливной инфраструктуры СССР, в преддверии запуска автогиганта ВАЗ, все регионы были обеспечены в необходимых количествах высокооктановым топливом АИ-93, Москвич-412 стал поставляться на внутренний рынок в больших количествах, на АЗЛК увеличился выпуск 412-й модели, и был сокращен выпуск 408-й модели. В 1969 году, перешел на выпуск Москвич-412ИЭ и Ижевский автозавод, с 1967 года, выпускавший Москвич-408 из машинокомплектов МЗМА/АЗЛК, после отладки сборочного производства, Ижевский автозавод стал вносить собственные модернизации в конструкцию Москвич-412ИЭ, исходя из собственных технологических возможностей, в результате чего Москвич-412ИЭ, собранный в Ижевске, стал иметь различия, по сравнению с собранными на АЗЛК, с годами выпуска различия увеличивались. Бытует мнение, что ижевский Москвич-412 был качественней чем собранный на АЗЛК, это не совсем так…, копия всегда уступает оригиналу.

Ижевский Москвич-412ИЭ, образца 1969 года, с двумя круглыми фарами, наиболее привычен советским автолюбителям.
Ижевский Москвич-412ИЭ, образца 1969 года, с двумя круглыми фарами, наиболее привычен советским автолюбителям.
Ижевский Москвич-412ИЭ, образца 1969 года, с двумя прямоугольными фарами FER и оригинальной решеткой, был редким в СССР, в основном поставлялся на экспорт в ГДР.
Ижевский Москвич-412ИЭ, образца 1969 года, с двумя прямоугольными фарами FER и оригинальной решеткой, был редким в СССР, в основном поставлялся на экспорт в ГДР.

Ижевский автозавод не относился к Минавтопрому, а относился к Минсредмашу, поэтому комплектовался АЗЛК и предприятиями Минавтопрома, по остаточному принципу, из-за чего был вынужден осваивать собственное производство комплектующих. Тем не менее, ижевский Москвич-412ИЭ и его модификации, были востребованы потребителями, и имели своих стойких почитателей среди автолюбителей. Изюминкой ижевских автомобилей были радиоприемники Урал-Авто, Урал-Авто-2, которые собирал Сарапульский радиозавод, специализировавшийся на военной связной аппаратуре. Урал-Авто, Урал-Авто-2 превосходили по качеству и параметрам все советские автоприемники, включая АТ-64, А-370, Муромского радиозавода, которые ставили на АЗЛК. Москвич-412ИЭ производства АЗЛК выпускался до 1976 года, в 1976 году был заменен на Москвич-2140, который имел при проектировании индекс 412М.

Москвич-412ИЭ, выпуск АЗЛК, декабрь 1975 года, задняя часть уже от 2140, остальное 412ИЭ. В начале 1976 года выпускали 2140 по документам, с дверями, салоном 412ИЭ, но передок был 2140.
Москвич-412ИЭ, выпуск АЗЛК, декабрь 1975 года, задняя часть уже от 2140, остальное 412ИЭ. В начале 1976 года выпускали 2140 по документам, с дверями, салоном 412ИЭ, но передок был 2140.

По сути Москвич-2140, не был самостоятельной моделью, а являлся глубоко модернизированным 412-м, был снят с производства в 1988 году. Ижевский Москвич-412ИЭ оказался настоящим долгожителем, после глубокой модернизации в 1982 году, полчившей индекс 412-028, выпускался до 1997 года.

Ижевский Москвич-412-028 выпускался с 1982 года по 1997 год, под конец выпуска, стал совсем утилитарным.
Ижевский Москвич-412-028 выпускался с 1982 года по 1997 год, под конец выпуска, стал совсем утилитарным.

На протяжении всего выпуска Москвичей 412-го семейства, в конструкцию вносились изменения, как АЗЛК, так и Ижевским автозаводом. Четкого перехода не было, изменения шли в процессе производства. Менялись кузовные детали, облицовки радиаторов, панели приборов, бампера, системы питания, системы охлаждения, внутрисалонные печки, мосты и многое другое. На базе Москвич-412ИЭ, как АЗЛК, так и Ижевский автозавод производили грузовые и грузопассажирские модификации: Москвич-427/2137 (универсалы АЗЛК), Москвич-434 (грузовой фургон АЗЛК, ИЖ), ИЖ-Комби 2125/21251 (лифтбек, ИЖ), 2715/27151 (грузовой фургон/пикап, в простонародье «каблучок», ИЖ).

Москвич-427Э, выпускался  МЗМА/АЗЛК с 1967 года по 1969 год, очень малыми партиями.
Москвич-427Э, выпускался МЗМА/АЗЛК с 1967 года по 1969 год, очень малыми партиями.
Москвич-427ИЭ, выпускался АЗЛК, с 1969 года по 1976 год, был привычным на дорогах СССР.
Москвич-427ИЭ, выпускался АЗЛК, с 1969 года по 1976 год, был привычным на дорогах СССР.

Мелкосерийный Москвич-434Г  для внутризаводского использования на АЗЛК, 1968 год.
Мелкосерийный Москвич-434Г для внутризаводского использования на АЗЛК, 1968 год.
Пилотный ИЖ-Комби 2125, собственная разработка Ижевского автозавода, на базе Москвич-412ИЭ. 1970 год.
Пилотный ИЖ-Комби 2125, собственная разработка Ижевского автозавода, на базе Москвич-412ИЭ. 1970 год.
Серийный Иж-комби 2125. 1973 г.в., с 1982 года имел облицовку как у 412-028, выпускался с 1973 года по 1997 год.
Серийный Иж-комби 2125. 1973 г.в., с 1982 года имел облицовку как у 412-028, выпускался с 1973 года по 1997 год.
Москвич-434ИЭ. АЗЛК выпускал с 1969 по 1975 годы.
Москвич-434ИЭ. АЗЛК выпускал с 1969 по 1975 годы.

Москвич -434 Pick Up, редкий экспортный пикап, с правым расположения руля, производства АЗЛК, послужил основой для ижевского "каблучка" 2715. Выпускал АЗЛК с 1970 года по 1972 год.
Москвич -434 Pick Up, редкий экспортный пикап, с правым расположения руля, производства АЗЛК, послужил основой для ижевского "каблучка" 2715. Выпускал АЗЛК с 1970 года по 1972 год.
Праворукая линейка автомобилей на базе Москвич-412П, поставляемая в Великобританию.
Праворукая линейка автомобилей на базе Москвич-412П, поставляемая в Великобританию.

Иж-2715, "каблучок", привычный для советского человека, автомобиль-трудяга, с 1982 года имел оформление  передка 412-028. 1972-2001 г.в.
Иж-2715, "каблучок", привычный для советского человека, автомобиль-трудяга, с 1982 года имел оформление передка 412-028. 1972-2001 г.в.
Иж-2715 в экспортном исполнении, с оформлением передка как у Иж-комби 2125.
Иж-2715 в экспортном исполнении, с оформлением передка как у Иж-комби 2125.

В обзорной статье невозможно охватить весь спектр изменений и модификаций автомобиля Москвич-412, поэтому отражены только основные.

Подписывайтесь на мой канал, ставьте лайки, будет еще много интересного и занятного! С уважением к читателям!
Сергей Буров