Найти в Дзене
Электроника, AVR, STM, PIC

Индукционный нагрев металлов на базе генератора Ройера

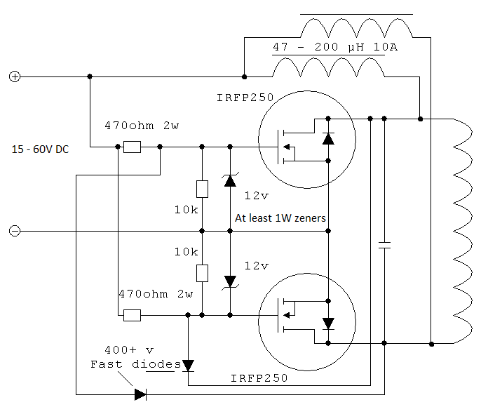
На схеме показан простой металлический нагреватель мощностью около 500-700 Вт, в зависимости от напряжения питания. Схема основана на генераторе Ройера.

Генератор Ройера-это, по сути, двухтактный автогенератор с колебательным контуром, в данном случае колебательным контуром является сама катушка, которая будет нагревать металл. Дроссели в каждом плече транзисторов нужны для того, чтобы не использовать среднюю точку для питания в катушке, конструктивно это будет неудобно.

Эта схема отличается от других нагревателей простотой исполнения. Нагревательный змеевик выполнен из медной трубки, содержит 5 витков, диаметр 8 см, по трубке течет вода, которая ее охлаждает, потому что сама змеевик нагревается нагретым внутри него металлом.

Транзисторы устанавливаются на радиаторы, их, кстати, можно заменить на другие, если они не указаны на схеме. Выбор транзисторов производится исходя из напряжения питания. То есть напряжение стока-источника должно быть в 4 раза выше напряжения питания, а сопротивление открытого канала должно быть меньше 0.13 ом.

Стабилитроны в цепях затвор-источник мощные, 1 Ватт на 12 вольт, они нужны для того, чтобы избежать пробоя канала затвор-источник, потому что пробивное напряжение большинства транзисторов находится в районе 20 вольт.

Выходная мощность металлического нагревателя регулируется изменением напряжения питания, на него можно подавать напряжение 15-60 вольт. Источник питания, конечно, должен быть соответствующей мощности. В колебательном контуре имеется блок конденсаторов, 16 штук параллельно подключенных к 0,22 МКФ при напряжении не менее 250 вольт. Дроссели наматываются на желтое кольцо от блока питания компьютера, наматываются до заполнения проводом диаметром 1 мм.