Добавить в корзинуПозвонить
Найти в Дзене

ГРМ Додж Караван, Крайслер Вояджер 2.4 литра

В статье подробно рассказывается о назначении грм, его видах, комплектующих ремня грм. Назначение: подавать в цилиндры воздушно-топливную смесь (ВТС) с определенной периодичностью, а также выводить из камер цилиндров отработанные газы. Вместо ВТС может поступать просто воздух, это зависит от конструкции двигателя в автомобиле. ГРМ играет важную роль в правильном функционировании силового агрегата в автомобиле, он синхронизирует работу поршней и клапанов, которые движутся в нужных фазах. Без этой синхронизации мотор работать не будет. Виды ГРМ: цепной и ременный. Отличаются ГРМ расположением распределительного вала в автомобиле: Механизм с клапанным газораспределением является самым распространенным среди ГРМ, устанавливаемых на 4-х контактных ДВС поршневого типа (Додж Караван, Крайслер Вояджер). Смеха ГРМ Додж Караван 2.4 л.: №10 – натяжитель ремня ГРМ, №7 – ремень ГРМ, №13 – ролик паразитный ремня ГРМ. При разрыве или соскоке ремня ГРМ, распределительный вал останавливает свою работ

В статье подробно рассказывается о назначении грм, его видах, комплектующих ремня грм.

Назначение: подавать в цилиндры воздушно-топливную смесь (ВТС) с определенной периодичностью, а также выводить из камер цилиндров отработанные газы. Вместо ВТС может поступать просто воздух, это зависит от конструкции двигателя в автомобиле.

ГРМ играет важную роль в правильном функционировании силового агрегата в автомобиле, он синхронизирует работу поршней и клапанов, которые движутся в нужных фазах. Без этой синхронизации мотор работать не будет.

Виды ГРМ: цепной и ременный. Отличаются ГРМ расположением распределительного вала в автомобиле:

Механизм с клапанным газораспределением является самым распространенным среди ГРМ, устанавливаемых на 4-х контактных ДВС поршневого типа (Додж Караван, Крайслер Вояджер).

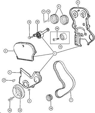
Смеха ГРМ Додж Караван 2.4 л.: №10 – натяжитель ремня ГРМ, №7 – ремень ГРМ, №13 – ролик паразитный ремня ГРМ.

При разрыве или соскоке ремня ГРМ, распределительный вал останавливает свою работу, в то время как коленчатый вал продолжает крутиться. Это не зависит от передачи и от оборотов, на которых работал двигатель. Из-за этого поршни очень сильно бьют клапана мотора, которые естественно повреждаются. Известны случаи, когда клапана даже пробивали поршень.

Основными причинами перескока или обрыва ремня могут быть: износ ремня, заклинило помпу (очень часто), заклинило ролик, он не затянут,  некачественные делали ГРМ.

ГРМ (расположение в двигателе):

-2

Рекомендации: стандартный регламент замены ГРМ 60–80 тысяч километров, однако специалисты всё-таки рекомендуют осуществлять замену каждые 50 тысяч километров пробега. Своевременно меняйте ГРМ, следите за его состоянием.

Замена ГРМ предполагает: ремень ГРМ, натяжитель ремня в сборе (можно отдельно ролик), паразитный ролик ремня ГРМ, помпа.

В нашем магазине Вы можете приобрести комплекты ГРМ :

1 ВАРИАНТ КОМПЛЕКТА ГРМ: (ремень ГРМ, 2 ролика) - по цене 4300 р.,

2 ВАРИАНТ КОМПЛЕКТА ГРМ: (ремень ГРМ, 2 ролика, помпа с прокладкой, 2 сальника распределительного вала, 1 сальник коленчатого вала) - по цене 6690 р. Производители - Япония, Германия.

-3

Адрес: г. Москва, ул Толбухина 10 корп 1. Доставка по г. Москва, Отправка транспортной компанией.

телефон: +79686256541 (Viber, WhatsApp).