Добавить в корзинуПозвонить
Найти в Дзене
ElectArtStudio

Выбивает УЗО в электрощите?

Давно не писали, не было подходящей темы. И вот она нашлась. За последнее время все больше и больше стало поступать жалоб на ложные срабатывания УЗО. Мы не будем останавливаться на теме, что такое УЗО, как его выбрать и т.д. В этой статье мы рассмотрим лишь причины ложных срабатываний. Итак, приступим. Из практики, причин ложного срабатывания УЗО всего три, и каждая из них по-своему неприятна. Причина 1. Неправильное подключение. Сколько уже историй, о том, что подключал "специалист" и, ну не может он ошибиться. Помните простое определение работы УЗО: "Что на входе то и на выходе". Так вот, если со входом проблем не бывает, и фазный провод все благополучно доводят до розеток или иных электроточек, то ситуация с нулевым проводом не так однозначна. Итак, после УЗО нельзя соединять рабочий и защитный ноль, т.е. вот так делать нельзя: До сих пор не понимаем, чем руководствуются при подобном подключении, но встречается довольно часто. Сюда же можно отнести и подключение нуля от разных гру

Давно не писали, не было подходящей темы. И вот она нашлась. За последнее время все больше и больше стало поступать жалоб на ложные срабатывания УЗО.

Мы не будем останавливаться на теме, что такое УЗО, как его выбрать и т.д. В этой статье мы рассмотрим лишь причины ложных срабатываний.

Итак, приступим. Из практики, причин ложного срабатывания УЗО всего три, и каждая из них по-своему неприятна.

Причина 1. Неправильное подключение.

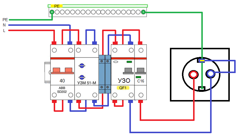
Сколько уже историй, о том, что подключал "специалист" и, ну не может он ошибиться. Помните простое определение работы УЗО: "Что на входе то и на выходе". Так вот, если со входом проблем не бывает, и фазный провод все благополучно доводят до розеток или иных электроточек, то ситуация с нулевым проводом не так однозначна. Итак, после УЗО нельзя соединять рабочий и защитный ноль, т.е. вот так делать нельзя:

Нельзя так делать!
Нельзя так делать!

До сих пор не понимаем, чем руководствуются при подобном подключении, но встречается довольно часто. Сюда же можно отнести и подключение нуля от разных групп УЗО к одной электроточке. Для наглядности мы сделали схему неправильного подключения. Но, обычно она выглядит несколько иначе, и неразбериха с рабочими нулями идет от распаечных коробок.

Нельзя подключать после УЗО к одному потребителю фазы и рабочие нули от разных УЗО.
Нельзя подключать после УЗО к одному потребителю фазы и рабочие нули от разных УЗО.

Причина 2. Пробитый кабель, или плохой контакт.

Вот эта причина более интересная. В нашей практике был случай, когда в новостройке, в угловой квартире, поврежденный кабель внутри стены, по весне привел к тому, что стена которая граничит с улицей намокла, и кабель стал неплохо так запитывать стену. Мультиметр подключенный одним концом к стене а другим к батарее показывал напряжение от 140 до 60 вольт в зависимости от удаленности от источника. А выяснилось это только после переборки электрощита, когда каждую весну и осень УЗО начинало жить своей жизнью. Это скорее исключение, а не правило. Чаще же, все довольно банальнее, плохой контакт приводит к увеличению сопротивления, и вызывает срабатывание УЗО. Так что если УЗО вдруг стало постоянно срабатывать, не спешите списывать его в утиль, проверьте сопротивлении линии, и сопротивление изоляции, возможно это спасет Вас от покупки УЗО.

Причина 3. Неисправность УЗО.

Да, как не банально, но в последнее время даже проверенные производители и поставщики не радуют качеством продукции. Из 200 - 250 закупаемых нами УЗО, одно непременно будет с дефектом. Поэтому мы тестируем все УЗО прежде, чем отправить Вам электрощит. Но даже это не гарантия того, что оно не выйдет из строя. Поставщики идут нам на встречу, и меняют неисправные устройства, и это еще один повод доверить проектировку и сборку электрощита профессионалам. Так, вы убережете себя от лишней головной боли в случае выхода их строя автоматики.

Вот, собственно и все неисправности которые бывают, с УЗО. А если у Вас остались вопросы, или есть свои истории про неисправности УЗО, и вы хотите ими поделиться, заходите к нам в группу Вконтакте. Будем рады услышать Ваши истории.