Добавить в корзинуПозвонить
Найти в Дзене
Робототехника

Цифровая электроника в три шага. Логический элемент "И".

Мы уже с Вами знакомились с двоичными числами и помним, что вся цифровая электроника построена на двоичном исчислении. Есть, конечно, устройства и на троичной логике, и пятеричном исчислении и даже больше, но популярность двоичной аппаратуры, пока вне конкуренции. В чем удобство и особенность двоичного исчисления. Основное свойство в том, что для одного числа мы имеем два состояния - это ноль и один. Это очень удобно использовать в классической логике, где существуют понятия истина и ложь. Даже известный классик драматургии, через своего героя поднял известный вопрос: "быть или не быть". Как видим у него также два состояния. К чему все эти аналогии, а к тому, что все процессы имеют определенный дуализм. Очень много решений имеют двойственность. Любое условие может выполняться или не выполняться. Любой процесс может быть запущен или не запущен. Это конечно все примитивно и условно, но так оно и происходит. Логический элемент "И" один из трех ключевых элементов логики. Есть еще "ИЛИ"

Мы уже с Вами знакомились с двоичными числами и помним, что вся цифровая электроника построена на двоичном исчислении. Есть, конечно, устройства и на троичной логике, и пятеричном исчислении и даже больше, но популярность двоичной аппаратуры, пока вне конкуренции. В чем удобство и особенность двоичного исчисления. Основное свойство в том, что для одного числа мы имеем два состояния - это ноль и один. Это очень удобно использовать в классической логике, где существуют понятия истина и ложь. Даже известный классик драматургии, через своего героя поднял известный вопрос: "быть или не быть". Как видим у него также два состояния. К чему все эти аналогии, а к тому, что все процессы имеют определенный дуализм. Очень много решений имеют двойственность. Любое условие может выполняться или не выполняться. Любой процесс может быть запущен или не запущен. Это конечно все примитивно и условно, но так оно и происходит.

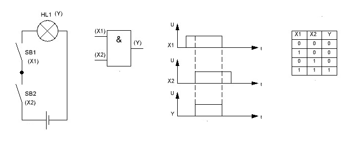
Пример реализации логического элемента "И"
Пример реализации логического элемента "И"

Логический элемент "И" один из трех ключевых элементов логики. Есть еще "ИЛИ" и "НЕ". В этом плане основу элемента "И" составляет одновременное выполнение двух условий. Или состояние входов равное логической единице. На первом рисунке рассматриваем схему с лампой, как видим цепь замкнута при нажатии двух кнопок одновременно, SB1 и SB2. В том случае если мы размыкаем любую из кнопок, то и лампа перестанет светить. Логически можно обозначить как представлено на втором рисунке.

Разберем диаграмму - это третий рисунок. Наблюдаем за первой строкой по времени, сперва кнопка разомкнута (логический ноль), затем через некоторое время кнопку нажали, так как вторая кнопка разомкнута, то цепь разорвана, значит лампа выключена. Спустя еще некоторое время нажали кнопку, видим, что цепь замыкается, и лампа начинает светиться. Пока все кнопки замкнуты - лампа светит. Как только разомкнем любую кнопку( в нашем случае размыкается вторая кнопка) лампа тут же гаснет. В результате получим таблицу истинности (таблица на 4 ой картинке), в таблице истинности два входа и один выход. Перебираем все возможные состояния входов (их всего 4 ) и им в соответствие получаем выход. Еще элемент "И" называют логическим умножением. так проще запомнить, при умножением одного входа на другой получим выход. Таким образом 0*0, 0*1, 1*0 дадут 0, а 1*1 получаем 1 (в данном случае * - это логической умножение).

При создании сложных схем для удобства просчета, используют Булеву алгебру. Некоторые её особенности изучим отдельно.

Представление "И" в Булевой алгебре.
Представление "И" в Булевой алгебре.

Этот рисунок открывает Вам еще графическое представление в виде кругов Эйлера. Их удобно использовать при работе со множествами.

Логическое "И" на транзисторах
Логическое "И" на транзисторах

Пример реализации логического элемента "И" на транзисторах. Как видим на сопротивлении R3 появится напряжение, в том случае если оба транзистора VT1 и VT2 открыты.а они откроются, при условии подачи на их вход напряжения.

Если Вам понравилась эта или другая наша публикация, поддержите проект, планируется много интересного, для этого необходима покупка тестового "железа".

Свои комментарии можете предлагать в группе вконтакте,
Если есть вопросы или по желания, то пишите, через Обратную связь.
Канал телеграм.
Группа Одноклассники.