Добавить в корзинуПозвонить
Найти в Дзене
Auto4sell

Как самому сделать дневные ходовые огни (ДХО). Схема

Дневные ходовые огни теперь нужны всем. Изменчивое как ветер законодательство постоянно требует от нас «сделать то» и «сделать это», «поставить что-то» или «включить то-то». На этот раз пострадавшими являются владельцы старых машин, на которых не предусмотрены дневные ходовые огни, включать которые нужно сейчас при движении за городом в дневное время. Если в современных автомобилях все это делается автоматически, то владельцы машин, в которых «не всем управляет электроника», придется помнить, что при движении нужно включать ближний свет (а иначе — штраф), а после остановки, даже днем, выключить (АКБ может «устать»). Поэтому нужно искать выход из положения. Уважаемые читатели не забываем жать на палец вверх, в низу страницы это помогает развитию нашего канала. Чтоб не тратиться на дополнительные приборы автооптики и не устанавливать их на автомобиль, можно сделать систему управления ближним светом штатных фар автомобиля, а он у всех имеется, поэтому в итоге получит максимум результ

Дневные ходовые огни теперь нужны всем. Изменчивое как ветер законодательство постоянно требует от нас «сделать то» и «сделать это», «поставить что-то» или «включить то-то». На этот раз пострадавшими являются владельцы старых машин, на которых не предусмотрены дневные ходовые огни, включать которые нужно сейчас при движении за городом в дневное время.

Дневные ходовые огни
Дневные ходовые огни

Если в современных автомобилях все это делается автоматически, то владельцы машин, в которых «не всем управляет электроника», придется помнить, что при движении нужно включать ближний свет (а иначе — штраф), а после остановки, даже днем, выключить (АКБ может «устать»). Поэтому нужно искать выход из положения.

Уважаемые читатели не забываем жать на палец вверх, в низу страницы это помогает развитию нашего канала.

Чтоб не тратиться на дополнительные приборы автооптики и не устанавливать их на автомобиль, можно сделать систему управления ближним светом штатных фар автомобиля, а он у всех имеется, поэтому в итоге получит максимум результата, затратив минимум работы.

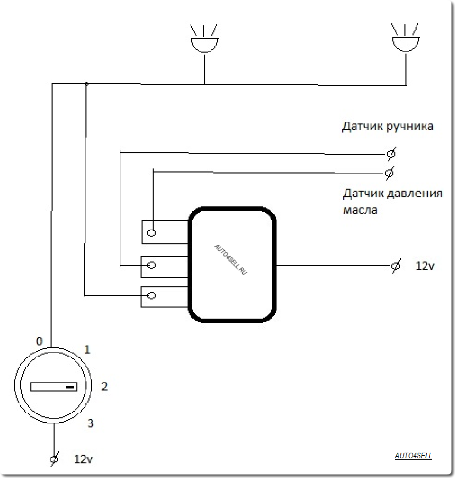
Как самому сделать ДХО — делаем дневные ходовые огни самостоятельно, схема

Сделаем систему, которая автоматически будет включать ближний свет фар при работающем двигателе, при этом, фары будут гаснуть если мы стоим на стоянке с работающим мотором (это мы будем определять по положению ручника). Ночной режим, как и прежде, будет включаться штатным переключателем света. Схема приведена на примере ВАЗовской классики, однако это применимо ко всем подобным машинам.

-2

Наша схема будет включать ближний свет в обход штатного выключателя, учитывая те датчики, которые мы включим в схему. Узнать о том, что мотор работает, мы может от датчика давления масла (или реле зарядки, например), а для того чтоб выключить ненужный свет на стоянке с включенным двигателем, можно использовать клеммы ручника. В данной схеме ДХО можно еще вводить или менять много датчиков, в зависимости от ваших желаний и конструкции машины.

И не забудьте пустить схему через собственный предохранитель, который кроме своей непосредственной функции, будет еще выполнять роль выключателя всей системы.