Найти в Дзене
ТУЛА-ТЕРМ

ПОВЕРКА ТЕРМОЭЛЕКТРИЧЕСКИХ ПРЕОБРАЗОВАТЕЛЕЙ В ТРУБЧАТЫХ ПЕЧАХ СУОЛ

Электропечи трубчатые лабораторные СУОЛ предназначена для градуировки термопар и дилатометров, термической обработки и определения температуры плавления металлов, сплавов и других работ при температуре до 1200 оС в стационарных лабораториях. Термоэлектрические преобразователи при температурах до 1200 оС поверяются в трубчатых печах СУОЛ. Поверка преобразователей всех типов в диапазоне температур от 0 до 1200 оС делается по с ГОСТ 8.338-2002, МИ 1744-87. Для поверки (калибровки) и градуировки термометров сопротивления в диапазоне температур от 0 до 1200 оС в соответствии с ГОСТ 8.461-82. При проведении поверки, внутрь печи вставляют металлический блок с несколькими отверстиями для размещения термопар. Металлический блок делают из алюминия или меди для применения при температурах до 500 оС. Из алюминиевой бронзы при применении при температуре до 700 оС и из чистого никеля или жаростойкой стали при температурах 800 оС и выше. ООО "ТУЛА-ТЕРМ" Главный термист
Федин В.С

ЭЛЕКТРОПЕЧИ ТРУБЧАТЫЕ ЛАБОРАТОРНЫЕ СУОЛ
ЭЛЕКТРОПЕЧИ ТРУБЧАТЫЕ ЛАБОРАТОРНЫЕ СУОЛ

Электропечи трубчатые лабораторные СУОЛ предназначена для градуировки термопар и дилатометров, термической обработки и определения температуры плавления металлов, сплавов и других работ при температуре до 1200 оС в стационарных лабораториях.

Термоэлектрические преобразователи при температурах до 1200 оС поверяются в трубчатых печах СУОЛ. Поверка преобразователей всех типов в диапазоне температур от 0 до 1200 оС делается по с ГОСТ 8.338-2002, МИ 1744-87. Для поверки (калибровки) и градуировки термометров сопротивления в диапазоне температур от 0 до 1200 оС в соответствии с ГОСТ 8.461-82.

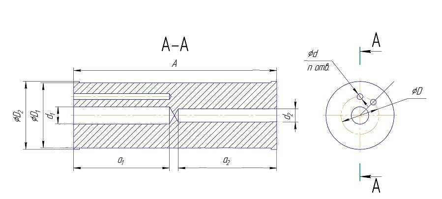
При проведении поверки, внутрь печи вставляют металлический блок с несколькими отверстиями для размещения термопар.

Металлический блок делают из алюминия или меди для применения при температурах до 500 оС. Из алюминиевой бронзы при применении при температуре до 700 оС и из чистого никеля или жаростойкой стали при температурах 800 оС и выше.

Металлический блок.
Металлический блок.

ООО "ТУЛА-ТЕРМ"

Главный термист
Федин В.С