Добавить в корзинуПозвонить
Найти в Дзене
Безумный техник!

Как сделать боевой элетрошокер в домашних условиях.

Электрошокер — устройство очень полезное, но то, что продается в магазине, вас не защитит в реальных «боевых» ситуациях. Стоит в лишний раз напомнить, что по ГОСТ-у гражданские лица (простые смертные) не могут носить и применить электрошоковые устройства, мощность которых превышает 3 Ватт. Это смешная мощность, которой хватит только для отпугивания псов и пьяных алкашей, но никак не для обороны.
Электрошоковое устройство должно иметь высокую эффективность, чтобы защитить своего хозяина в любых ситуациях, но в магазине таких увы… нет. Так как же быть в таком случае? Ответ прост — собрать электрошокер своими руками в домашних условиях. У некоторых из вас может возникнуть вопрос: безопасно ли это для нападающих? Безопасно, если знаешь что собирать. Мы в этой статье предложим шокер, который обладает титанической выходной мощностью 70 ватт (130 ватт в пике) и может уложить любого человека за доли секунды. В паспортных данных промышленных электрошоковых устройств можно увидеть параметр — Э

Электрошокер — устройство очень полезное, но то, что продается в магазине, вас не защитит в реальных «боевых» ситуациях. Стоит в лишний раз напомнить, что по ГОСТ-у гражданские лица (простые смертные) не могут носить и применить электрошоковые устройства, мощность которых превышает 3 Ватт. Это смешная мощность, которой хватит только для отпугивания псов и пьяных алкашей, но никак не для обороны.
Электрошоковое устройство должно иметь высокую эффективность, чтобы защитить своего хозяина в любых ситуациях, но в магазине таких увы… нет.

Так как же быть в таком случае? Ответ прост — собрать электрошокер своими руками в домашних условиях. У некоторых из вас может возникнуть вопрос: безопасно ли это для нападающих? Безопасно, если знаешь что собирать. Мы в этой статье предложим шокер, который обладает титанической выходной мощностью 70 ватт (130 ватт в пике) и может уложить любого человека за доли секунды.

В паспортных данных промышленных электрошоковых устройств можно увидеть параметр — ЭФФЕКТИВНОЕ ВРЕМЯ ВОЗДЕЙСТВИЯ. Это время напрямую зависит от мощности. Для штатных 3-х ваттных шокеров время воздействия составляет 3-4 секунд, но естественно никто еще не смог подержать 3 секунды, поскольку из-за ничтожной выходной мощности, нападающий быстро сообразит в чем дело и набросится повторно. В этой ситуации ваша жизнь будет под угрозой и если нечем оборонятся, то последствия могут быть трагическими.

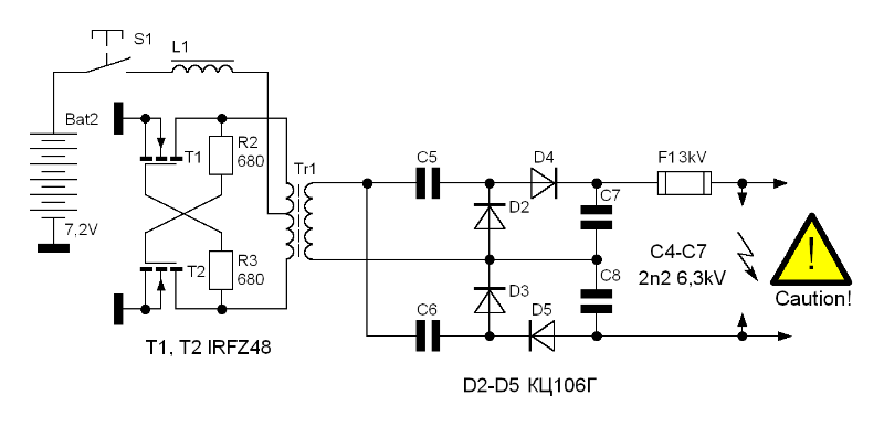
Давайте перейдем к сборке электрошокера своими руками. Но прежде, хочу сказать, что данный материал изложен в сети впервые, содержимое полностью авторское, спасибо хорошему другу Евгению за предложение использовать в высоковольтной части двухтактного умножителя. Последовательный умножитель (часто используемый в шокерах) обладает довольно низким КПД, а в этом случае мощность передается к телу нападающего без особых потерь.

Ниже представляем основные параметры электрошокера:

Номинальная выходная мощность 70 Ватт 

Максимальная выходная мощность 100 Ватт 

Пиковая выходная мощность 130 Ватт 

Выходное напряжение на разрядниках 35000 Вольт 

Частота искрообразования 1200 Гц 

Расстояние между выходными электродами 30 мм 

Максимальный пробой воздуха 45мм 

Фонарик имеет 

Предохранитель имеет 

Питание аккумулятор  (LI-po 12V 1200mA)

Инвертор :

Использовалась мощная схема двухтактного инвертора с применением  N-канальных силовых ключей. Такая схема простого мультивибратора имеет минимальное количество комплектующих компонентов и «жрет» ток до 11 Ампер, а после замены транзисторов на более мощные, то потребления вырос до 16 Ампер — немало для такого компактного инвертора.

Но если имеется такой мощный преобразователь, то нужен соответствующий источник питания. Несколько недель назад на аукционе ebay были заказаны два комплекта литий-полимерных аккумуляторов, емкость которых составляет 1200мА при напряжении 12 Вольт. Позже удалось накопать в сети некоторые данные про эти аккумуляторы. Один из источников сообщал, что ток КЗ данных аккумуляторов составляет 15 Ампер, но потом из более достоверных источников стало понятно, что ток КЗ достигает до 34-х Ампер!!! Дикие аккумуляторы при достаточно компактных размерах. Следует заметить, что 34 А — это кратковременный отдаваемый ток короткого замыкания.

После выбора источника питания нужно приступать к сборке начинки электрошокера.

В инверторе можно использовать полевые транзисторы  IRFZ44, IRFZ46, IRFZ48, можно и более мощные — IRL3705, IRF3205 (именно последний вариант использован у меня).

Импульсный трансформатор был намотан на сердечнике от электронных трансформаторов на 50 Ватт. Такие китайские трансформаторы предназначены для питания 12-Вольтовых галогенных ламп и стоят копейки (чуть больше 1 доллара США).

-2
-3

Первичная обмотка мотается сразу 5-ю жилами провода 0,5 мм (каждая). Обмотка содержит 2х5 витков и мотается сразу двумя шинами, каждая шина состоит из 5 витков, как говорилось выше.

Сразу двумя шинами по всему каркасу мотаем 5 витков, т.к у нас в итоге получается 4 вывода первичной обмотки.

-4

Обмотку тщательно изолируем 10-15 слоями тонкого прозрачного скотча и мотаем повышающую обмотку.

-5

Вторичная обмотка состоит из 800 витков и намотана проводом 0,1мм. Обмотку мотаем слоями — каждый слой состоит из 70-80 витков. Межслойную изоляцию ставим тем же прозрачным скотчем, для каждого ряда 3-5 слоев изоляции.

-6

Дальше с концов обмотки сдираем лак и залужаем их.

-7
-8

Умножитель :

Продолжаем собирать электрошокер своими руками. В высоковольтной части использованы два двухтактных умножителя последовательно соединенных. В них использованы достаточно распространенные высоковольтные компоненты — конденсаторы 5кВ 2200пФ и диоды КЦ123 или КЦ106 (первые работают лучше из-за повышенного обратного напряжения).

-9
-10
-11

Особо пояснять нечего, собираем тупо по схеме. Готовый умножитель получается довольно компактным, его нужно залить эпоксидной смолой после того, как он будет смонтирован в корпусе.

С такого умножителя можно снять до 5-6 см чистой дуги, но не стоит раздвигать выходные контакты на большое расстояние во избежание нежелательных последствий.

Корпус и монтаж :

Корпус был взят от китайского светодиодного фонарика, правда пришлось чуть переделать его. Аккумуляторы расположены в задней части корпуса.

-12

В качестве предохранителя используется выключатель по питанию. Можно использовать практически любые с током 4-5 Ампер и более. Выключатели были сняты из китайских ночников (цена в магазине менее доллара).

-13

Кнопку без фиксации тоже следует брать с большим током. В моем случае кнопка имеет два положения.

-14

Фонарик собран на обычных белых светодиодах. 3 светодиода от фонарика соединены последовательно и через ограничительный резистор 10Ом подключаются к аккумулятору. Светит такой фонарик достаточно ярко, для освящения ночной дороги вполне подходит.

-15

После окончательного монтажа стоит лишний раз проверить всю схему на исправность.

Для заливки умножителя напряжения я использовал эпоксидную смолу, которая продается в шприцах, вес всего 28-29 Грамм, но одной упаковки хватит для заливки двух таких умножителей.

-16
-17

Готовый электрошокер получается очень компактным и дико мощным.

-18

Благодаря повышенной частоте искрообразования к телу человека подается больше джоулей в секунду, поэтому время эффективного воздействия шокером составляет микросекунды!

Зарядка осуществляется бестрансформаторной схемой, о конструкции которой мы поговорим как-нибудь в другой раз.

Готовый шокер был покрыт 3D карбоном (цена порядка 4 доллар за 1 метр).

-19

Вот таким образом можно сделать электрошокер своими руками, при этом он будет значительно лучше по сравнению с заводскими вариантами.