Найти в Дзене
mysku.ru

Плата лабораторного блока питания, моя конструкция и дополнения. Мультиобзор.

Данный текст написан не столько ради обзора самой платы блока питания, в этом преуспел, уважаемый Kirich и другие авторы, а скорее ради описания получившейся у меня конструкции в целом, с необходимыми, на мой взгляд, этому блоку питания дополнениями в виде термоконтроллера вентилятора, индикатора напряжения и тока, автоматического переключателя обмоток трансформатора, электронного отключения нагрузки, ну и собственно силового трансформатора и корпуса. Часть устройств куплена на AliExpress, а другая часть собрана с нуля. Для первых будут ссылки, а для последних схемы… Итак, используемые компоненты: — Готовый тороидальный трансформатор 150Вт, имеющий 2 обмотки по 12 вольт, купленный в чип и дип. Такой трансформатор был выбран с расчетом возможности переключения обмоток, разделив диапазон выходных напряжений на 2 поддиапазона — 0-11в и все, что выше (используя или одну 12 вольтовую обмотку или 2 последовательно соединенные такие же обмотки, в сумме дающие ~24В). Поверх двух заводских вт

Данный текст написан не столько ради обзора самой платы блока питания, в этом преуспел, уважаемый Kirich и другие авторы, а скорее ради описания получившейся у меня конструкции в целом, с необходимыми, на мой взгляд, этому блоку питания дополнениями в виде термоконтроллера вентилятора, индикатора напряжения и тока, автоматического переключателя обмоток трансформатора, электронного отключения нагрузки, ну и собственно силового трансформатора и корпуса. Часть устройств куплена на AliExpress, а другая часть собрана с нуля. Для первых будут ссылки, а для последних схемы…

Итак, используемые компоненты:

-2

— Готовый тороидальный трансформатор 150Вт, имеющий 2 обмотки по 12 вольт, купленный в чип и дип. Такой трансформатор был выбран с расчетом возможности переключения обмоток, разделив диапазон выходных напряжений на 2 поддиапазона — 0-11в и все, что выше (используя или одну 12 вольтовую обмотку или 2 последовательно соединенные такие же обмотки, в сумме дающие ~24В). Поверх двух заводских вторичных обмоток еще были намотаны 2 дополнительные. Первая — маломощная на 13В для питания дополнительных устройств и вентилятора охлаждения. Вторая обмотка более мощная, на 7В., намотанная проводом 1,5мм (можно было использовать тоньше, но такой был у меня в наличии), для питания отдельного 5-вольтового USB выхода, подключенного к линейному стабилизатору 7805;

-3

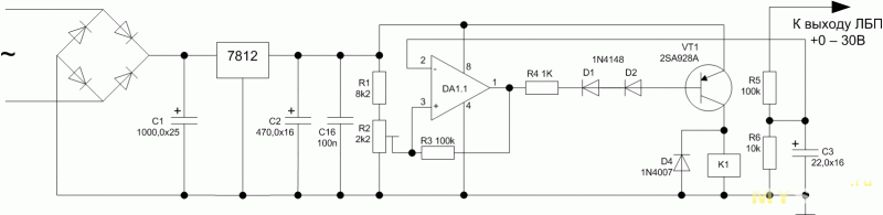
— Плата-конструктор лабораторного источника питания с AliExpress. Набор реально стал стоить копейки — чуть больше 5$. Долетел до Минска за 29 дней, трек отслеживался. Собранная мной плата на фото выше. Заменил лишь комплектный кондер на 10 000мкф и диоды выпрямителя, диодами Шоттки SR560 на ток 5A. Менять операционные усилители, пока не стал...;

-4

— Готовая плата контроллера вентилятора с индикатором температуры и выносным термодатчиком также с AliExpress.

Термоконтроллер, стоимостью 1,65$, доехал до Минска за 22дня, трек отлеживался. Отличное устройство, надо отметить. Может работать в одном из двух режимов — на охлаждение или на нагрев. Т.е., в зависимости от выбранного режима, термоконтроллер управляет или нагревателем (включает, если температура опускается ниже заданной), или вентилятором (включает, если температура превышает заданную). Для отключения вентилятора или нагревателя задается значение гистеризиса. Управляется контроллер при помощи 3х кнопок, значения выводятся на 3х-символьный индикатор. На странице продавца имеется подробная инструкция

-5

— Готовый индикатор напряжения и тока с AliExpress. Цена 3,94$. Ехал заказ 5 недель, трек не отслеживался. Надо отметить, что индикатор оказался вполне годным, позже протестируем

-6

— Самодельный блок переключения обмоток трансформатора (схема найдена на просторах инета). Это, пожалуй, самое важное дополнение для линейного регулируемого блока питания. Дело в том, что КПД таких источников — весьма не высокий, особенно при низких выходных напряжениях. Так, например, при выходном напряжении 5В и токе, скажем, в 3А, на выходном транзисторе должно рассеяться около 75Вт. И в этом режиме, при питании БП от 24 вольт переменного тока (2 обмотки по 12 вольт), вентилятор охлаждения, управляемый термоконтроллером, почти никогда не выключается. А при входном напряжении в ~12В, наоборот, включается очень редко и на короткое время. Таким образом, данное дополнение, позволяет значительно улучшить режимы работы блока питания, особенно, если учесть, что я, в основном использую напряжения до 12В. Единственное, что выбранное мной решение не самое лучшее, потому, что, при уменьшении напряжения, в момент переключения обмоток с двух на одну (с 24в на 12в), возникает короткий провал в выходном напряжении. Симисторная же схема лишена такого недостатка. А для себя я решил, что мне этот нюанс не принципиален.

-7

Собрано устройство на макетной плате, тут же размещен выпрямитель и стабилизатор напряжения на 12В, от которого питаются реле, термоконтроллер и вентилятор. Для этого стабилизатора на трансформаторе была намотана дополнительная маломощная обмотка;

-8

— А это полностью самодельный блок электронного подключения нагрузки, о нем по подробнее:

Итак, небольшое ТЗ.

— После включения блока питания нагрузка должна быть отключена в независимости от последнего состояния.

— О выключенной нагрузке должен сообщать мигающий красный светодиод.

— О включенной нагрузке должен сообщать постоянно горящий зеленый светодиод.

— Подключение нагрузки происходит при помощи реле.

— Аппаратное подавление дребезга контактов.

-9

Схема построена на дешевом микроконтроллере Atmel ATtiny2313 и триггере Шмитта 74HC14.

Запитана схема от 12 вольт, необходимых для работы реле. Для питания микросхем использован линейный преобразователь 7805.

После включения мигает красный светодиод VD2. Триггер шмитта 74HC11 позволяет окончательно и бесповоротно избавиться от дребезга контактов. При нажатии кнопки, светодиод VD2 гаснет, а VD1 (зеленый) загорается, одновременно с ним открывается транзистор VT1 и включается реле K1. При следующем нажатии нагрузка и зеленый светодиод VD1 отключаются, красный светодиод VD2 начинает мигать. Диод VD1 защищает транзистор от всплесков напряжения на катушке реле. Собрана схема на макетной плате. Если не ставить на входе триггер Шмитта (и бороться с дребезгом программными средствами), то необходим подтягивающий резистор 10К на 7 выводе микроконтроллера. В планах добавить еще один канал управления на вход микроконтроллера int0. Управляться будет USB выход...

Расширенная версия обзора доступна на сайте MYSKU.ru

В этом обзоре я рассмотрел сразу 3 приобретенных мной товара, а также еще пару полезных самодельных дополнений. Устройство получилось годное, но с некоторыми нюансами. Как минимум я попробую заменить выходной транзистор, т.к. проскакивала информация, что у китайцев они поддельные.

Вот и подошел к концу мой первый обзор. Высказывайте свои мнения. Спасибо за внимание!