Добавить в корзинуПозвонить
Найти в Дзене
CADIS

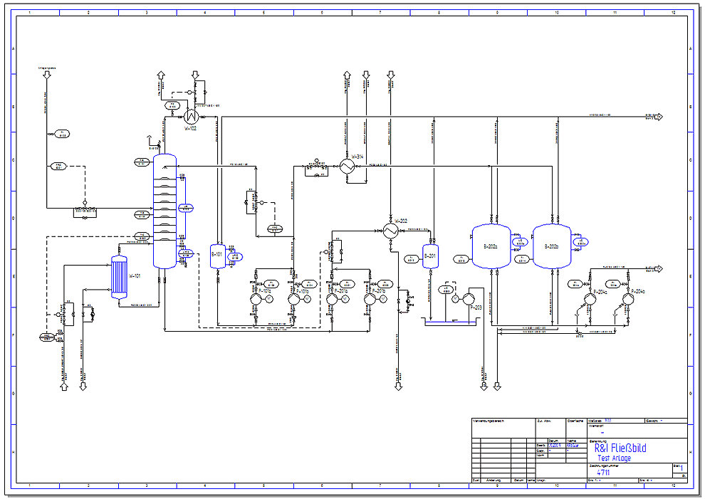
Схемотехническое проектирование трубопроводных систем в Smap3D P&ID

Используйте Smap3D P&ID для создания, изменения, управления и просмотра схем трубопроводов Вне зависимости от используемого на предприятии САПР, все чертежи, данные, оценки и проверки на протяжении всего процесса (от создания чертежа до законченного проекта) создаются в единой базе данных. Smap3D P&ID упрощает и автоматизирует повторяющиеся задачи. Все чертежи, листы проекта и отчеты основаны на полностью конфигурируемых шаблонах. 2D Символы и Геометрия В дополнение к встроенным библиотекам символов (ISO/DIN, ANSI/ISA) вы также можете интегрировать свои собственные символы (2D-геометрию в формате DXF или DWG) или использовать «генератор символов» для удобного и быстрого создания символов используемых в вашей компании. При размещении на чертеже, символы автоматически масштабируются и выравниваются с помощью привязки к сетке. Поворот символов и разделение линий полностью автоматизированы. Идентификационный номер и дополнительные характеристики также автоматически запрашиваются у пользова

Используйте Smap3D P&ID для создания, изменения, управления и просмотра схем трубопроводов

Вне зависимости от используемого на предприятии САПР, все чертежи, данные, оценки и проверки на протяжении всего процесса (от создания чертежа до законченного проекта) создаются в единой базе данных. Smap3D P&ID упрощает и автоматизирует повторяющиеся задачи. Все чертежи, листы проекта и отчеты основаны на полностью конфигурируемых шаблонах.

  • Целостность процесса благодаря интеграции диаграмм со Smap3D Piping.
  • Динамические линии (системы), автоматически отвечающие на разделение или закрытие (например, при размещении символов).
  • «Проверка проекта» для оценки полноты, достоверности и точности отдельных схем или проекта в целом.
  • Автоматический поиск по обозначениям, осуществляемый во всей системе.
  • Возможность пополнения библиотек символов (ISO/DIN/ISA) и базы данных компонентов специфичными для предприятия символами и компонентами (из форматов «умного» PDF и DXF/DWG).

2D Символы и Геометрия

В дополнение к встроенным библиотекам символов (ISO/DIN, ANSI/ISA) вы также можете интегрировать свои собственные символы (2D-геометрию в формате DXF или DWG) или использовать «генератор символов» для удобного и быстрого создания символов используемых в вашей компании. При размещении на чертеже, символы автоматически масштабируются и выравниваются с помощью привязки к сетке. Поворот символов и разделение линий полностью автоматизированы. Идентификационный номер и дополнительные характеристики также автоматически запрашиваются у пользователя.

Информация о компонентах

Специализированные компоненты или компоненты, которые относятся к конкретному проекту могут быть добавлены в базу данных компонентов. Если это требуется, символы могут быть назначены компонентам при размещении на чертеже. В этом случае, вся информация о компонентах, а не только геометрия символов, будут автоматически переданы в проект. Нумерация также происходит автоматически. Всю доступную информацию для наглядности можно вывести на чертеж.

Динамические линии трубопроводов.

Динамические линии сделают процесс рисования трубопроводов легким и удобным. При автоматическом разделении или завершении линии трубопровода, система динамически реагирует на добавление или удаление символов/компонентов. Линии трубопроводов больше не нужно редактировать вручную. Линии позволяют легко включать и выключать отображение направления потока (стрелка). Все символы, которые уже были размещены в линии трубопроводов, автоматически поворачиваются при изменении направления потока. Линии могут быть изменены (удлиненные, укороченные, сдвинуты) с использованием «ручек».

Нарисованная линия становится логическим трубопроводом после назначения функций трубопровода (номер трубопровода, класс трубопроводов и т. д.). Вся доступная информация о трубопроводе может быть отображена на чертеже.

Тестирование (проверка)

Конструктивная проверка может использоваться для просмотра отдельных чертежей P&ID, а также всего проекта в целом. Включает в себя:

  • Проверка направления потока
  • Дублированные или отсутствующие номера трубопроводов
  • Соответствие диаметра в точке соединения и линии трубопровода

Гибкая структура программного обеспечения позволяет быстро и легко добавлять индивидуальные проверки дизайна.

Спецификация и отчет 

Спецификация и подробный отчет можно получить из всей собранной информации о проекте в виде символов, компонентов и трубопроводов. Поддерживается экспорт в следующих форматах: текстовые данные XML, Microsoft Excel. Экспортировать данные можно в соответствии с индивидуальными настройками по собственному шаблону.

Интеллектуальная связь с 3D посредством P&ID To‐Do List

P&ID To‐Do List – это встроенная в Smap3D Plant Design функция, обеспечивающая связь между схемами Smap3D P&ID и 3D-проектом в Smap3D Piping.

С помощью P&ID To‐Do List можно автоматически проверить существующие атрибуты символов и линий в схеме. Для проектировщика, работающего в 3D-САПР, эти данные служат основой при создании трехмерной модели трубопроводной системы, а также поддерживают проект предприятия в целом.

Подробнее о Smap3d: http://cad-is.ru/smap3d

По вопросам приобретения, обучения, бесплатного тестирования и любым другим вопросам, пожалуйста, обращайтесь: info@cad-is.ru тел. 7(495) 740-05-10