Добавить в корзинуПозвонить
Найти в Дзене

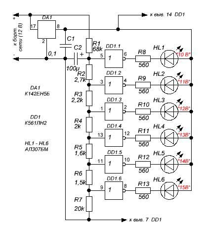
Бортовой светодиодный вольтметр

Схема бортового автомобильного вольтметра с индикацией на светодиодах приведена на рисунке ниже: Прибор представляет собой шестиуровневый линейный индикатор, в интервале от 10 до 15 вольт. Стабилизатор DA1, на микросхеме К142ЕН5Б на выводе 8, выдает напряжение 6 вольт для питания цифровой микросхемы DD1 типа К561ЛН2. Инверторы микросхемы К561ЛН2 служат пороговыми элементами, представляя собой нелинейные усилители напряжения, а резисторы R1 – R7 задают смещение на входах этих элементов. Если входное напряжение инвертора превысит пороговый уровень, на его выходе появится напряжение низкого уровня, светодиод на выходе соответствующего инвертора будет светиться. Печатная плата бортового светодиодного вольтметра со схемой расположения деталей на ней, размером 80х45 мм изображена на рисунках ниже: При налаживании бортового светодиодного вольтметра, вместо аккумулятора подключают лабораторный стабилизированный источник напряжения на 10 вольт, установив временно подстроечный резистор, вместо

Схема бортового автомобильного вольтметра с индикацией на светодиодах приведена на рисунке ниже:

Прибор представляет собой шестиуровневый линейный индикатор, в интервале от 10 до 15 вольт. Стабилизатор DA1, на микросхеме К142ЕН5Б на выводе 8, выдает напряжение 6 вольт для питания цифровой микросхемы DD1 типа К561ЛН2. Инверторы микросхемы К561ЛН2 служат пороговыми элементами, представляя собой нелинейные усилители напряжения, а резисторы R1 – R7 задают смещение на входах этих элементов. Если входное напряжение инвертора превысит пороговый уровень, на его выходе появится напряжение низкого уровня, светодиод на выходе соответствующего инвертора будет светиться.

Печатная плата бортового светодиодного вольтметра со схемой расположения деталей на ней, размером 80х45 мм изображена на рисунках ниже:

-2
-3

При налаживании бортового светодиодного вольтметра, вместо аккумулятора подключают лабораторный стабилизированный источник напряжения на 10 вольт, установив временно подстроечный резистор, вместо резистора R1. Изменяя сопротивление R1, добиваются момента включения светодиода HL1. Остальные уровни устанавливаются автоматически. При детальной проверке остальных уровней, уточняются сопротивления R2 – R6, соответственно.

Материал опубликован в журнале «Радио» №2, 1998 г.

Автор: О. Клевцов