Найти в Дзене
Простые решения

Как заставить светить сгоревшую лампу дневного света практически вечно!

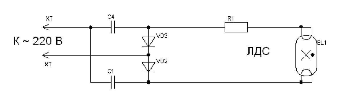
Как то, давным давно, занимаясь в радио кружке я ради эксперимента собирал простейшие схемы для подключения сгоревших ламп дневного света, благодаря им они могут светить как новые практически вечно, а что бы она погасла вам придется ее разбить. К тому же применяя эти схемы вы не услышите специфического гудения дросселя, которое бывает раздражает людей. Схема № 1 Исходя из мощности лампы дневного света вам придется подбирать номиналы конденсаторов С1 - С4 и диоды VD1 - VD4, а также сопротивление R1. Номиналами радио деталей можете ознакомится в таблице приведенной ниже. Схема №2 В этой схеме я убрал два конденсатора и два диода, она и без них будет работать, а если собирать по первой схеме вы повысите надежность работы лампы. Да еще под рукой не оказалось подходящего сопротивления и я применил в цепи простую лампочку мощностью 75 ватт, ее нить выполнила роль сопротивления, но а вы все таки найдите подходящее и впаяйте в схему. Закончив сборку принципиальной схемы я захотел провести не

Как то, давным давно, занимаясь в радио кружке я ради эксперимента собирал простейшие схемы для подключения сгоревших ламп дневного света, благодаря им они могут светить как новые практически вечно, а что бы она погасла вам придется ее разбить. К тому же применяя эти схемы вы не услышите специфического гудения дросселя, которое бывает раздражает людей.

Схема № 1

-2

Исходя из мощности лампы дневного света вам придется подбирать номиналы конденсаторов С1 - С4 и диоды VD1 - VD4, а также сопротивление R1. Номиналами радио деталей можете ознакомится в таблице приведенной ниже.

-3

Схема №2

В этой схеме я убрал два конденсатора и два диода, она и без них будет работать, а если собирать по первой схеме вы повысите надежность работы лампы. Да еще под рукой не оказалось подходящего сопротивления и я применил в цепи простую лампочку мощностью 75 ватт, ее нить выполнила роль сопротивления, но а вы все таки найдите подходящее и впаяйте в схему.

-4

-5

Закончив сборку принципиальной схемы я захотел провести небольшой опыт, при каком напряжении лампа начнет стабильно работать. Нижним приделом стало напряжение 50 вольт, а поток света был как у лампы проработавшей несколько месяцев.

-6

Повысив напряжение до 100 вольт лампочка стала заметно ярче светить, это хорошо заметно на фото.

-7

При поднятие напряжения до 220 вольт лампа засветила как новая.

-8

Как вы смогли убедится схема является работоспособной и вполне применима. Не выбрасывайте негодные лампы, их ресурс еще огромен, собрав одну из простейших схем вы ощутимо сэкономите свой бюджет.

На этом пока все, продолжение следует.

Подписывайтесь на канал, ставьте лайки, пишите комментарии, ваше мнение очень важно для нас.