Найти в Дзене
Войти
1,0×
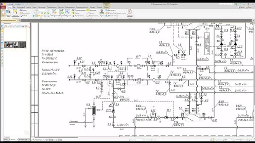
Разбор самой распространенной принципиальной схемы ИТП для теплоснабжения от ПАО "МОЭК"
2710 просмотров · 3 года назад
00:00
/
38:11
Проект И.Т.П
846 подписчиков
Подписаться
Хотите видеть больше публикаций по теме «Дизайн интерьера и ремонт»?
Давайте
Дизайн интерьера и ремонт
1,34 млн интересуются
Следить за темой
1914414622.1062.1779910129471.98760