Найти в Дзене
Ремонт и модернизация

Ремонт и модернизация

Ремонты, улучшения, реставрация, новая жизнь
подборка · 6 материалов
1 год назад
У меня - ВЕГА-ЭП-110. Вот такой проигрыватель я использую для прослушивания винила. Естественно он основательно подготовлен - в чем-то модернизирован, элементная база современная. Заменены провода в тонарме, полностью настроен. Обновлен корпус, установлена новая крышка. В сочетании с хорошим звукоснимателем все звучит очень даже не плохо. Единственное нанесены пока не все надписи. Думаю как нибудь напишу о том как я их делаю. Есть мысль полностью переделать систему управления и стабилизации скорости ЭП. Схемка разработана - ждем хорошего донора. Спрашиваете зачем? Просто этот вертак мне нравится. Простой и надежный.
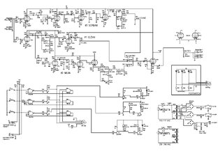
1115 читали · 2 года назад
Орфей 103. Вторая жизнь советского первоклассника. Часть 2.
Приветствую всех зашедших на "огонёк". В первой части статьи была установлена и устранена причина плавающих оборотов проигрывателя и нестабильной работы автостопа. По сути, была приведена в порядок вся электроника вертушки. В этой части займемся: 1. Стробоскоп Стробоскоп в проигрывателе реализован на лампе VL1 ИН-24 включенной через резистор R3 27К параллельно первичной обмотке трансформатора. Свечение этой лампы само по себе не яркое, а в купе с черными метками нанесенными на сером фоне диска это дает очень плохую видимость меток стробоскопа...
2283 читали · 2 года назад
Орфей 103. Вторая жизнь советского первоклассника. Часть I.
Привет всем постоянным читателям и случайно зашедшим в гости. О проигрывателях винила советского времени сейчас написано очень много, от справочных данных до различных усовершенствований и модификаций. Думаю, не буду углубляться во все это, кому интересно тот все найдет в сети и тем более не буду давать какие-то оценки этому аппарату. Просто, можете считать что от скуки попробуем оживить попавший мне в руки старенький Орфей 103. 1. Состояние пациента. 2. Возрождение с Реинкарнацией. 2...
3 года назад
Подарок другу вручен. Вот и пришел день рождения. Подарок, над которым так много работал вручен. УРА!!!. Нужно сказать, что он пришелся к стати. Буря восторга! Практически новый проигрыватель ВЕГА 109 стерео. Восстановлено ЛКП на проигрывателе и колонках, все что нужно заменено. Полностью переделана система управления двигателем. Все настройки, во всех режимах, выполнены. Очень приятно приносить кому-то радость, тем более если этот кто-то твой друг.
106 читали · 3 года назад
Новое "пальто" старого усилителя.
Здравствуйте друзья! Недавно принесли интересный экземпляр гитарной головы. Оригинальная конструкция неизвестного мастера видимо времен СССР или очень близких к этому. К сожалению все имеющиеся шильды повреждены временем(или условиями эксплуатации) так что определить кто и когда создавал этот шедевр весьма затруднительно. Из полу понятных надписей можно разобрать надпись на лицевой панели что-то вроде "LONGSOUND" и на печатной плате некачественно протравленная надпись Кажется "Binson". Я ранее...
3 года назад
Подарок другу. Давненько я ничего не писал. Но это не от того, что мне лень или еще чего, а потому что все время уходит на подготовку подарка ко дню рождения друга. Я являюсь большим поклонником музыки на "виниле" и, как-то, при очередной дружеской встрече, выяснилось, что друг мой очень не прочь приобщиться к этому. Идея подарка созрела сразу - виниловый проигрыватель! Сейчас выбор сих устройств огромен, но... Подарить дешевый - испортить начальные ощущения от прослушивания винила, дорогой - не всегда возможно, да и нужно ли для начала-то. Поскольку Друг является поклонником музыки детства(времен СССР) я решил подарить ему проигрыватель тех-же времен Вега 109 стерео - совсем не плохой, для начала, аппарат со всеми системами для прослушивания музыки на борту(УМ, предусилитель, корректор, колонки и т.д.). Естественно полностью подготовленный к эксплуатации - модернизированный. Вот на это занятие и уходит все время. Начал с восстановления акустических систем Вега 25АС-101. Это мытьё, чистка, восстановление геометрии корпуса,герметизация, ЛКП панелей, корпуса, приведение в порядок фильтров и т.д. Думаю нет смысла все это описывать в этом посте. Кому интересно, пишите в комментариях напишем отдельную статью. Хотя подобных работ в сети полно. А пока история в фото.