Найти в Дзене
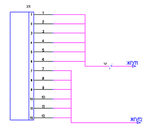
Жгутовые соединения

Жгутовые соединения

Создание жгутов в AutoCAD Electrical
подборка · 11 материалов
6 месяцев назад
Схема с двумя платами_V2
Еще один вариант создания схемы с двумя платами А1 и А2, на которых установлено по два разъема Х1 и Х2. Каждая плата – это родительский компонент, состоящий только из атрибутов. Прямоугольник контура платы создается командой AutoCAD и при необходимости легко редактируется. Каждый разъем – это дочерний компонент, которому назначается обозначение родительского компонента. В графику разъема включены номера выводов. Они были созданы однострочным текстом. Для отображения обозначения разъема используется атрибут DESC1 – Описание строка1...
6 месяцев назад
Схема с двумя платами
Имеется схема, состоящая из двух плат А1 и А2. На каждой плате установлено 2 разъема Х1 и Х2. Каждая плата – это родительский компонент, состоящий только из атрибутов. Прямоугольник контура платы создается командой AutoCAD и при необходимости легко редактируется. Каждый разъем – это дочерний компонент. Поз. обозначение разъема имеет следующий формат: поз. обозначение платы / поз...
6 месяцев назад
Схема системного блока
Для создания схемы системного блока предлагаю использовать следующие инструменты AutoCAD Electrical. Инструментом Конструктор графических образов создаем графический образ платы, который включает только атрибуты без графики, так как графика платы, в зависимости от количества размещенных на ней соединителей, разная. Средствами AutoCAD она дорисовывается после размещения всех соединителей. Инструментом Вставить соединитель размещаем соединители платы. Вводим значения в поля: «Промежуток между выводами», «Количество выводов», «Список выводов» (номер первого контакта)...
11 месяцев назад
Схемы соединения внешних проводок
Инструмент «ссылки – разветвители» AutoCAD Electrical может быть использован для создания схем соединения внешних проводок. Создаем проект и лист проекта, таблица с пояснительными надписями входит в шаблон чертежа. Графический образ датчика был создан заранее, поэтому командой Вставить компонент размещаем датчик. В данном случае датчик на схеме является «дочерним» компонентом, так как «родительский» компонент размещен на схеме автоматизации. Одинаковым позиционным обозначением дочерний компонент связан с родительским...
11 месяцев назад
Кабельные подключения
Если на схеме внешних проводок, выполненной средствами AutoCAD Electrical, размещены клеммы, и к ним подключены жилы кабелей, то по этим данным автоматически формируется документ проекта «Кабельные подключения». Имеется схема внешних проводок, на которой к клеммнику ХТ подключены жилы кабелей от шести датчиков с помощью источников / приемников разветвителей. Создаём новый лист проекта. Запускаем команду: Редактор на вкладке Монтажная панель. Выбираем клеммую колодку и нажимаем кнопку Правка. В диалоге...
11 месяцев назад
Проводки и кабельные подключения
Используя инструменты AutoCAD Electrical для работы с перекрестными ссылками, можно одновременно создавать схемы внешних проводок и кабельные подключения. Рассмотрим это на примере. На схеме внешних проводок: · Разместим на чертеже датчики · Построим от датчиков проводники · На проводниках разместим «Источники разветвителей входов», которые разделяют проводники на провода, подключенные к датчикам, и жгутовую (или кабельную) часть · Над «источниками – разветвителями» разместим жилы кабелей · Средствами AutoCAD «дорисуем» необходимую графику...