Добавить в корзинуПозвонить
Найти в Дзене
IC

Protis Electronic Limited :XHTuM3190 Isolated Error Amplifier

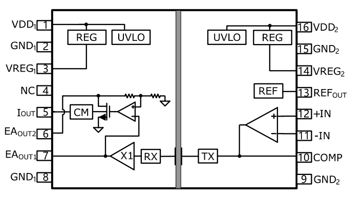
Introduction XHTuM3190 is a high reliability isolation error amplifier based on capacitive isolation technology, with a digital isolation channel, suitable for linear feedback power supplies. Compared with commonly used optocouplers and shunt regulators, the controller of XHTuM3190 can improve transient response, power density, and stability. XHTuM3190 supports voltage output and can also support current output compatible with optocouplers. Current transfer coefficient External resistor setting between EAOUT2 and VDD1 or VREG1. Packaging form: Plastic sealed SSOP16 Quality level: GJB7400 N1 level Feature Initial accuracy: 0.5% Isolation withstand voltage up to 3000VRMS Bandwidth: 400kHz Reference voltage: 1.225V High CMTI: 100kV/μ s Supports voltage output and current output low power consumption Functional Block Diagram The content is from the datasheet on the official website of Protis Electronic Limited. For more information, please visit the official website of Protis Electronic L

Introduction

XHTuM3190 is a high reliability isolation error amplifier based on capacitive isolation technology, with a digital isolation channel, suitable for linear feedback power supplies. Compared with commonly used optocouplers and shunt regulators, the controller of XHTuM3190 can improve transient response, power density, and stability.

XHTuM3190 supports voltage output and can also support current output compatible with optocouplers. Current transfer coefficient

External resistor setting between EAOUT2 and VDD1 or VREG1.

Packaging form: Plastic sealed SSOP16

Quality level: GJB7400 N1 level

Feature

Initial accuracy: 0.5%

Isolation withstand voltage up to 3000VRMS

Bandwidth: 400kHz

Reference voltage: 1.225V

High CMTI: 100kV/μ s

Supports voltage output and current output

low power consumption

Functional Block Diagram

The content is from the datasheet on the official website of Protis Electronic Limited.

For more information, please visit the official website of Protis Electronic Limited: https://ru.protis-ic.com/

Buy now, please contact us via email asst@protis-ic.com .