Добавить в корзинуПозвонить
Найти в Дзене
Konstruktivno

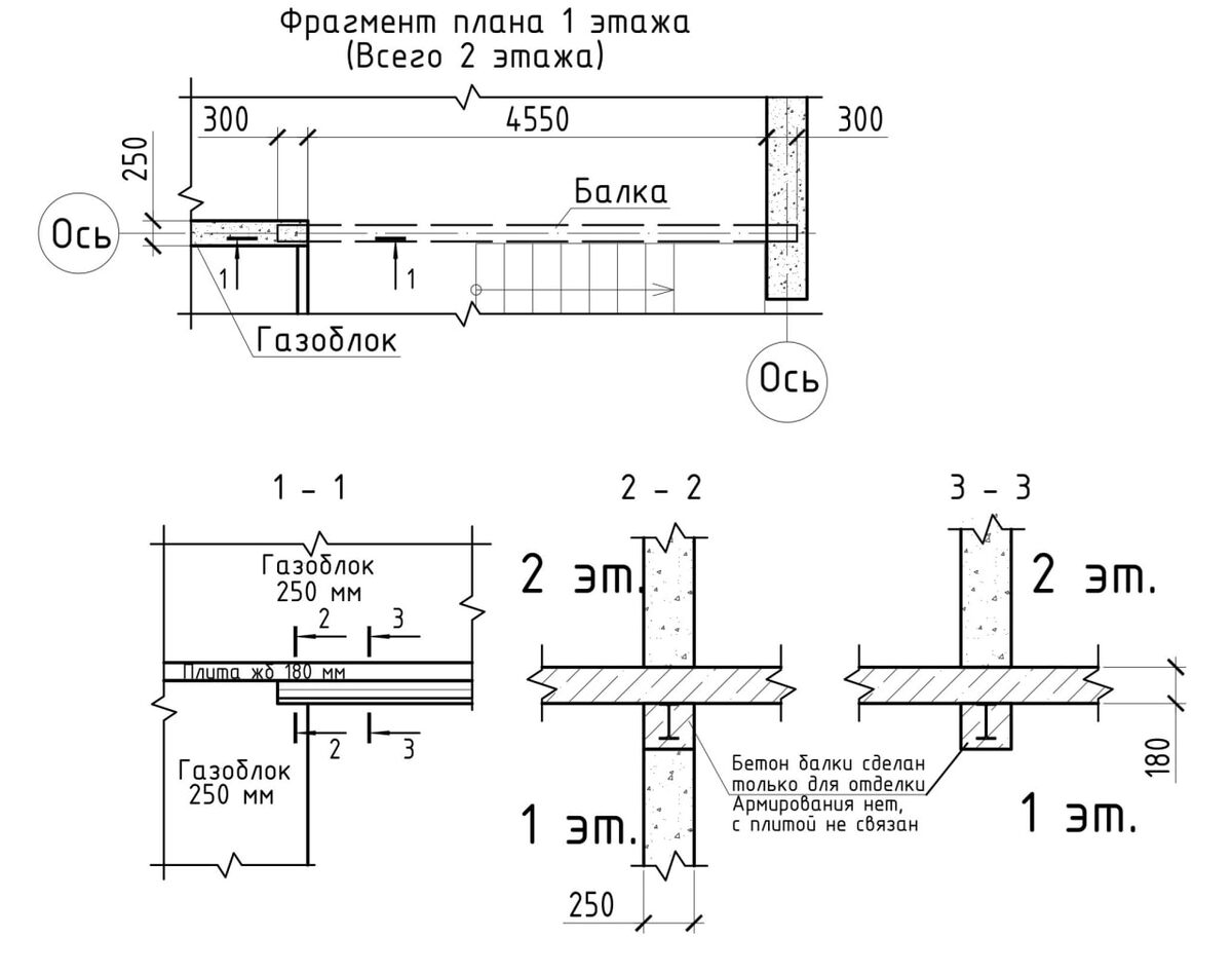
А теперь "практика" - случай из жизни

👆 Какие расчеты необходимо сделать для данной ситуации, чтобы удостоверится, что конструкция безопасна⁉️

А теперь "практика" - случай из жизни👆

Какие расчеты необходимо сделать для данной ситуации, чтобы удостоверится, что конструкция безопасна⁉️