Добавить в корзинуПозвонить
Найти в Дзене
МЕГАВОЛЬТ

Мощный вентилятор охлаждения на 12 В с термоуправлением.

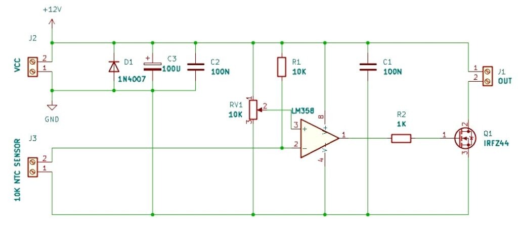
Вентиляторы применяются для отвода тепла в электронной аппаратуре, особенно в случаях, когда установка массивного радиатора невозможна или недостаточна. Применение активного охлаждения значительно повышает эффективность работы устройства, но постоянное вращение лопастей его не всегда нужно: это увеличивает уровень шума, снижает ресурс подшипников и расходует лишнюю энергию. Грамотнее включать вентилятор только при достижении определённой температуры, а при достаточном охлаждении — отключать. Представленная схема предназначена для управления мощными вентиляторами постоянного тока, питающимися от источника 12 В и потребляющими до 10 А. Порог срабатывания регулируется в широком диапазоне от 10 °C до 100 °C, что позволяет использовать её для самых разных применений — от охлаждения блоков питания и усилителей до управления вентиляцией в корпусах электроники или самодельных системах охлаждения. В основе схемы используется операционный усилитель LM358, работающий в режиме компаратора. Он сра

Вентиляторы применяются для отвода тепла в электронной аппаратуре, особенно в случаях, когда установка массивного радиатора невозможна или недостаточна. Применение активного охлаждения значительно повышает эффективность работы устройства, но постоянное вращение лопастей его не всегда нужно: это увеличивает уровень шума, снижает ресурс подшипников и расходует лишнюю энергию. Грамотнее включать вентилятор только при достижении определённой температуры, а при достаточном охлаждении — отключать.

Схема драйвера кулера с управлением по температуре

Представленная схема предназначена для управления мощными вентиляторами постоянного тока, питающимися от источника 12 В и потребляющими до 10 А. Порог срабатывания регулируется в широком диапазоне от 10 °C до 100 °C, что позволяет использовать её для самых разных применений — от охлаждения блоков питания и усилителей до управления вентиляцией в корпусах электроники или самодельных системах охлаждения.

-2

В основе схемы используется операционный усилитель LM358, работающий в режиме компаратора. Он сравнивает напряжение с делителя на термисторе с опорным уровнем, задаваемым потенциометром PR1. При превышении температуры установленного порога сопротивление термистора падает, и напряжение на его плече становится ниже опорного. Компаратор переключает транзистор T1, который замыкает цепь питания вентилятора. При остывании устройства и восстановлении исходных условий вентилятор отключается.

Чтобы исключить эффект частого включения-выключения вентилятора при колебаниях температуры около порога, в схему можно добавить резистор обратной связи или задать небольшой температурный гистерезис. Это обеспечит плавную работу и предотвратит излишний износ компонентов.
-3

Сборка осуществляется на печатной плате, при этом пайку, как обычно, начинают с резисторов и мелких элементов, а завершают установкой мощных деталей — транзистора с радиатором и клеммных разъёмов. Конструкция компактна и не требует сложной настройки — достаточно выставить порог включения потенциометром.

-4

Дополнительно стоит учитывать:

  • вентиляторы разных типов имеют различные токи пуска, которые могут кратковременно превышать номинал;
  • если устройство работает в закрытом корпусе, целесообразно разместить термистор ближе к наиболее нагреваемым элементам;
  • подбор сопротивлений позволяет адаптировать схему под вентиляторы с различной скоростью вращения и шумовыми характеристиками.

Такая система управления температурой улучшает надёжность работы аппаратуры, сокращает энергопотребление и продлевает срок службы как самих вентиляторов, так и охлаждаемого оборудования. Если нужна коммутация ещё большей мощности — используйте соответствующий MOSFET или ставьте реле.