Добавить в корзинуПозвонить
Найти в Дзене
PRACTICAL ELECTRONICS

Предварительный усилитель с регулировкой громкости, баланса и тембра (TDA1524+NE5532)

В публикации рассказано о стереофоническом бюджетном предварительном усилителе ЗЧ на базе специализированной микросхемы TDA1524. Разработка этой ИМС довольно старая, а из преимуществ стоит отметить, что настройка громкости, тембра и баланса осуществляется уровнями постоянного напряжения:
• не нужны дорогостоящие сдвоенные потенциометры с проблемами совпадения характеристик и появлением шорохов и тресков при регулировке. Их можно заменить обычными потенциометрами среднего качества;
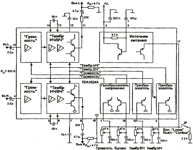
• управляющие сигналы подводятся обычными монтажными (неэкранированными) проводами. Ниже на рисунке показаны основные блоки, из которых состоит TDA1524. Поскольку эта микросхема предназначена для стереофонических систем, она содержит два одинаковых канала. На входе есть повторитель напряжения, обеспечивающий высокий входной импеданс. За ним следует регулируемый усилитель (максимальное усиление 21 дБ), в котором производится управление громкостью и балансом. Цепь ОС препятствует внутренней перегрузке. После
Оглавление

В публикации рассказано о стереофоническом бюджетном предварительном усилителе ЗЧ на базе специализированной микросхемы TDA1524. Разработка этой ИМС довольно старая, а из преимуществ стоит отметить, что настройка громкости, тембра и баланса осуществляется уровнями постоянного напряжения:
• не нужны дорогостоящие сдвоенные потенциометры с проблемами совпадения характеристик и появлением шорохов и тресков при регулировке. Их можно заменить обычными потенциометрами среднего качества;
• управляющие сигналы подводятся обычными монтажными (неэкранированными) проводами.

Ниже на рисунке показаны основные блоки, из которых состоит TDA1524. Поскольку эта микросхема предназначена для стереофонических систем, она содержит два одинаковых канала.

Блок схема

-2

На входе есть повторитель напряжения, обеспечивающий высокий входной импеданс. За ним следует регулируемый усилитель (максимальное усиление 21 дБ), в котором производится управление громкостью и балансом. Цепь ОС препятствует внутренней перегрузке.

После этого сигнал попадает на регулятор тембра НЧ, представляющий собой электронный потенциометр. Он осуществляет изменение тембра с помощью конденсатора, подключенного к выводам 5 и 6. При указанной на схеме емкости точка «-3 дБ» на АЧХ в области НЧ получается на частоте 400 Гц.

Разработчики предусмотрели в этом каскаде тонкомпенсированную регулировку громкости. В TDA1524 эта задача решается управлением регулятором тембра НЧ при регулировке громкости. В положении JP «Contour» частота 20 Гц поднимается на 6 дБ.

С регулятора тембра НЧ сигнал поступает на регулятор тембра ВЧ. Это также электронный потенциометр Подключаемый к выводу 7 ИМС конденсатор определяет точку излома частотной характеристики.

Изготовитель рекомендует емкость 15 нФ, что соответствует точке «-3 дБ» на частоте 3 кГц.

Выходной блок регулятора представляет собой инвертирующий операционный усилитель с внутренней обратной связью. Из таких блоков состоит каждый из каналов. В ИМС имеются также и другие блоки, общие для обоих каналов. Это блоки питания и управления электронными потенциометрами.

Внутренний блок питания снабжает током каскады ИМС, подавляет пульсации, а также обеспечивает внешние и внутренние опорные напряжения. Преобразователи управляющих напряжении принимают сигналы с внешних регулирующих потенциометров и передают их на электронные регуляторы. Основные параметры микросхемы можно посмотреть в «datasheet» производителя.

Схема электрическая

Схема электрическая принципиальная предварительного усилителя с регулировкой громкости, ба-ланса и тембра (TDA1524+NE5532)
Схема электрическая принципиальная предварительного усилителя с регулировкой громкости, ба-ланса и тембра (TDA1524+NE5532)

Технические характеристики

Напряжение питания, В – 12;
Потребляемый ток, мА – 50;
Диапазон регулировки громкости, дБ – -80...+21,5;
Диапазон регулировки тембра, дБ
на частоте 40 Гц – -19...+17;
на частоте 16 кГц – ±15;
Уровень гармонических искажений, не более,% – 0,3;
Максимальное усиление, дБ – 21;
Отношение сигнал/шум (Rвх=600 Ом, f=20…15000 Гц), дБ – 52;
Диафония (взаимопроникновение каналов), дБ – -60.

Работа схемы

Входные сигналы подаются на ИМС через разделительные конденсаторы C9 и C10. Из-за высокого входного импеданса их емкости не критичны: на схеме указаны значения, рекомендуемые изготовителем.

Регулировка громкости, тембра и баланса осуществляется потенциометрами с линейной функциональной характеристикой (группа «А») сопротивлением 50 кОм. Поскольку эти параметры изменяются внутренними электронными потенциометрами одновременно в обоих каналах, здесь не нужно использовать сдвоенные переменные резисторы.

Регулировка осуществляется с помощью постоянного напряжения на движке каждого потенциометра, которое зависит от его относительного поворота.

Поступающее с вывода 17 ИМС на регуляторы R11…R14 опорное напряжение устанавливает рабочие точки электронных потенциометров.

Конденсаторы С13, С14, С16, С17, подключенные к движкам потенциометров, устраняют помехи (шорохи), возникающие при регулировке. Конденсаторы С21 и С15 – частотнозависимые элементы контуров регулировки тембра ВЧ в обоих каналах, а С18 и С20, С23 и С24 входят в контур регулировки тембра НЧ.

Выходные сигналы снимаются через конденсаторы С26 и С27 с выводов 8 и 11 ИМС. Делители R21-R23 и R22-R24 нормируют выходные сигналы в обоих каналах так, чтобы при максимальном уровне не перегружались последующие каскады.

Поскольку усиления TDA1524 недостаточно для того, чтобы использовать ее для подключения устройств с малым уровнем сигнала, например, микрофона, в каждом из каналов предусмотрен дополнительный усилительный каскад на ОУ NE5532. Конденсаторы С4 и С5, включенные параллельно резисторам обратной связи, осуществляют высокочастотную коррекцию.

Таким образом, схема имеет четыре входа 2 – высокочувствительных («INLL», «INRL») и 2 – стандартных («INLH», «INRH»).

Чертёж печатной платы для схемы показана ниже.

Печатная плата для схемы предварительного усилителя с регулировкой громкости, баланса и тембра (TDA1524+NE5532)
Печатная плата для схемы предварительного усилителя с регулировкой громкости, баланса и тембра (TDA1524+NE5532)