Добавить в корзинуПозвонить
Найти в Дзене
PRACTICAL ELECTRONICS

Коммутация освещения двумя удалёнными выключателями

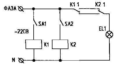
Идея схемы состоит в том, чтобы коммутировать освещение с помощью двух выключателей, удаленных друг от друга. Т.е. освещение горит тогда, когда только один из выключателей замкнут, но если же оба выключателя замкнуты или разомкнуты, то освещение не работает. По такому же алгоритму работают схемы, основой которых является логический элемент «исключающее или». Схема, собранная на двух электромагнитных реле представленная на рисунке внизу, не требует пояснений. Рассмотрим схему, где нет электромагнитного реле. Если в ней замкнут только один выключатель, например, SA1, то на конденсаторе С1 появляется напряжение, близкое к сетевому. При этом конденсатор С2 играет роль реактивного сопротивления, через которое ток подается на диодный мост VD1, а затем на светодиод оптопары DA1, диодный мост VD5 и управляющий электрод симистора VS1. Симистор открывается, и освещение работает. Схема электрическая Схема электрическая принципиальная коммутации освещения двумя удалёнными выключателями Если за

Идея схемы состоит в том, чтобы коммутировать освещение с помощью двух выключателей, удаленных друг от друга. Т.е. освещение горит тогда, когда только один из выключателей замкнут, но если же оба выключателя замкнуты или разомкнуты, то освещение не работает.

По такому же алгоритму работают схемы, основой которых является логический элемент «исключающее или».

Схема, собранная на двух электромагнитных реле представленная на рисунке внизу, не требует пояснений.

Рассмотрим схему, где нет электромагнитного реле. Если в ней замкнут только один выключатель, например, SA1, то на конденсаторе С1 появляется напряжение, близкое к сетевому. При этом конденсатор С2 играет роль реактивного сопротивления, через которое ток подается на диодный мост VD1, а затем на светодиод оптопары DA1, диодный мост VD5 и управляющий электрод симистора VS1. Симистор открывается, и освещение работает.

Схема электрическая

Схема электрическая принципиальная коммутации освещения двумя удалёнными выключателями
Схема электрическая принципиальная коммутации освещения двумя удалёнными выключателями

Если замкнуты оба выключателя, то равные напряжения, подающиеся на С1 и С2, вычитаются друг из друга, и светодиод в оптроне DA1 не работает. Он также не работает, если оба выключателя разомкнуты. В этих случаях освещение не работает.

В момент переключения выключателей резисторы R1 и R2 ограничивают ток, протекающий через конденсаторы С1 и С2, а диоды VD2...VD4 и R5 – ток через светодиод оптопары DA1. При нагрузке не более 100 Вт симистор VS1 можно использовать без теплоотвода.

Чтобы рассчитать ток, протекающий через конденсаторы С1 и С2, когда включен один из выключателей, можно пренебречь сопротивлениями R1 и R2, падением напряжения на диодном мосте VD1 и воспользоваться эквивалентной схемой, приведенной ниже.

-3

Эффективное значение тока, протекающего через каждый конденсатор:

-4