Добавить в корзинуПозвонить
Найти в Дзене
PRACTICAL ELECTRONICS

Выпрямитель с «вольт-добавкой»

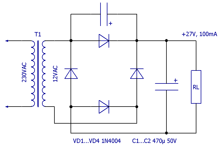
Бывает так, что напряжения, которое получается на выходе выпрямителя (диодного моста), не хватает, и его необходимо увеличить. Для этой цели в большинстве случаев применяют схемы умножителей напряжения. Недостатки таких схем известны: низкий КПД и большое внутреннее сопротивление. В этой публикации предложен ряд схемных решений для повышения выходного напряжения выпрямителя. Все приведённые ниже схемы испытывались с 12-ти вольтовым (вторичная обмотка) трансформатором и состоят из однотипных радиоэлементов и включались с одинаковым током в нагрузки, для объективного сравнения. Хороший эффект можно получить при использовании конденсатора «вольт-добавки». Он повышает напряжение, и дополнительно подавляет пульсации выпрямленного напряжения. Конденсатор повышает выходное напряжение примерно в 1,5...3 раза (зависит от тока нагрузки). При повторении схемы, следует учесть, что конденсаторы должны иметь рабочее напряжение в 2...3 раза выше, чем выпрямленное (на холостом ходу напряжение сильно

Бывает так, что напряжения, которое получается на выходе выпрямителя (диодного моста), не хватает, и его необходимо увеличить. Для этой цели в большинстве случаев применяют схемы умножителей напряжения. Недостатки таких схем известны: низкий КПД и большое внутреннее сопротивление.

В этой публикации предложен ряд схемных решений для повышения выходного напряжения выпрямителя. Все приведённые ниже схемы испытывались с 12-ти вольтовым (вторичная обмотка) трансформатором и состоят из однотипных радиоэлементов и включались с одинаковым током в нагрузки, для объективного сравнения.

Хороший эффект можно получить при использовании конденсатора «вольт-добавки». Он повышает напряжение, и дополнительно подавляет пульсации выпрямленного напряжения.

Конденсатор повышает выходное напряжение примерно в 1,5...3 раза (зависит от тока нагрузки). При повторении схемы, следует учесть, что конденсаторы должны иметь рабочее напряжение в 2...3 раза выше, чем выпрямленное (на холостом ходу напряжение сильно возрастает). Чем больше емкость конденсаторов, тем больше выходное напряжение и меньше пульсации.

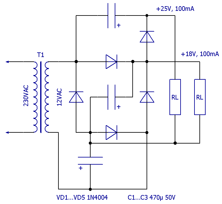
При подключении ещё одного диода и конденсатора, можно получить отдельный умножитель напряжения, например, для питания реле и других маломощных цепей.

-2

Еще больше повысить выходное напряжение можно, подключив еще одну умножающую цепь.

-3