Добавить в корзинуПозвонить
Найти в Дзене

Локальная автоматика для тепловентилятора

Автор: Шишкин Сергей В данной публикации автор представляет системы локальной автоматизации для тепловентиляторов (электрических тепловых пушек). Приводит технические решения для разных применений тепловентиляторов на базе серийных модулей локальной автоматики и на микроконтроллерах семейства AVR. В настоящее время на рынке теплового отопительного оборудования электрические тепловентиляторы (тепловые пушки или теплонагреватели, далее ТП) являются одним из самых распространённых вариантов. ТП формируют направленный тепловой поток, который за счёт встроенного вентилятора быстро распространяется по помещению. Тепловые пушки используются практически везде, где необходимо обеспечить быстрый обогрев пространства и поддерживать температуру воздуха в течение длительного периода времени. ТП широко применяются в строительстве, в промышленности (как исполнительный элемент в автоматизированных системах управления технологического процесса АСУ ТП), в сельском хозяйстве, при обогреве складских помещ
Оглавление

Автор: Шишкин Сергей

В данной публикации автор представляет системы локальной автоматизации для тепловентиляторов (электрических тепловых пушек). Приводит технические решения для разных применений тепловентиляторов на базе серийных модулей локальной автоматики и на микроконтроллерах семейства AVR.

Введение

В настоящее время на рынке теплового отопительного оборудования электрические тепловентиляторы (тепловые пушки или теплонагреватели, далее ТП) являются одним из самых распространённых вариантов. ТП формируют направленный тепловой поток, который за счёт встроенного вентилятора быстро распространяется по помещению. Тепловые пушки используются практически везде, где необходимо обеспечить быстрый обогрев пространства и поддерживать температуру воздуха в течение длительного периода времени.

ТП широко применяются в строительстве, в промышленности (как исполнительный элемент в автоматизированных системах управления технологического процесса АСУ ТП), в сельском хозяйстве, при обогреве складских помещений, в быту. Их применяют часто как устройства дополнительного локального теплоснабжения. Автор сам не раз прибегал к помощи ТП для обогрева теплицы при возвратных заморозках.

Основные преимущества применения электрических ТП.

  • Во время работы нет вредных выбросов от сгорания топлива. Он практически не сжигает кислород. Отсутствие пламени делает агрегат пожаробезопасным.
  • Простая эксплуатация – электрическое отопительное оборудование не требует специальной установки, особых условий, например, вентиляции или монтажа дымохода. Достаточно подключить прибор к сети с соответствующим напряжением.
  • Компактность – независимо от того, цилиндрическая или прямоугольная форма у корпуса ТП, она имеет небольшие габариты по сравнению с газовыми или дизельными моделями.
  • Относительно тихая работа – во время эксплуатации ТП нет раздражающего шума. Уровень звука обычно не превышает порядка 40 дБ.

Современные электрические тепловые пушки подразделяются на две категории: бытовые и промышленные.

Основным различием между ними выступает температура, до которой способен разогреться нагревательный элемент, а также скорость подачи воздуха. У моделей промышленных ТП значения этих параметров существенно выше бытовых. Мощность промышленных ТП может составлять несколько десятков кВт с питанием от трёхфазной сети напряжением 380 В. Внешний вид тепловентилятора типа КЭВ-12С40Е представлен на рис. 1.

Рис. 1. Внешний вид тепловентилятора КЭВ-12С40Е
Рис. 1. Внешний вид тепловентилятора КЭВ-12С40Е

В иерархии систем управления локальные системы занимают нижний уровень, однако они выполняют очень ответственные функции по управлению исполнительными устройствами, осуществляющими непосредственное управление и регулирование производственных процессов. Применение локальной автоматики для ТП как отдельной единицы оборудования позволяет значительно расширить его функциональные возможности. Среди основных российских производителей элементов локальной автоматики можно выделить ЗАО «Меандр», г. Санкт-Петербург; ГК «Теплоприбор», г. Москва; ОВЕН, г. Москва.

Циклическое включение/выключение ТП с задержкой выключения вентилятора

Циклический режим применим там, где не нужно поддерживать точную температуру, например, в строительном вагончике или для обогрева фермы или теплицы. Достаточно «на глаз» выставить интервалы включения и выключения ТП, а впоследствии, ориентируясь на термометр внутри помещения (внутри обогреваемого объёма), увеличивать или уменьшать один из интервалов.

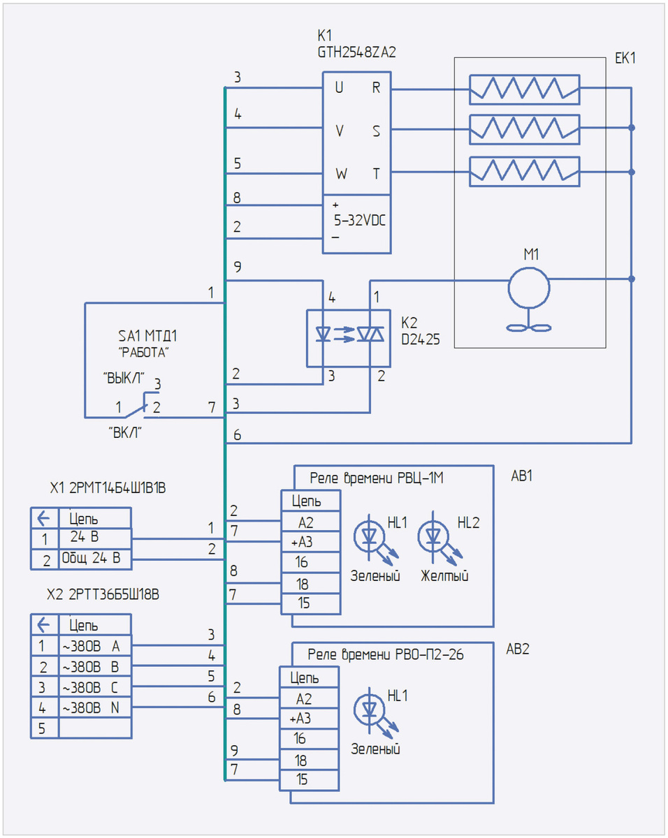
На рис. 2 представлена принципиальная схема устройства, которое реализует циклический режим работы ТП с задержкой выключения вентилятора.

Рис. 2. Принципиальная схема устройства на базе реле времени РВЦ-1М и РВО-П2-26 для работы ТП в циклическом режиме, с задержкой выключения вентилятора
Рис. 2. Принципиальная схема устройства на базе реле времени РВЦ-1М и РВО-П2-26 для работы ТП в циклическом режиме, с задержкой выключения вентилятора

Конструктивно мощные ТП состоят из электронагревателя (нагревательного элемента) и вентилятора. При выключении, во избежание нагрева корпуса и выхода из строя находящихся на нём элементов управления, необходимо сначала выключить электронагреватель, а потом, с некоторой задержкой, вентилятор. То есть после выключения электронагревателя производится его обдув до тех пор, пока температура на выходе тепловой пушки не снизится до безопасного значения. Понятно, что требуемая задержка выключения вентилятора зависит от технических характеристик ТП (мощность, производительность, габаритные размеры и т.д.). Устройство реализовано на базе реле времени РВЦ-1М и РВО-1М. Внешний вид реле времени РВЦ-1М, РВО-П2-26 представлен на рис. 3.

Рис. 3. а) внешний вид реле времени РВЦ-1М, б) внешний вид реле времени РВО-П2-26
Рис. 3. а) внешний вид реле времени РВЦ-1М, б) внешний вид реле времени РВО-П2-26

Реле времени РВЦ-1М (далее реле) предназначено для коммутации электрических цепей в циклическом режиме работы с предварительно установленными выдержками времени (паузы и импульса). Реле времени РВО-П2-26 (далее реле) предназначено для формирования задержки на включение (выключение) исполнительного реле, после снятия напряжения питания, на предварительно установленную выдержку времени. В табл. 1 представлены основные технические характеристики РВО-П2-26 и РВЦ-1М.

Таблица 1. Основные технические характеристики РВО-П2-26 и РВЦ-1М
Таблица 1. Основные технические характеристики РВО-П2-26 и РВЦ-1М

Более подробно работа и технические характеристики РВЦ-1М и РВО-П2-26 приведены соответственно в [1] и [2]. Номера диаграмм для РВЦ-1М и РВО-П2-26 приводятся по внутрифирменной классификации ЗАО «МЕАНДР». В устройстве для реле РВЦ-1М необходимо выбрать диаграмму № 8. Для реле РВО-П2-26 необходимо выбрать диаграмму № 26. На боковой стороне реле РВЦ-1М расположен DIP-переключатель. В данном DIP-переключателе: микропереключателями 1, 2, 3 задаётся время паузы; микропереключателями 4, 5, 6 задаётся время импульса; микропереключателями 7, 8 задаётся диаграмма работы. РВЦ-1М имеет 8 поддиапазонов выдержки времени. Задание требуемой выдержки в выбранном диапазоне устанавливается поворотным переключателем, расположенным на лицевой панели в пересчёте на временно́й диапазон, выбранный DIP-переключателем. Смена диаграммы работы и множителей возможна только после снятия напряжения питания.

На лицевой панели реле РВО-П2-26 расположены: два кнопочных переключателя установки выдержки времени (t), значения единиц 0–9 и десятков 0–9, поворотный переключатель «МНОЖ.» для выбора диаграммы работы и временно́го диапазона, зелёный индикатор включения питания «U». Диаграмма работы и диапазон выдержки времени выбирается переключателем «МНОЖ.». Для каждой диаграммы можно выбрать один из трёх диапазонов выдержки времени. Требуемая выдержка времени «t» выключения вентилятора в тепловентиляторе определяется путём умножения числового значения, установленного на переключателях «единицы» и «десятки», на множитель соответствующего диапазона. Диаграмма работы № 8 для реле РВЦ-1М и положение микропереключателей 7, 8 для диаграммы № 8, а также диаграмма работы № 26 для реле РВО-П2-26 приведены на рис. 4.

Рис. 4. Диаграммы работ устройства
Рис. 4. Диаграммы работ устройства

С применением элементов локальной автоматики все временны́е интервалы можно изменить под работу конкретного ТП и условия его работы.

Функциональный узел временно́й задержки выключения вентилятора на микроконтроллере AVR

Принципиальная схема реле времени для задержки выключения вентиляторов в ТП на базе микроконтроллера ATINY2313 представлена на рис. 5.

Рис. 5. Принципиальная схема реле времени для задержки выключения вентиляторов в ТП на базе микроконтроллера ATINY2313
Рис. 5. Принципиальная схема реле времени для задержки выключения вентиляторов в ТП на базе микроконтроллера ATINY2313

Фактически устройство представляет собой таймер с обратным отсчётом времени для выключения вентилятора в ТП. Предлагаемый вариант реле времени реализует временну́ю задержку от 1 до 999 секунд. Устройство имеет следующие функции:

  • визуальный контроль и задание временно́го интервала на выключение вентилятора с помощью кнопок с контролем по цифровому дисплею;
  • управление (включение/выключение) с клавиатуры устройства или дистанционно;
  • светодиодная индикация выходных каналов;
  • декремент заданного временно́го интервала во время обратного отсчёта при выключении ТП.

Канал управления тепловентилятором (канал управления № 1) собран на твердотельном реле К1. Данный канал управляется с вывода 8 микроконтроллера DD1. Канал управления вентилятором (канал управления № 2) собран на твердотельном реле К2. Канал управляется с вывода 9 микроконтроллера DD1. В интерфейс реле времени входят клавиатура (кнопки S1–S3) и блок индикации (дисплей) из трёх цифровых семисегментных индикаторов H1–HG3. Кнопки клавиатуры имеют следующее назначение:

S1 ( Δ ) – увеличение на единицу значения при установке времени в секундах), при удержании данной кнопки в нажатом состоянии более 3 секунд значение времени, индицируемое на дисплее, увеличивается на 5 единиц за 1 секунду;

S2 ( ∇ ) – уменьшение на единицу значения каждого при установке времени в секундах, соответственно при удержании данной кнопки в нажатом состоянии более 3 секунд значение времени, индицируемое на дисплее, уменьшается на 5 единиц за 1 секунду;

S3 ( C ) – кнопка включения/выключения реле времени;

S4 – внешняя кнопка (по отношению к реле времени) дистанционного управления, по функциональному назначению данная кнопка аналогична кнопке S3.

Разряды индикации интерфейса имеют следующее назначение:

  • 1 разряд (индикатор НG3) отображает единицы секунд;
  • 2 разряд (индикатор НG2) отображает десятки секунд;
  • 3 разряд (индикатор НG1) отображает сотни секунд.

Сразу после подачи питания на выводе 1 микроконтроллера DD1 через RC-цепь (резистор R2, конденсатор С3) формируется сигнал системного аппаратного сброса микроконтроллера DD1. В микроконтроллере инициализируются регистры, счётчики, стек, таймер Т/С1, сторожевой таймер, порты ввода/вывода, на дисплее индицируется число 001. Кнопка S4 подключается через соединитель Х4 (контакты 1, 2) и подключает вывод 11 микроконтроллера DD1 к общему проводнику. Однофазный тепловентилятор со встроенным вентилятором подключается к соединителю Х2. Сетевое напряжение ~220 В поступает на устройство через соединитель Х1.

Алгоритм работы реле времени в рабочем цикле следующий. После инициализации на выводах 8, 9 микроконтроллера устанавливаются сигналы уровня лог. 1 (каналы № 1 и № 2 отключены). Далее кнопками S1, S2 необходимо задать временну́ю задержку на выключение ∆Т канала № 2, заданное значение индицируется на дисплее. При включении реле времени кнопкой S3 (S4) сразу включаются каналы управления № 1 и № 2 (устанавливается лог. 0 на выводах 8 и 9 микроконтроллера DD1). То есть электронагреватель и вентилятор в тепловой пушке включаются одновременно. При выключении реле времени кнопкой S3 (S4) сразу выключается канал управления № 1 (устанавливается лог. 1 на выводе 8 микроконтроллера DD1, нагреватель в ТП выключается), на дисплее индицируется временна́я задержка ∆Т. Заданное время ∆Т декрементируется с каждой секундой. И как только оно станет равным нулю, выключается канал управления № 2 (устанавливается лог. 1 на выводе 9 микроконтроллера DD1 – вентилятор выключается). На дисплее снова индицируется заданное значение ∆Т. Цикл завершён. ∆Т задаётся в диапазоне от 1 до 999 секунд с дискретностью задания 1 секунда.

Функциональный узел циклического включения/выключения ТП на базе микроконтроллера AVR

Принципиальная схема устройства для циклического включения/выключения ТП на базе микроконтроллера ATINY2313 представлена на рис. 6.

Рис. 6. Реле времени для циклического включения/выключения ТП на базе микроконтроллера ATINY2313
Рис. 6. Реле времени для циклического включения/выключения ТП на базе микроконтроллера ATINY2313

К соединителю Х1 подключается однофазный маломощный ТП. Временна́я диаграмма рабочего цикла реле времени в рабочем режиме приведена на рис. 7.

Рис. 7. Временна́я диаграмма рабочего цикла реле времени в рабочем режиме
Рис. 7. Временна́я диаграмма рабочего цикла реле времени в рабочем режиме

В устройстве предусмотрено два режима работы: режим задания параметров – режим № 1 и рабочий режим – режим № 2. В режиме № 1 с клавиатуры устройства задаются значения интервалов включения Т1 и выключения Т2. В режиме № 1 запрещён отсчёт времени. Твердотельное реле К1 закрыто, ТП, подключаемый к соединителю Х1 устройства, отключён от сетевого напряжения. В устройстве предусмотрено задание интервалов Т1 и Т2, как в минутах, так и в секундах в диапазоне от 999 до 1, с дискретностью 1. Визуально интервалы Т1 и Т2 поочерёдно можно контролировать на трёхразрядном дисплее.

В режиме № 2 (рабочий режим) идёт обратный отсчёт заданных интервалов Т1 и Т2 в рабочем цикле. В интервале времени Т2 твердотельное реле К1 закрыто, ТП отключён от сетевого напряжения. В интервале времени Т1 твердотельное реле К1 открыто, ТП подключён к сетевому напряжению. С периодичностью один раз в секунду мигает точка h индикатора HG3.

Канал управления нагрузкой собран на твердотельном реле K1. Канал управляется с вывода 11 микроконтроллера DD1. С порта РВ микроконтроллер DD1 управляет клавиатурой (кнопки S1–S8) и динамической индикацией. Динамическая индикация собрана на транзисторах VT1–VT3 и цифровых семисегментных индикаторах HG1–HG3. Резисторы R5–R12 токоограничительные для сегментов индикаторов HG1–HG3. Коды для включения индикаторов HG1-HG3 при функционировании динамической индикации поступают на вход PВ микроконтроллера DD1. Для функционирования клавиатуры задействован вывод 7 микроконтроллера DD1.

Интерфейс управления и контроля устройства содержит клавиатуру (кнопки S1–S8) и блок индикации (дисплей) из трёх цифровых семисегментных индикаторов HG1–HG3, индикаторы HL1, HL2, лампочку Н1. Элементы интерфейса управления и контроля имеют следующее назначение:

S1 ( Δ ) – увеличение на единицу значения, индицируемого на дисплее, при установке времени в минутах (секундах), при удержании данной кнопки в нажатом состоянии более 5 секунд значение времени, индицируемое на дисплее, увеличивается на 5 единиц за 1 секунду;

S2 ( ∇ ) – уменьшение на единицу значения, индицируемого на дисплее, при установке времени в минутах (секундах), соответственно при удержании данной кнопки в нажатом состоянии более 5 секунд значение времени, индицируемое на дисплее, уменьшается на 5 единиц за 1 секунду;

S3 ( C ) – (Старт/стоп). Кнопка запуска/останова устройства в режиме № 2. В рабочем цикле (который периодически повторяется) идёт обратный отсчёт заданных интервалов времени Т1 и Т2, с первым нажатием данной кнопки нагрузка подключается к сетевому напряжению, идёт обратный отсчёт заданного интервала Т1;

S4 ( Р ) – (Режим). Кнопка выбора режима работы: режим № 1 или режим № 2;

S5 ( В1 ) – (Выбор). Кнопка выбора интервалов Т1 или Т2;

S6 ( В2 ) – (Выбор). Кнопка выбора временно́го режима работы: минуты или секунды. В режиме минуты включён сегмент h индикатора HG2. В режиме секунды – сегмент h индикатора HG2 выключен;

S7 ( О ) – (Обнуление). Кнопка экстренного обнуления заданных параметров Т1 и Т2 и выключения нагрузки;

S8 ( В3 ) – (Вкл/Выкл). Кнопка принудительного (ручного) включения/выключения нагрузки, вне зависимости от того, в каком режиме находится устройство, каждое нажатие данной кнопки меняет состояние нагрузки на противоположное. Данная кнопка необходима для проверки работоспособности канала управления нагрузкой, а также для включения нагрузки в режиме № 2 в интервал времени Т2;

HL1 – индикатор режима работы устройства: HL1 горит – режим № 2, HL1 погашен – режим № 1;

HL2 – индикатор интервалов Т1 и Т2. Если HL1 горит, то на дисплее индицируется интервал Т1, если HL1 погашен, то на дисплее индицируется интервал Т2.

Разряды индикации интерфейса имеют следующее назначение:

1 разряд (индикатор НG3) отображает единицы минут (единицы секунд) интервалов Т1 и Т2;

2 разряд (индикатор НG2) отображает десятки минут (десятки секунд) интервалов Т1 и Т2;

3 разряд (индикатор НG1) отображает сотни минут (сотни секунд) интервалов Т1 и Т2. Лампочка Н1 позволяет визуально контролировать факт подключения ТП к сетевому напряжению. Чтобы запустить устройство, необходимо задать интервалы Т1, Т2, перевести его в режим № 2 и нажать кнопку S3 ( C ) или S4. В режиме 2 точка h индикатора HG3 мигает периодически, один раз в секунду.

Контроль и поддержание заданной температуры

Контроль и поддержание заданной температуры – классическая задача в АСУ ТП, где как исполнительный элемент может быть задействован тепловентилятор. Есть огромное множество задач, в которых заданная температура должна поддерживаться определённое время. Для решения таких задач, как правило, применяются программные терморегуляторы (или измерители-регуляторы). Но в некоторых случаях может оказаться более «красивым» или более дешёвым применение обычного термореле и реле времени. Принципиальная схема устройства для контроля и поддержания температуры на базе термореле ТР-М02 (далее ТР-М02) и реле времени РВО-П2-26 представлена на рис. 8.

Рис. 8. Принципиальная схема устройства на базе термореле ТР-М02 и реле времени РВО-П2-26
Рис. 8. Принципиальная схема устройства на базе термореле ТР-М02 и реле времени РВО-П2-26

Внешний вид ТР-М02 с датчиком температуры ТД-2 представлен на рис. 9.

Рис. 9. Внешний вид ТР-М02 с датчиком температуры ТД-2
Рис. 9. Внешний вид ТР-М02 с датчиком температуры ТД-2

В табл. 2 представлены основные технические характеристики ТР-М02.

Таблица 2. Основные технические характеристики ТР-М02
Таблица 2. Основные технические характеристики ТР-М02

Более подробно работа и технические характеристики ТР-М02 приведены в [3]. Реле ТР-М02 предназначено для контроля и поддержания заданного температурного режима по сигналам датчика температуры, выполненного на базе микросхемы DS18B20 Dallas Semiconductor (Maxim). В ТР-М02 при нажатии кнопки «+» на индикаторе отображается значение температуры порога ON. При нажатии кнопки «–» на индикаторе отображается значение температуры порога OFF. Температурное реле поставляется в комплекте с датчиками ТД-2 или ТД-3, в состав которых и входит DS18B20. Временна́я диаграмма рабочего цикла устройства в рабочем режиме приведена на рис. 10.

Рис. 10. Временна́я диаграмма рабочего цикла устройства
Рис. 10. Временна́я диаграмма рабочего цикла устройства

Реле времени РВО-П2-26 отключает вентилятор М1 в тепловентиляторе с установленной задержкой tз. Следует отметить, что РВО-П2-26 может работать и в режиме охлаждения. Перевести его в данный режим из режима нагрева или наоборот совсем нетрудно при помощи двух кнопок интерфейса управления.

Удалённое управление с помощью GSM-контроллера

Управлять ТП (включить/выключить) можно и удалённо с помощью GSM-контроллера (контроллер-реле). Например, таких как RTU5024, КСИТАЛ GSM и пр. На рис. 11 приведён внешний вид GSM-контроллера RTU5024.

Рис. 11. Внешний вид GSM-контроллера RTU5024
Рис. 11. Внешний вид GSM-контроллера RTU5024

В табл. 3 представлены основные технические характеристики RTU5024.

Таблица 3. Основные технические характеристики контроллера RTU5024
Таблица 3. Основные технические характеристики контроллера RTU5024

На рис. 12 показан фрагмент принципиальной схемы подключения клемм Relay Out GSM-контроллера к тумблеру SA1 «Работа». Данный тумблер задействован в устройствах, приведённых на рис. 2 и 8.

Рис. 12. Фрагмент принципиальной схемы подключения клемм Relay Out GSM- контроллера в устройстве для удалённого управления
Рис. 12. Фрагмент принципиальной схемы подключения клемм Relay Out GSM- контроллера в устройстве для удалённого управления

Клеммы Relay Out GSM-контроллера подключены параллельно контактам SA1. То есть реализована возможность как ручного управления тумблером SA1, так и с помощью RTU5024.

RTU5024 – устройство, которое реализует удалённое управление (включить/выключить) различного оборудования по бесплатному звонку с мобильного телефона. После установки SIM-карты в RTU5024 необходимо выполнить процедуру установки и настройки устройства, которая заключается в смене пароля и в настройках функций управления.

Заключение

Несмотря на всё большее распространение более интеллектуальных устройств, рынок модулей локальной автоматизации с несложным алгоритмом работы по-прежнему обширен.

Для решения сравнительно несложных задач для управления ТП в АСУ ТП или в быту вполне оправдано применение таких электронных компонентов локальной автоматизации, как реле времени, реле температуры, GSM контроллер-реле и пр. Устройства управления (блоки управления) на базе вышеуказанных электронных компонентов отличает несложный интерфейс управления, ремонтопригодность, удобная эксплуатация и обслуживание. Локальная автоматизация ТП – это минимальная инвестиция, расширяющая возможности ТП в новом или уже реализованном проектах. Применение элементов локальной автоматики для управления ТП значительно увеличивает функцио­нальные возможности последних. Если вскрыть корпуса отечественных модулей локальной автоматики, то можно обнаружить, что многие из них выполнены на микроконтроллерах (семейства PIC, AVR и др.). То есть в некоторых случаях в целях унификации при разработке блоков управления для конкретной АСУ ТП у конструктора есть выбор – либо купить готовые модули, либо разработать функциональные узлы на той же элементной базе.

Литература

  1. Реле времени РВЦ-1М ТУ 3425−003−31928807−2014. Руководство по эксплуатации.
  2. Реле времени РВО-П2-26 ТУ 3425−003−31928807−2014. Руководство по эксплуатации
  3. Термореле ТР-М02 ТУ 3425−003−31928807−2014. Руководство по эксплуатации.

© СТА-ПРЕСС, 2025