Добавить в корзинуПозвонить
Найти в Дзене
Старые схемы...

Измерение скорости вращения вентилятора.

Данный способ измерения скорости пригоден для вентиляторов с тремя выводами. Если у вентилятора провода одного цвета, определить нужные контакты очень просто. Для измерения потребуется мультиметр с функцией измерения частоты. За один оборот вентилятора на выводе контроля скорости выдаются два импульса. Рассчитать скорость вращения можно по простой формуле. Схема подключения мультиметра к вентилятору. Некоторые мультиметры могут измерять частоту без разделительного конденсатора. Емкость конденсатора и сопротивление резистора можно менять в широких пределах. Например, емкость конденсатора можно уменьшить до 0,1 мкФ, а сопротивление можно увеличить до 51 кОм. Пример расчета скорости.
Фото 1.
Фото 1.

Данный способ измерения скорости пригоден для вентиляторов с тремя выводами.

Фото 2.
Фото 2.

Если у вентилятора провода одного цвета, определить нужные контакты очень просто.

Фото 3.
Фото 3.

Для измерения потребуется мультиметр с функцией измерения частоты.

Рисунок 1.
Рисунок 1.

За один оборот вентилятора на выводе контроля скорости выдаются два импульса. Рассчитать скорость вращения можно по простой формуле.

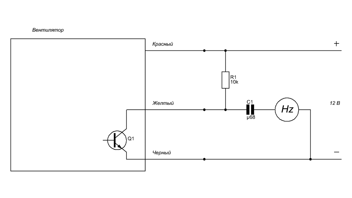
Рисунок 2.
Рисунок 2.

Схема подключения мультиметра к вентилятору. Некоторые мультиметры могут измерять частоту без разделительного конденсатора. Емкость конденсатора и сопротивление резистора можно менять в широких пределах. Например, емкость конденсатора можно уменьшить до 0,1 мкФ, а сопротивление можно увеличить до 51 кОм.

Фото 4.
Фото 4.

Пример расчета скорости.