Добавить в корзинуПозвонить
Найти в Дзене
Электроника, AVR, STM, PIC

Однокаскадный усилитель ЗЧ

Это простейшая конструкция, позволяющая продемонстрировать усилительные способности транзистора, однако коэффициент усиления по напряжению невелик - он не превышает 6, поэтому сфера применения такого устройства ограничена.
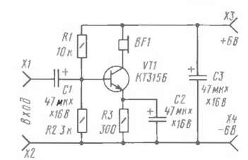
Тем не менее, его можно подключить, скажем, к детекторному радиоприемнику (он должен быть подключен к резистору 10 Ком) и слушать передачи местной радиостанции с помощью головного телефона BF1.
Усиленный сигнал подается на входные разъемы X1, X2, а напряжение питания (как и во всех других конструкциях этого автора, оно составляет 6 В - четыре гальванических элемента напряжением 1,5 В, соединенных последовательно) подается на разъемы XS, X4.
Делитель R1R2 устанавливает напряжение смещения на основе транзистора, а резистор R3 обеспечивает обратную связь по току, что способствует стабилизации температуры усилителя. Как работает стабилизация? Предположим, что ток коллектора транзистора увеличился под воздействием температуры, соответственно увеличится падение напряжен

Это простейшая конструкция, позволяющая продемонстрировать усилительные способности транзистора, однако коэффициент усиления по напряжению невелик - он не превышает 6, поэтому сфера применения такого устройства ограничена.

Тем не менее, его можно подключить, скажем, к детекторному радиоприемнику (он должен быть подключен к резистору 10 Ком) и слушать передачи местной радиостанции с помощью головного телефона BF1.

Усиленный сигнал подается на входные разъемы X1, X2, а напряжение питания (как и во всех других конструкциях этого автора, оно составляет 6 В - четыре гальванических элемента напряжением 1,5 В, соединенных последовательно) подается на разъемы XS, X4.

Делитель R1R2 устанавливает напряжение смещения на основе транзистора, а резистор R3 обеспечивает обратную связь по току, что способствует стабилизации температуры усилителя.

Рис. 1. Схема однокаскадного усилителя ЗЧ на транзисторе.
Рис. 1. Схема однокаскадного усилителя ЗЧ на транзисторе.

Как работает стабилизация? Предположим, что ток коллектора транзистора увеличился под воздействием температуры, соответственно увеличится падение напряжения на резисторе R3. В результате ток эмиттера уменьшится, а значит, ток коллектора достигнет своего первоначального значения.

Нагрузкой усилительного каскада является головной телефон с сопротивлением 60..100 Ом. Проверить работу усилителя несложно, нужно прикоснуться пинцетом к входному разъему X1, например, в телефоне должно быть слышно слабое жужжание, как результат переключения тока. Ток коллектора транзистора составляет около 3 мА.