Добавить в корзинуПозвонить
Найти в Дзене
И+Р

Ламповый гибридный усилитель для наушников в качестве подарка на Новый год

Всех с наступившим, уже совершенно новым, поблескивающим гранями подарков и елочными игрушками, 2024 годом! К сожалению, злоба "щирых" не кончается, и нет ей конца и края..., и уже не о мире идет речь, но только о нашей Победе! Быть тому! В качестве новогоднего подарка сыну решил собрать ламповый гибридный усилитель Шушунова для наушников, схема и описание здесь. В схеме применяется лампа 6Н23П, которая хорошо работает при низких анодных напряжениях, в данном случае - 24В, т.е. громоздких трансформаторов нет и высокие напряжения отсутствуют. Усилитель предполагается использовать с электрофоном Denon DP-29F. Виниловые пластинки в последнее время снова обретают популярность. Нас, пенсионеров, это обстоятельство радует и возвращает во времена былой молодости. Почему молодежь "тащится" от, например, диска "Любовь огромная страна" Веселых ребят, образца 1974 года, мне не совсем понятно...))) Но, тем не менее, приятно. Конструктив занял больше всего времени и сил, как это и бывает с ламповы
Оглавление

Всех с наступившим, уже совершенно новым, поблескивающим гранями подарков и елочными игрушками, 2024 годом!

К сожалению, злоба "щирых" не кончается, и нет ей конца и края..., и уже не о мире идет речь, но только о нашей Победе! Быть тому!

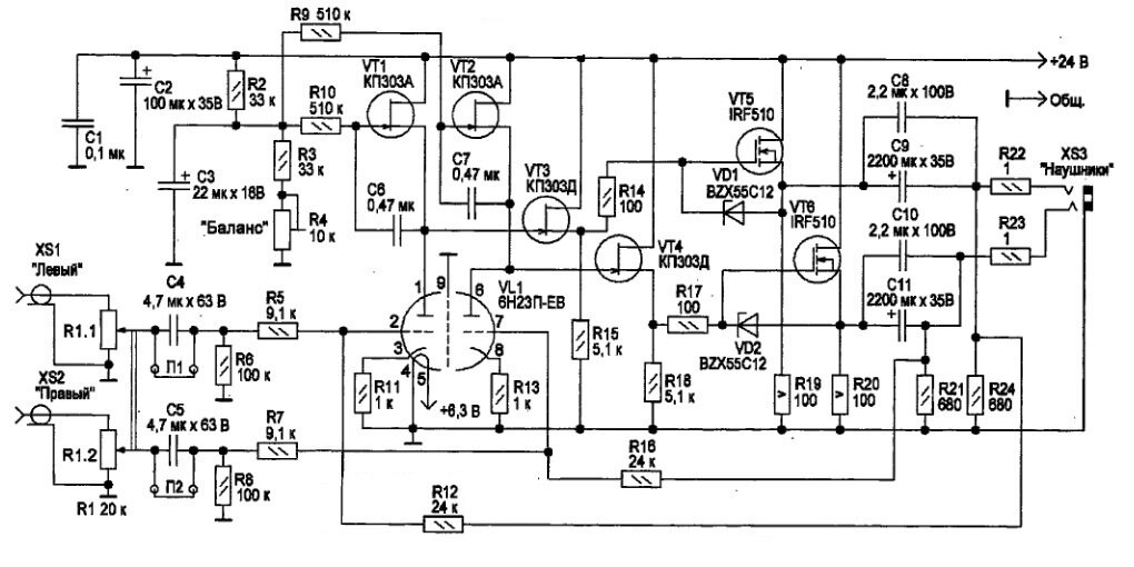
В качестве новогоднего подарка сыну решил собрать ламповый гибридный усилитель Шушунова для наушников, схема и описание здесь. В схеме применяется лампа 6Н23П, которая хорошо работает при низких анодных напряжениях, в данном случае - 24В, т.е. громоздких трансформаторов нет и высокие напряжения отсутствуют.

Схема
Схема

Усилитель предполагается использовать с электрофоном Denon DP-29F. Виниловые пластинки в последнее время снова обретают популярность. Нас, пенсионеров, это обстоятельство радует и возвращает во времена былой молодости. Почему молодежь "тащится" от, например, диска "Любовь огромная страна" Веселых ребят, образца 1974 года, мне не совсем понятно...))) Но, тем не менее, приятно.

Конструктив занял больше всего времени и сил, как это и бывает с ламповыми конструкциями. Металл в квартире многоэтажного дома не очень поддается обработке: в общедомовом чате получил пару шиков и просьб "прекратить сверление", потому как "надо на время смотреть", и "дети спят"... Покраска. Стоило пшикнуть пару раз на лоджии из баллончика и жена уверяет, что всю ночь не спала от "этого невыносимого запаха"))

Питание - купил обычный 24-х вольтовый 2-х амперный импульсный источник на Озоне за 350 руб, и там же преобразователь DC/DC для +6,3В накала триода 6Н23П.

24В 2А
24В 2А
DC/DC 24 -> 6,3В КПД 85%
DC/DC 24 -> 6,3В КПД 85%

Для усилителя развел в Спринт Лайоуте плату.

Кривовато получилось малость, но на первый раз сойдет! Изготавливал ЛУТ-ом.
Кривовато получилось малость, но на первый раз сойдет! Изготавливал ЛУТ-ом.

Внешний вид усилителя.

-5
Плату слегка перетравил. До этого работал с обычными советским фольгированным стеклотекстолитом, все было хорошо, а этот китайский, толщина меди - 18 мкм! Пришлось проводниками дублировать, увы!
Плату слегка перетравил. До этого работал с обычными советским фольгированным стеклотекстолитом, все было хорошо, а этот китайский, толщина меди - 18 мкм! Пришлось проводниками дублировать, увы!
-7
-8

Усилок работает прилично, низы, верха, оценить на 100% не позволяют имеющиеся наушники, впрочем, я не уверен в этом. Ламповость. Я уже и не помню что это такое. Наверняка она есть!)) Гармоники на анализаторе спектра не проверял (нет необходимой звуковой платы для компа). Подстроечным резистором выставил половину питания на истоках, вот и всё. Сколько не вслушивался, каких либо шумов от применяемых импульсных источников питания не услышал, - звук чистый и прозрачный.

Всем здоровья, благополучия, удачи, Победы!

С наступившим Новым годом и наступающим Рождеством!!!

73!