Найти в Дзене

Ремонт переключателя скорости обдува печки авто, серия 4

Как я уже писал ранее, сломался у меня переключатель скорости обдува печки. Мои попытки его ремонта в итоге оказались неудачные. Набралось целых 3 серии и один небольшой пост на эту тему. Статья писалась долго и получилась большой, но, надеюсь, захватывающей. Еще в этой статье будет затронута процедура изготовления печатных плат наиболее простым и дешевым способом, не требующим специального оборудования и химикатов. Регулировку скорости вращения двигателей постоянного тока (вентиляторы, в частности) рекомендуется выполнять с помощью применения Широтно-Импульсной Модуляции (ШИМ). ШИМ представляет собой процесс управления мощностью путем последовательного включения и выключения нагрузки. Самая распространенная схема цифрового таймера - NE555 (советский аналог КР1006ВИ1). На этой микросхеме что только не собирают. Даже есть целая серия печатных изданий применения данной из 3 (вроде бы) томов. На просторах Интернета была найдена наиболее простая схема ШИМ для двигателей постоянного тока.

Как я уже писал ранее, сломался у меня переключатель скорости обдува печки. Мои попытки его ремонта в итоге оказались неудачные. Набралось целых 3 серии и один небольшой пост на эту тему.

Статья писалась долго и получилась большой, но, надеюсь, захватывающей.

Еще в этой статье будет затронута процедура изготовления печатных плат наиболее простым и дешевым способом, не требующим специального оборудования и химикатов.

Регулировку скорости вращения двигателей постоянного тока (вентиляторы, в частности) рекомендуется выполнять с помощью применения Широтно-Импульсной Модуляции (ШИМ). ШИМ представляет собой процесс управления мощностью путем последовательного включения и выключения нагрузки.

Самая распространенная схема цифрового таймера - NE555 (советский аналог КР1006ВИ1). На этой микросхеме что только не собирают. Даже есть целая серия печатных изданий применения данной из 3 (вроде бы) томов.

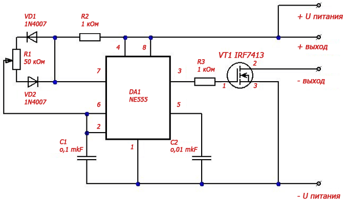
На просторах Интернета была найдена наиболее простая схема ШИМ для двигателей постоянного тока.

Данная схема "классическая" и ее можно найти в разных вариантах на множестве сайтов. В основе ее работы лежит принцип разделения цепей заряда и разряда конденсатора при помощи диодов, в связи с чем имеем разное время заряда и разряда для формирования корректного ШИМ сигнала. Когда-то я ее собирал для регулировки скорости вращения вентилятора вытяжки рабочего места, но сейчас немного не об этом.

Для регулировки вентилятора печки я тоже решил собрать данную схему. Об этом была мысль когда регулятор сломался в первый раз. Но сборка данной схемы все время откладывалась по причине удачного ремонта переключателя. Но после выхода 3 части ремонта прошло меньше суток и переключатель сломался окончательно. Об этом я ранее написал пост.

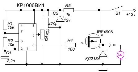
Предновогодняя суета и морозы внесли коррективы в сроки изготовления регулятора. За это время в Интернете была найдена еще одна, менее распространенная схема регулятора оборотов двигателя обогревателя.

-2

Данная схема максимально простая. В ее основе положен маленький лайфхак, если можно так сказать. Дело в том, что вывод 5 микросхемы подключен к инверсному выходу компаратора внутри микросхемы и предназначен для контроля напряжения. Сколько я видел разных схем применения данной микросхемы, практически всегда на данный вывод устанавливают конденсатор либо вообще оставляют без подключения. А в этой схеме на данный вывод подается часть напряжения питания, что смещает срабатывание компаратора в ту или иную сторону. В результате на выходе микросхемы имеем ШИМ сигнал, скважность которого регулируется переменным резистором.

Эта схема создана для автомобилей, где вентилятор отопителя подключен к "-", а переключатель регулирует "+". И, соответственно, используется P-канальный полевой транзистор. В моем же случае вентилятор напрямую подключен на "+" и через переключатель проходит "-", и такое включение не будет работать. Вернее, работать оно может и будет, но транзистор не выдержит такого обращения к себе. Я буду использовать N-канальный полевой транзистор и подключу его как показано на схеме в начале этой статьи.

За прошедшее со времени окончательной поломки я не терял время зря и собрал данную схему на макетной плате. Набор необходимых деталей видно на фото

-3

Паяем схему

Вид с одной стороны

-4

На другой стороне чуть интереснее

-5

Она показала определенный результат. На осциллографе наблюдается наличие сигнала. Но вращение ручки переменного резистора приводит к изменению не скважности сигнала, как было задумано, а его частоты. Что, в принципе, логично.

-6

Это не совсем то, что нам нужно. Ну, может быть сработает. Спускаюсь вниз, подключаю данную схему вместо штатного регулятора - не работает. Вернее, работает, но только двигатель печки вращается с одной постоянной скоростью при любом положении переменного резистора. И это не удивительно, т.к. скважность импульсов составляет 50% и не изменяется, а частота изменяется в незначительных (для нашего случая) пределах.

Тогда придется делать "более сложную" схему, которая выдает действительно ШИМ сигнал.

Кстати, одна из причин по которой я не особо торопился с заменой механического переключателя электронным является то, что обратного пути уже не будет, т.к. будет необходимо "убрать все лишнее" в переключателе. А некоторые части ремонта были удачными и проработали какое-то время. Да, вентилятор сейчас "живет своей жизнью" и работает как ему вздумается. Но ключевое слово "работает", т.к. за окном сейчас 25-30 градусов мороза, а сам ремонт переключателя может затянуться и мне придется ездить без обогрева салона. Мало того, без работы этой функции в связи с разностью температур начнут запотевать стекла и единственным выходом из этой ситуации будет открытие окон. Но езда с открытыми окнами (пусть и немного) в такой мороз может негативно сказаться на здоровье. В общем, ждем.

Сейчас впереди длительные выходные и можно будет себе позволить снять переключатель вечером, и спокойно его отремонтировать до следующей поездки. Но для этого желательно подготовить все необходимое.

Итак, выходные начались и можно начинать.

В очередной раз снимаем и разбираем переключатель. На этот раз мне необходимо определить размеры платы которую можно будет в него установить.

-7

Максимальный размер 20х15мм. Совсем немного, особо не размахнешься. Это если прямоугольная. А если использовать полукруглую полость то можно и там разместить еще детали при необходимости. На крайний случай можно и полукруглые перемычки убрать, но постараюсь обойтись без этого.

Схема ШИМ, которая приведена в начале статьи, неоднократно проверена лично мной. Поэтому сразу не будем использовать промежуточные средства разработки электронных схем в виде различных макетных плат, а рисуем схему в программе с использованием именно тех компонентов, которые будут применяться. Микросхема в корпусе SMD, резисторы и конденсатор - 0805, диоды - 1206.

-8

И переводим ее в печатную плату. Естественно, сначала это просто набор деталей, которые необходимо соединить между собой будущими печатными проводниками. Вот тут как раз и происходит магия. Схема ну никак не умещалась в размер 15х20 мм и пришлось задействовать ту самую полукруглую область. Получилось достаточно плотно даже при использовании маленьких деталей.

-9

Плата изготавливалась с помощью метода ЛУТ (лазерно-утюжная технология). Для этих целей у меня есть специальный старый утюг.

Переводим рисунок на фольгу и снимаем бумагу.

-10

Итак, после небольших усилий печатная плата готова, рисунок успешно переведен на медь и можно травить. Последнее время для травления плат использую "аптечно-пищевой" метод. Т.е. перекись водорода + лимонная кислота + поваренная соль. В процессе травления цвет раствора меняется с прозрачного на приятный сине-зеленый

-11

Немного ожидания и готовая печатная плата ждет запайки на нее всех элементов.

-12

Одна площадка микросхемы и часть дорожки плохо перевелись и смылись в процессе травления. Сейчас там пустота. Но это легко исправится после запайки деталей путем установки перемычек.

Остается только обрезать плату по размерам и приступать к запайке деталей.

Все элементы запаяны

-13

Выглядит страшно, но пойдет. Проверка схемы осциллографом показала полную работоспособность собранной схемы.

При положении на минимум заполнение 10%

-14

При среднем положении заполнение 50%

-15

При максимальном положении заполнение 100%

-16

В качестве подопытного, чтобы не бегать в машину, был взят компьютерный вентилятор. Обороты регулируются от 0 до максимальных. Надо было еще убедиться, что регулировка производится в "правильную" сторону. Если наоборот, то нужно перевернуть диоды, которые подключены к крайним выводам переменного резистора (D1 и D2). Но в моем случае этого делать не пришлось.

Наконец-то пришло время протестировать мою самоделку и я, с воодушевлением, подхожу к авто. Подключаю схему и...??? Обороты не регулируются, работает примерно на 70% мощности. В общем, в авто данная схема НЕ РАБОТАЕТ!!!! Думаю, что при подключении произошла чудовищная ошибка, но нет - все в порядке. Возвращаюсь домой, снова подключаю осциллограф, а затем и вентилятор - все в порядке. Это значит, что для авто она не подходит. Или подходит, но пока я не знаю как ее адаптировать.

Выводы

Отсутствие результата - это тоже результат и его необходимо учитывать в будущем.

На этом заканчиваю четвертую часть, но обязательно будет пятая - без этого никак не получится.