Добавить в корзинуПозвонить
Найти в Дзене
Старый радио любитель

Для начинающих. Делаем приемник на TDA1083 (174ХА10). Кварцевые фильтры.

Думал собрать кварцевый генератор, но возник вопрос о частотах. которые он должен генерировать в режиме USB и LSB. А это зависит от АЧХ кварцевого фильтра. Как ни странно, для меня сейчас сделать кварцевый фильтр стало очень простым делом. Да и раньше я их делал успешно. Ведь мой первый трансивер, с которым я вышел в эфир, был с самодельным дифференциальным кварцевым фильтром на 4-х кристаллах. И это, когда приходилось при наладке снимать АЧХ по точкам. А сейчас у меня есть чудесный NanoVNA, который позволяет в режиме реального времени видеть, как меняется АЧХ при, например, изменении нагрузки. Начал я с дифференциальных фильтров, потому, что расчет лестничных фильтров был довольно затруднителен и требовал знания значений собственной емкости и индуктивности кварцевого резонатора. Но появились новые возможности и я уже собрал десятка полтора разных лестничных фильтров. Для наладки я использую простую приставку к NanoVNA. Так ка входы/выходы у NanoVNA имеют сопротивление 50 Ом, то непоср

Думал собрать кварцевый генератор, но возник вопрос о частотах. которые он должен генерировать в режиме USB и LSB. А это зависит от АЧХ кварцевого фильтра.

Как ни странно, для меня сейчас сделать кварцевый фильтр стало очень простым делом. Да и раньше я их делал успешно. Ведь мой первый трансивер, с которым я вышел в эфир, был с самодельным дифференциальным кварцевым фильтром на 4-х кристаллах. И это, когда приходилось при наладке снимать АЧХ по точкам. А сейчас у меня есть чудесный NanoVNA, который позволяет в режиме реального времени видеть, как меняется АЧХ при, например, изменении нагрузки.

Начал я с дифференциальных фильтров, потому, что расчет лестничных фильтров был довольно затруднителен и требовал знания значений собственной емкости и индуктивности кварцевого резонатора. Но появились новые возможности и я уже собрал десятка полтора разных лестничных фильтров.

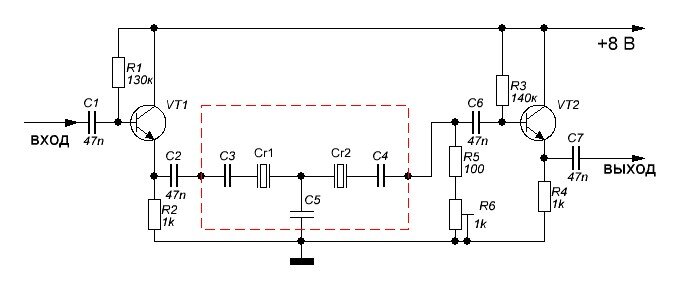
Для наладки я использую простую приставку к NanoVNA.

Рис. 1.
Рис. 1.

Так ка входы/выходы у NanoVNA имеют сопротивление 50 Ом, то непосредственное подключение ее к фильтру исказит его АЧХ до неузнаваемости. Поэтому для развязки я установил два эмиттерных повторителя, а чтобы иметь возможность регулировать АЧХ установил подстроечный резистор R6.

Для фильтра я взял самые дешевые кварцы в маленьких корпусах. Десяток таких у дядюшки Ху стоят чуть более 50 руб с бесплатной доставкой.

Рис. 2.
Рис. 2.

За 270 руб с доставкой можно купить 50 шт резонаторов на 8 МГц в больших корпусах.

Итак, приступим. Начнем с подчисточного фильтра на двух резонаторах.

Рис. 3.
Рис. 3.

Построен он в соответствии со схемой на рис. 1. Емкость конденсаторов С3 и С4 - 47 пФ, а вот с емкостью С5 поэкспериментируем. Тенденция здесь такая: с увеличением емкости С5 полоса пропускания сужается и потери увеличиваются. Для начала возьмем его равным 20 пФ.

Рис. 4.
Рис. 4.

АЧХ широковата. Возьмем С5 = 47 пФ.

Рис. 5.
Рис. 5.

А в этом случае, наоборот, узковата. Берем С5 = 33 пФ.

Рис. 6.
Рис. 6.

А вот такая АЧХ для подчисточного фильтра вполне подойдет. Конечно, можно еще поколдавать и немного расширив его верхушку. Но SSB и с такой полосой принимать можно, не говоря уже про СW. Стрелочками на АЧХ указаны примерные частоты кварцевого генератора: 7998,1 кГц для приема USB и 8002 кГц для приема LSB. Сопротивление нагрузки 1,1 кОм. Теперь перейдем к фильтру основной селекции на 4-х кварцах.

Вот его схема.

Рис. 7.
Рис. 7.
Рис. 8.
Рис. 8.

Как видите, все конденсаторы, кроме С5, имеют те же емкости, как и у фильтра на двух резонаторах, а емкость С5 должна быть примерно в два раза больше. чем у С3 и С4.

Рис. 9.
Рис. 9.

По уровню -40 дБ (ослабление в 100 раз) полоса около 5 кГц при сопротивлении нагрузки 850 Ом. Причем АЧХ получилась более симметричной, чем у двухкристального. И еще, частоты кварцевого генератора совпадает с частотами для подчисточного фильтра.

Резонаторы я не подбирал, просто вытаскивал из пакетика, как бочонки в лото :). Думаю, у вас все получится!

P.S. А если взять два кварца в больших корпусах?

Рис. 10.
Рис. 10.

При емкости С5 (рис. 1) равной 53 пФ получилось вот что.

Рис. 11.
Рис. 11.

В общем-то похоже на то, что было с маленькими кварцами, но АЧХ сдвинулась на 2 кГц в сторону более высоких частот.

Всем Успехов и здоровья!