Найти в Дзене
Сделай сам - своими руками

Как сделать надежный терморегулятор для бытовых нужд

У меня недавно появился инкубатор. Но в силу своей дешевизны, контроллер температуры в нём сломался. Поэтому я решил собрать несложный и надежный терморегулятор своими руками. Устройство предназначено для автоматического регулирования отопительного или охлаждающего оборудования в бытовых условиях. Поддерживает температуру на уровне, заданном пользователем. Схема и детали Регулировка температуры в пределе 20-90 градусов Цельсия. Детали с такими номиналами: Хочу отметить, что переменный резистор лучше использовать новый, так как у старого может быть стёрто покрытие и настройка терморегулятора будет происходить рывками. Изготовление терморегулятора своими руками Печатка была найдена в интернете, но изменена под мои нужды. В частности, я убрал реле с платы. Плату я изготавливал ЛУТом и травил раствором перекиси водорода. После, запаял все элементы. Так выглядит первоначальный вариант. В будущем он изменялся из-за некорректной работы схемы. Корпус изделия изготавливал из сломанного модема.
Оглавление

У меня недавно появился инкубатор. Но в силу своей дешевизны, контроллер температуры в нём сломался. Поэтому я решил собрать несложный и надежный терморегулятор своими руками.

Устройство предназначено для автоматического регулирования отопительного или охлаждающего оборудования в бытовых условиях. Поддерживает температуру на уровне, заданном пользователем.

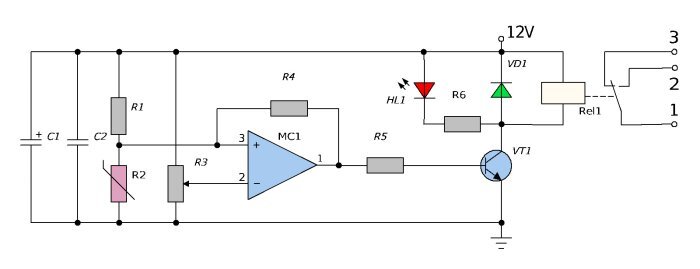
Схема и детали

Регулировка температуры в пределе 20-90 градусов Цельсия.

-2

Детали с такими номиналами:

Хочу отметить, что переменный резистор лучше использовать новый, так как у старого может быть стёрто покрытие и настройка терморегулятора будет происходить рывками.

Изготовление терморегулятора своими руками

Печатка была найдена в интернете, но изменена под мои нужды. В частности, я убрал реле с платы. Плату я изготавливал ЛУТом и травил раствором перекиси водорода.

-3

После, запаял все элементы. Так выглядит первоначальный вариант. В будущем он изменялся из-за некорректной работы схемы.

-4
-5

Корпус изделия изготавливал из сломанного модема.

-6
-7
-8

Для подвода питания использовал 5-контактный разъем DIN «штекер».

-9

Для быстрой замены датчика также использовал этот разъём (если он сломался или если нужен термистор на другое сопротивление).

-10

Для пущей красоты решил впервые попробовать сделать для передней панели «обложку». Она сделана из бумаги, покрытой скотчем. Рисунок разводился в программе для трассировки плат Sprint-Layout 6.0.

Шкала температуры будет дописываться от руки.

-11

Так выглядит устройство в финальной сборке. Для подключения управляемой нагрузки вывел провода и использовал разъёмы WAGO.

-12

Смотрите видео

Данная схема имеет достаточно высокую точность для бытовых нужд. Себестоимость терморегулятора составляет в районе 150 руб. на март 2022 года.

Автоматическая вытяжка своими руками
Как сделать устройство плавного пуска из доступных деталей и продлить жизнь электроприборам
3 приставки для расширения функционала мультиметра