Найти в Дзене
3D CAD модели & Чертежи

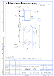
Чертеж пазового сухаря для патрона станка Doosan Puma

Пазовый сухарь применяется для крепления накладных кулачков к рейкам патрона  горизонтального многоцелевого токарного станка Doosan Puma. Сухарь вставляется в Т-образный паз токарного патрона станка, после чего в него вкручиваются винты прижимающие накладные кулачки к рейкам патрона. 3D модель и чертеж пазового сухаря для патрона станка Doosan Puma
Оглавление

Пазовый сухарь применяется для крепления накладных кулачков к рейкам патрона  горизонтального многоцелевого токарного станка Doosan Puma. Сухарь вставляется в Т-образный паз токарного патрона станка, после чего в него вкручиваются винты прижимающие накладные кулачки к рейкам патрона.

3D модель и чертеж пазового сухаря для патрона станка Doosan Puma

Чертеж пазового сухаря для патрона станка Doosan Puma
Чертеж пазового сухаря для патрона станка Doosan Puma
Чертеж пазового сухаря для патрона станка Doosan Puma