Добавить в корзинуПозвонить
Найти в Дзене
Radio-любитель

Параллельное включение стабилизаторов

Всех приветствую. Иногда возникают вопросы, как можно в стабилизаторе получить более высокий выходной ток? Многие, конечно, знают, что можно для увеличения мощности включить несколько в параллель. И еще могут возникнуть вопросы будут ли быть какие-либо проблемы при таком включении? Когда несколько регуляторов подключены параллельно для повышения выходного тока, во время нормальной работы определенное напряжение появится «на каждом регуляторе», что может быть величиной от 2 до 3 В или около этого. Так как стабилизаторы не обладают одинаковыми параметрами и будут немного отличатся напряжением входа-выхода от других. Опасность состоит в том, что регулятор с самым низким напряжением будет шунтировать или «забирать» на себя больший ток, который должен распределятся между всеми остальными. Далее делаем выводы, если он будет пропускать через себя больше тока, и будет греться, и его работа будет на пределе. Для этого рекомендуется использовать низкоомный резистор (его можно называть балластным

Всех приветствую. Иногда возникают вопросы, как можно в стабилизаторе получить более высокий выходной ток? Многие, конечно, знают, что можно для увеличения мощности включить несколько в параллель. И еще могут возникнуть вопросы будут ли быть какие-либо проблемы при таком включении?

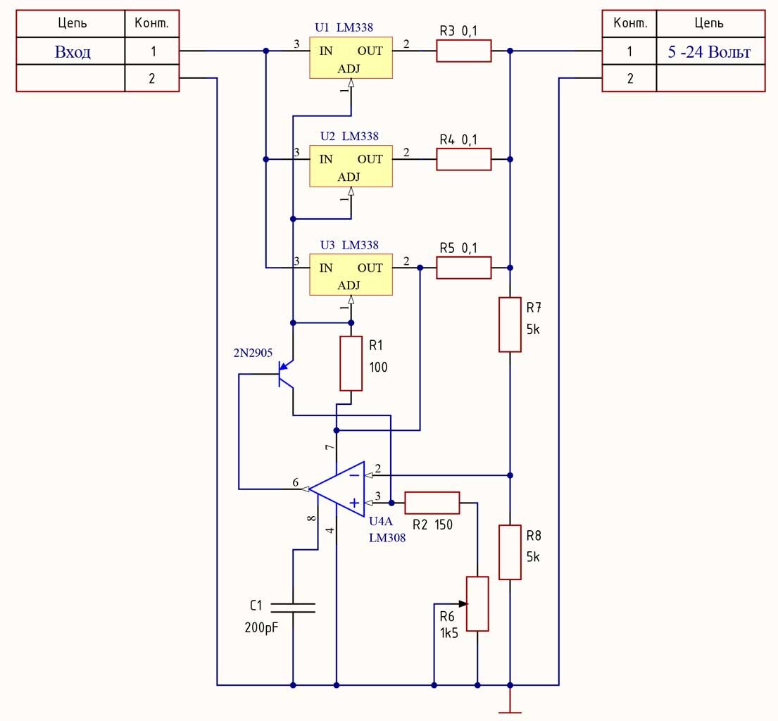
Принципиальная схема включения стабилизаторов
Принципиальная схема включения стабилизаторов

Когда несколько регуляторов подключены параллельно для повышения выходного тока, во время нормальной работы определенное напряжение появится «на каждом регуляторе», что может быть величиной от 2 до 3 В или около этого. Так как стабилизаторы не обладают одинаковыми параметрами и будут немного отличатся напряжением входа-выхода от других. Опасность состоит в том, что регулятор с самым низким напряжением будет шунтировать или «забирать» на себя больший ток, который должен распределятся между всеми остальными. Далее делаем выводы, если он будет пропускать через себя больше тока, и будет греться, и его работа будет на пределе.

Для этого рекомендуется использовать низкоомный резистор (его можно называть балластным резистором) включенный последовательно с каждым регулятором. Чтобы посмотреть, как это может выглядеть, на рисунке в тексте показана схема регулятора с увеличенным выходным током, использующая три стабилизатора LM338, включенных параллельно, с использованием последовательного резистора 0,1 Ом. Сопротивление резистора оно должно быть низкоомным и на соответствующую мощность. Возможно, можно применить и самодельный из подходящего материала или медной проволоки, в общем принято использовать номиналы резисторов от 0,1 до 0,2 Ом.

-2