Добавить в корзинуПозвонить
Найти в Дзене

Какие нужны проекты, чтобы построить дом?

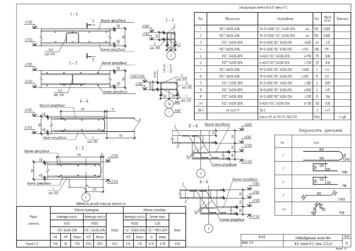
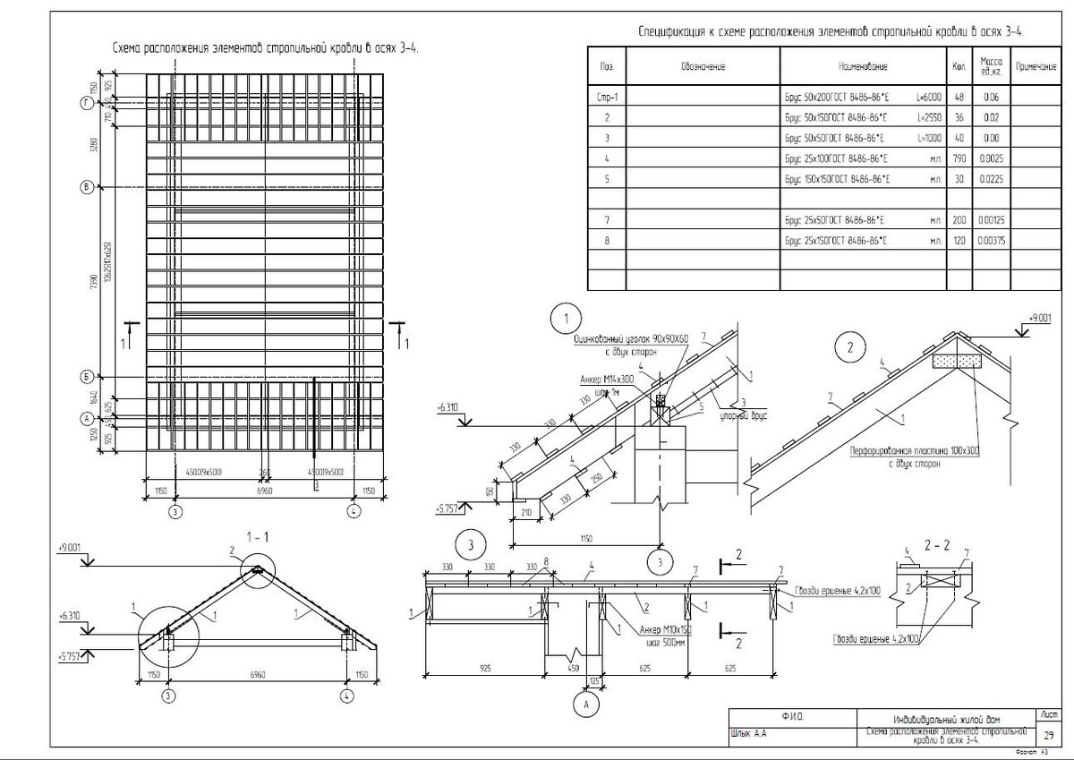
Заметила, что существует некоторое непонимание того, что это за разделы - Архитектурный проект и Конструктивный решения, для чего они и что в них. Давайте же расскажу! 🙋 Без ошибок и перерасхода материала строится дом для которого есть хорошие чертежи. Конструктор делает подробные чертежи всех элементов дома, рассчитывает необходимое количество арматуры, продумывает и делает узлы по всем стыкам и сложными местам чтобы при работе у строителей не оставалось вопроса о том, стоит ли заложить арматуру диаметром 8 или 12мм и "что мы тут должны сделать, это невозможно!". Альбом этих чертежей называется Конструктивные Решения (КР) и зачастую мало что скажет заказчику. По нему не понятно, какого размера будет комната, влезет ли и ванна, и душ и как будет выглядеть фасад. На них много очень нужной информации, но для специалистов. Конструктор выполняет свою работу на основании чего-то, у него должно быть точное понимание того, какой формы здание, где и какие проемы, какие материалы где использую
Проект дома Tajuta, архитектурная студия Laakso
Проект дома Tajuta, архитектурная студия Laakso

Заметила, что существует некоторое непонимание того, что это за разделы - Архитектурный проект и Конструктивный решения, для чего они и что в них. Давайте же расскажу! 🙋

Без ошибок и перерасхода материала строится дом для которого есть хорошие чертежи. Конструктор делает подробные чертежи всех элементов дома, рассчитывает необходимое количество арматуры, продумывает и делает узлы по всем стыкам и сложными местам чтобы при работе у строителей не оставалось вопроса о том, стоит ли заложить арматуру диаметром 8 или 12мм и "что мы тут должны сделать, это невозможно!". Альбом этих чертежей называется Конструктивные Решения (КР) и зачастую мало что скажет заказчику. По нему не понятно, какого размера будет комната, влезет ли и ванна, и душ и как будет выглядеть фасад. На них много очень нужной информации, но для специалистов. Конструктор выполняет свою работу на основании чего-то, у него должно быть точное понимание того, какой формы здание, где и какие проемы, какие материалы где используются и где необходимо заложить места прокладки коммуникаций.

🤓 Именно этим средним звеном и является архитектурный проект! Вы приходите к нам, не зная, как будет выглядеть ваш дом или что у него будет внутри. Часто есть картинки того, что вам нравится, количество спален и мечты о кухонном острове. Мы вместе с вами переделываем информацию о вас и вашей семье в... в объем, в здание, в ваше жилище! Делаем чертежи, в которых расставлена ваша будущая мебель, написано, на какой высоте подоконник у каждого окна и в какую сторону будет открываться дверь. Сколько у вас останется подкровельного пространства, удобна ли будет ваша лестница и будет ли вас утром будить солнце. Мы продумаем, где сделать выход на задний двор, как разделить общественную и жилую зоны и организуем места для хранения. Так получаются Эскизный Проект, а потом и Архитектурные решения.

Результат нашей работы, альбом Архитектурных Решений (АР), потом отдается конструктору, который создаст техническую документацию, в которой вам совсем не обязательно дотошно разобраться, но которую надо будет изучить прорабу для предоставления вам сметы на строительство.

Понятнее стало, что есть какой раздел и для чего он? Остались вопросы, уточнения? Например, кто продумывает конструктив здания, м? Вопрос с подвохом 😏

Подписывайтесь на канал чтобы не пропустить другие интересные статьи!

#laakso_студия #архитектор москва #архитектурный проект #конструктивные решения #проектирование дома