Добавить в корзинуПозвонить
Найти в Дзене
Yury Kharechko

Уточнение требований к системе IT переменного тока в стандарте МЭК 60364-1: проект, стадия CD2

МЭК 60364-1 Низковольтные электрические установки. Часть 1. Основополагающие принципы, оценка основных характеристик, определения. 28 августа 2020 г. завершился приём замечаний по документу 64/2451/CD (CD – проект комитета), который является вторым вариантом Проекта новой – шестой редакции стандарта МЭК 60364-1 «Низковольтные электрические установки. Часть 1. Основополагающие принципы, оценка основных характеристик, определения» (IEC 60364-1 «Low-voltage electrical installations - Part 1: Fundamental principles, assessment of general characteristics, definitions»). Перечень статей о первом варианте Проекта стандарта МЭК 60364-1 см. в статье Стандарт МЭК 60364-1: проект, стадия CD. На основе действующего стандарта МЭК 60364-1 разработан модифицированный ГОСТ 30331.1 (см. статьи О новом ГОСТ 30331.1–2013, О переиздании ГОСТ 30331.1–2013), который является более совершенным нормативным документом, чем международный стандарт. Проект стандарта МЭК 60364-1 содержит много ошибок и недостатко

МЭК 60364-1 Низковольтные электрические установки. Часть 1. Основополагающие принципы, оценка основных характеристик, определения.

28 августа 2020 г. завершился приём замечаний по документу 64/2451/CD (CD – проект комитета), который является вторым вариантом Проекта новой – шестой редакции стандарта МЭК 60364-1 «Низковольтные электрические установки. Часть 1. Основополагающие принципы, оценка основных характеристик, определения» (IEC 60364-1 «Low-voltage electrical installations - Part 1: Fundamental principles, assessment of general characteristics, definitions»). Перечень статей о первом варианте Проекта стандарта МЭК 60364-1 см. в статье Стандарт МЭК 60364-1: проект, стадия CD.

На основе действующего стандарта МЭК 60364-1 разработан модифицированный ГОСТ 30331.1 (см. статьи О новом ГОСТ 30331.1–2013, О переиздании ГОСТ 30331.1–2013), который является более совершенным нормативным документом, чем международный стандарт.

Проект стандарта МЭК 60364-1 содержит много ошибок и недостатков, которые следует устранить. Нами были подготовлены замечания по Проекту на 111 страницах, которые были отправлены в МЭК. Рассмотрим некоторые ошибки требований к системе IT, допущенные в п. 6.2.3.1.3 «Система IT» (IT system) Проекта, а также сформулированные нами предложения по их устранению. Эти требования были «уточнены» по сравнению с аналогичными требованиями в первом варианте Проекта.

1. В п. 6.2.3.1.3.1 Проекта изложены общие требования к системе IT:

«All live parts shall be insulated from the earthing arrangement or one live part shall be connected through a high impedance to the earthing arrangement, preferably near the source.

Where the exposed-conductive-parts of the electrical installation need to be connected to an earthing arrangement, this earthing arrangement shall be provided in the installation.

Single-phase equipment connected between a line and neutral conductor shall be insulated against the line-to-line voltage.

Figures 61G gives an examples of IT system arrangement».

Процитированные требования сформулированы некорректно. Кроме того, в электрических системах, сетях, электроустановках переменного тока применяют фазные проводники (phase conductor). Рисунок 61G неправильно пронумерован.

Рассматриваемые требования следует изложить так:

The IT system power source has all live parts isolated from earth or one live part connected to earth through a high impedance. The exposed-conductive-parts of the electrical installation are connected to earth electrodes. This earth electrodes shall be provided in the electrical installation (see Figure 6G1).

Single-phase equipment connected between a phase and neutral conductors shall be insulated against the line-to-line voltage.

Figure 6G1 gives example of IT system.

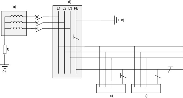
2. В п. 6.2.3.1.3.1 Проекта приведён рисунок 6G: «

-2

Key

a) Source

b) System earthing

c) Exposed-conductive-part

d) Distribution board

e) Protective earthing of exposed-conductive-parts in the installation

f) Impedance with a sufficiently high impedance through which the system may be connected to earth. This connection may be made at the neutral point, an artificial neutral point or a line conductor.

g) Earthing of the impedance at the source

Figure 6G – Example of an IT system with all exposed-conductive-parts interconnected by a protective conductor which is collectively earthed»

Рисунок выполнен с грубыми ошибками, поскольку не обозначены точками соединения проводников и проводящих частей.

В подрисуночных подписях допущены ошибки. Во-первых, заземление источника питания в перечислении b) некорректно названо заземлением системы. Во-вторых, главный распределительный щит в перечислении d) поименован распределительным щитом. В-третьих, не расшифрована распределительная линия.

В названии рисунка следует указать число фаз и токопроводящих проводников. Кроме того, в названии следует указать защитный заземляющий проводник.

Рисунок 6G, подрисуночные подписи и его название следует изменить так:

-3

Key

a) Power source

b) Earthing of the impedance at the power source

c) Exposed-conductive-part

d) Main distribution board

e) Protective earthing in the electrical installation

f) Impedance with a sufficiently high impedance through which the power source may be connected to earth. This connection may be made at the neutral, an artificial neutral point or a phase conductor

g) Distribution line

Figure 6G1 – Example of an IT system 3-phase, 3-wire with all exposed-conductive-parts interconnected by a protective earthing conductor

3. Пункт 6.2.3.1.3.2 Проекта назван «Система с более чем одним источником питания»:

«System with more than one source».

В п. 6.2.3 Проекта изложены общие требования к типам заземления системы TN-C, TN-C-S, TN-S, TT, IT. Поэтому в рассматриваемом названии следует корректно указать объект – систему распределения (distribution system), для которой установлены типы заземления системы:

Distribution system with more than one power source.

4. В п. 6.2.3.1.3.2 Проекта указано:

«In IT systems with more than one source, consideration shall be given to the disconnection of a source resulting in the disconnection of the high impedance earthing from the earthing arrangement».

Источник питания целесообразно обозначить иначе – power source.

Рассматриваемые требования следует изложить так:

In IT systems with more than one power source, consideration shall be given to the disconnection of a power source resulting in the disconnection of the high impedance earthing from the earthing arrangement.

Заключение. Если предложения по уточнению требований к системе IT переменного тока с одним источником питания будут учтены при подготовке нового стандарта МЭК 60364-1, он будет качественным нормативным документом. Его терминология и требования будут лучше согласованы с терминологией и требованиями стандартов комплекса МЭК 60364 «Низковольтные электрические установки».