Добавить в корзинуПозвонить
Найти в Дзене
Авто Вертолет

Самый «необычный» ручник на авто из СССР

Всем привет.
Наверное каждому автовладельцу известен такой термин, как «ручник». На самом деле это его народное название . Технически его правильно называть «стояночный тормоз»
У большинства из нас в голове сразу возникает образ рычага между передними сидениями. У тех кто водит большегрузы возникает образ рычага по меньше, и приятный длинный звук выходящего воздуха после взаимодействия с этим

Всем привет.

Наверное каждому автовладельцу известен такой термин, как «ручник». На самом деле это его народное название . Технически его правильно называть «стояночный тормоз»

У большинства из нас в голове сразу возникает образ рычага между передними сидениями. У тех кто водит большегрузы возникает образ рычага по меньше, и приятный длинный звук выходящего воздуха после взаимодействия с этим рычагом.

Ну а те ,кому посчастливилось ,ездить на новых автомобилях ,вообще не догадывается о существовании рычага, у них обычно "кнопочка" на панели приборов, которая активирует механизмы в задних тормозах

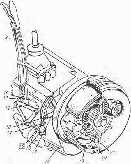
Ну а как дело обстояло раньше? примерно до 60-70 годов очень распространен был трансмиссионный ручной тормоз. Что он из себя представлял можно наглядно увидеть на чертеже снизу

зил 130
зил 130

На данном чертеже хорошо видно, что между коробкой передач и карданным валом был установлен тормозной барабан с тормозными колодками.

Но так как в ссср грузовики трудились а не простаивали, и с запасными частями всегда была проблема, то некоторые водители придумывали себе свои "ручники"

-2

Рассмотрим пример на данном автомобиле. Перед нами Краз 255л. Автомобиль - трудяга, который должен успеть за сезон вывезти как можно больше леса, а не простаивать на ремонте, тем более не каждый стояночный тормоз может удержать полностью груженый Краз.

-3

Педальный узел автомобиля Краз. А что за "железка" приделана у педали тормоза? Как многие уже поняли - это и есть ручной тормоз, а работает он вот как :

-4

:

Нажимается педаль, и фиксируется железной скобой! Все элементарное - ПРОСТО!

Если вам понравилось , то подписывайтесь на наш канал, и нажимайте палец вверх .Впереди много интересного! Не переключайтесь