Добавить в корзинуПозвонить
Найти в Дзене
Кот с паяльником

Восьмиканальный усилитель звука на одной микросхеме

Впервые столкнулся с возможностью такого варианта подключения очень давно. Совершенно случайно. Когда экспериментировал с какой-то автомагнитолой. Потом проверил на второй, третьей - способ работал и на них. Оказывается, множество четырёхканальных микросхем, широко используемых, например, как усилитель звука для автомагнитолы, можно подключить и в восьмиканальном режиме. Более того, такая

Впервые столкнулся с возможностью такого варианта подключения очень давно. Совершенно случайно. Когда экспериментировал с какой-то автомагнитолой. Потом проверил на второй, третьей - способ работал и на них. Оказывается, множество четырёхканальных микросхем, широко используемых, например, как усилитель звука для автомагнитолы, можно подключить и в восьмиканальном режиме. Более того, такая модернизация не потребует каких-то серьёзных переделок. И это становится понятно, если заглянуть в их даташит и рассмотреть внутреннюю схему.

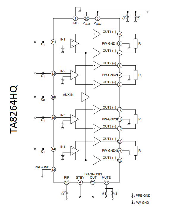
Для примера, рассмотрим микросхему TA8264HQ. Она представляет собой мощный четырёхканальный усилитель. Казалось бы, откуда в ней взяться восемь? Но давайте взглянем на её внутреннюю схему.

Структурная схема TA8264AHQ.
Структурная схема TA8264AHQ.

Видно, что каждый из четырёх каналов имеет мостовое включение для получения значительной выходной мощности от низкого напряжения бортовой сети автомобиля. Тем не менее, внутри микросхемы находится восемь усилителей, соединённых попарно к общему входу, и к каждому из которых можно отдельно подключать свои динамики. Для лучшего понимания, наглядно нарисую.

Доработка усилителя звука на TA8264HQ.
Доработка усилителя звука на TA8264HQ.

Получаем на выходе восемь независимых друг от друга динамиков, каждый из которых подключен к своему усилителю. Восьмиканальный усилитель звука на одной микросхеме, где каналы соединены попарно к четырём входам. Подключать динамики в этом случае следует через разделительные конденсаторы, поскольку в нормальном состоянии на каждом из восьми выводов с микросхемы должна находиться половина напряжения питания. И без разделительного конденсатора от попадания на него постоянного тока динамик может сгореть. Второй конец динамика подключаем на массу. Минусу питания или корпусу автомагнитолы, если экспериментируете именно с ней.

То есть, если из автомагнитолы "торчат" 8 выводов для подключения к ним четырёх динамиков и микросхема внутри действительно четырёхканальная*, то к каждому из восьми проводов через конденсатор можно подключить свой динамик. И будут играть все восемь.

* - встречаются китайские подделки со странной схемотехникой.

Разумеется, выходная мощность усилителя на каждом канале при таком включении будет ниже. Если в оригинальном мостовом включении (первая схема вверху) производители для этой микросхемы заявляют выходную мощность 4х24 Вт на нагрузке 4 Ома при питании 14,4 В и уровне искажений THD не более 10%, то на доработанном варианте это будет, ориентировочно, 8 выходов по 7-8 Вт каждый, на той же нагрузке.

Хотя, в теории, поскольку в мостовом включении микросхема расчитана на нагрузку 4 Ома, каждый отдельный усилитель внутри неё должен держать и 2 Ома на выходе. И выходная мощность в этом случае будет, опять же ориентировочно, 8х15 Вт. Но я бы так не рисковал делать и не экспериментировал с этим, если честно.

Во-первых, несмотря на то что микросхема нормально работает в таком включении на восемь динамиков, производителем оно не заявлено. Во-вторых, при использовании на всех восьми выходах нагрузки 2 Ома, нагрев микросхемы будет колоссальный. И потребуется громадный радиатор и активное охлаждение. Либо микросхема будет постоянно уходить в защиту, а то и вовсе сгорит.

Поэтому, если решили сделать из четырёхканальной микросхемы восьмиканальную, слишком-то не наглейте. 4 Ома и не ниже!

Вернёмся к началу. Я упомянул, что микросхем, годных для такой модернизации, множество. Все их схемы подключения, в стандартном и доработанном восьмиканальном варианте, приблизительно совпадают со схемами, размещёнными выше. Приведу некоторые из них:

  • HA13158A
  • LA4743B
  • TA8263BHQ
  • TA8273H
  • TB2904HQ
  • TB2926HQ
  • TDA7385
  • TDA7388
  • TDA7454
  • TDA7850
  • TDA8567Q
  • TDA8571J
  • TDA8594J.

И ещё множество подобных. TDA8594J, кстати, как раз должна выдержать нагрузку 2 Ома на каждом из восьми выходов. Уж очень мощная микросхема, которая и в мостовом подключении рассчитана на нагрузку 2 Ома.

Кто-то непременно возразит, что это не восемь каналов на одной микросхеме, а четыре на входе, каждый из которых внутри микросхем разделяется на два. По сути, так и есть. Однако у каждого динамика свой усилитель звука. И поэтому, применив простейшие фильтры на выходе, можно настроить желаемое звучание отдельно для каждого из восьми динамиков.