Найти в Дзене
ServerNews

SuperMicro представила новый узел MicroBlade для ЦОД высокой плотности

Компания SuperMicro анонсировала новый вычислительный узел серии MicroBlade — решение MBI-6219M-2N, выполненное на аппаратной платформе Intel. Устройство предназначено для построения серверов высокой плотности для центров обработки данных и всевозможных облачных инфраструктур.

Компания SuperMicro анонсировала новый вычислительный узел серии MicroBlade — решение MBI-6219M-2N, выполненное на аппаратной платформе Intel. Устройство предназначено для построения серверов высокой плотности для центров обработки данных и всевозможных облачных инфраструктур.

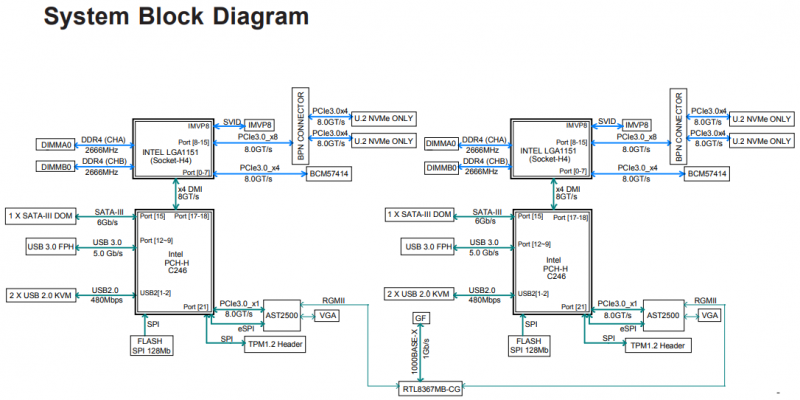
Новинка использует материнскую плату, которая фактически предоставляет два независимых узла. Каждый имеет один CPU Xeon E-2100 / E-2200 в исполнении Socket H4 (LGA 1151) с показателем TDP до 95 Вт и два слота для модулей оперативной памяти DDR4-2666 суммарным объёмом до 64 Гбайт.

В составе подсистемы хранения данных узла могут быть объединены два 2,5-дюймовых накопителя U.2 NVMe, а за сетевые подключения отвечают два порта 10GbE на базе контроллера BCM57414.

-2

Вычислительные узлы серии MicroBlade могут монтироваться в корпуса типоразмера 3U или 6U. В результате, можно строить серверы с очень высокой плотностью компоновки комплектующих. Более подробную информацию о платформе MicroBlade можно найти здесь.