Добавить в корзинуПозвонить
Найти в Дзене

Качество боров

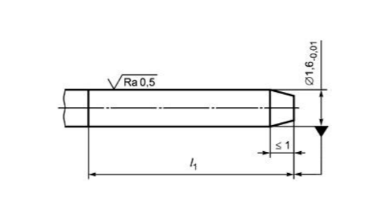
Сегодня мы рассмотрим с Вами важнейший вопрос, касающийся обеспечения работы турбинных наконечников без поломок, а именно – геометрия бора. При использовании бора с неподходящими размерами может возникать дисбаланс ротора, вызванный эксцентриситетом при вращении, что приводит к увеличению износа и выходу из строя роторной группы. Как Вы знаете, в документации Bien-Air указаны параметры, представленные на фото: Для обеспечения безопасной работы с пациентами и уверенности в надежном закреплении инструмента настоятельно рекомендуется использовать калибратор боров. Какие случаи в практике встречали Вы? Делитесь комментариями и лучшими практиками.

Сегодня мы рассмотрим с Вами важнейший вопрос, касающийся обеспечения работы турбинных наконечников без поломок, а именно – геометрия бора.

При использовании бора с неподходящими размерами может возникать дисбаланс ротора, вызванный эксцентриситетом при вращении, что приводит к увеличению износа и выходу из строя роторной группы.

Как Вы знаете, в документации Bien-Air указаны параметры, представленные на фото:

Где Type 3 – хвостовик бора типа 3
Где Type 3 – хвостовик бора типа 3
-2

Для обеспечения безопасной работы с пациентами и уверенности в надежном закреплении инструмента настоятельно рекомендуется использовать калибратор боров.

-3

Какие случаи в практике встречали Вы? Делитесь комментариями и лучшими практиками.