Добавить в корзинуПозвонить
Найти в Дзене
Виктор Кислицын

Помощь в обучении и консультации по гидравлике, термодинамике и теплотехническим расчётам

Пример 3в Начальное положение гидравлической системы дистанционного управления представлено на рис.1 (рабочая жидкость между поршнями не сжата). При перемещении ведущего поршня (его диаметр D) вправо жидкость постепенно сжимается, и давление в ней повышается. Когда манометрическое давление достигает величины pm, сила давления на ведомый поршень (его диаметр d) становится больше силы сопротивления F. С этого момента приходит в движение вправо и ведомый поршень. Диаметр соединительной части цилиндров δ, длина l. Определить диаметр ведущего поршня D, необходимый для того, чтобы ход L обоих поршней был один и тот же. Дано: Рабочая жидкость – масло индустриальное И-20; d = 24 мм; L = 32 мм; δ = 12 мм; l = 2,0 м; Рm = 12 МПа. Решение: Схема гидравлической системы дистанционного управления представлена на рис.1 Пример № 11г В перегородке, разделяющей резервуар на две части, имеется прямоугольное отверстие, которое закрывается поворотной крышкой высотой h, и шириной b. На каком рассто

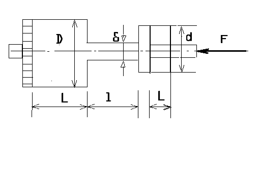
Пример 3в

Начальное положение гидравлической системы дистанционного управления представлено на рис.1 (рабочая жидкость между поршнями не сжата). При перемещении ведущего поршня (его диаметр D) вправо жидкость постепенно сжимается, и давление в ней повышается. Когда манометрическое давление достигает величины pm, сила давления на ведомый поршень (его диаметр d) становится больше силы сопротивления F. С этого момента приходит в движение вправо и ведомый поршень. Диаметр соединительной части цилиндров δ, длина l. Определить диаметр ведущего поршня D, необходимый для того, чтобы ход L обоих поршней был один и тот же.

Дано:

Рабочая жидкость – масло индустриальное И-20;

d = 24 мм;

L = 32 мм;

δ = 12 мм;

l = 2,0 м;

Рm = 12 МПа.

Решение:

Схема гидравлической системы дистанционного управления представлена на рис.1

Пример № 11г

В перегородке, разделяющей резервуар на две части, имеется прямоугольное отверстие, которое закрывается поворотной крышкой высотой h, и шириной b. На каком расстоянии х должна быть расположена ось поворота щита, чтобы, находясь под давлением жидкости Ж слева высотой Н1 и справа высотой Н2, щит был бы закрыт? Определить результирующую силу Ррез и точку её приложения (рис. 2).

Дано:

Жидкость Ж – ртуть;

b = 1,1 м;

h = 2,6 м;

Н1 = 4,8 м;

Н2 = 3,6 м.

Решение:

Схема резервуара показана на рис.2.

Товарищи (господа) студенты если у кого то возникли вопросы по решению или ответу на вопрос, пишите на почт: khb6804@mail.ru

Возможно есть готовые решения.