Добавить в корзинуПозвонить
Найти в Дзене
tipa kak

Полезные схемы

Полезные схемы На просторах интернета не нашёл более простой и универсальной схемы логического пробника, описанного в журнале "Радиоконструктор" 2012-03 стр.3,4
Достоинства:
1. Проста, до смешного
2. Не нужен собственный источник питания
3. Внешнее питание от 3 до 15 вольт
4. Работает как с ТТЛ, так и с КМОП логикой
5. "Засекает" и "иголки" и "бороду"

Полезные схемы

Логический пробник без питания
Логический пробник без питания

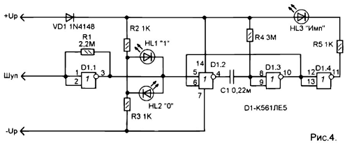
На просторах интернета не нашёл более простой и универсальной схемы логического пробника, описанного в журнале "Радиоконструктор" 2012-03 стр.3,4
Достоинства:
1. Проста, до смешного
2. Не нужен собственный источник питания
3. Внешнее питание от 3 до 15 вольт
4. Работает как с ТТЛ, так и с КМОП логикой
5. "Засекает" и "иголки" и "бороду"