Найти в Дзене
Yury Kharechko

Зануление следовало исключить из терминологии и требований ПУЭ в 1995 г.

Глава 1.7 «Заземление и защитные меры электробезопасности» ПУЭ 7-го изд. действует с 1 января 2003 г. В п. 1.7.31 ПУЭ указано:

«Защитное зануление в электроустановках напряжением до 1 кВ − преднамеренное соединение открытых проводящих частей с глухозаземленной нейтралью генератора или трансформатора в сетях трехфазного тока, с глухозаземленным выводом источника однофазного тока, с заземленной точкой источника в сетях постоянного тока, выполняемое в целях электробезопасности».

В процитированном определении допущены грубые ошибки.

Во-первых, в определении упомянуты однофазный ток и трёхфазный ток, которых не существует. Однофазным и трёхфазным могут быть электрические системы, сети, цепи и электрическое оборудование.

Во-вторых, в названии термина упомянуты электроустановки напряжением до 1 кВ, а в определении указаны сети постоянного тока. Низковольтные электрические системы, сети, цепи и электрическое оборудование постоянного тока могут иметь напряжение до 1500 В.

В-третьих, в определении указана точка источника в сетях постоянного тока. Однако у источников питания заземляют части, находящиеся под напряжением, а не точки.

Термин «зануление» не применяют в стандартах и документах Международной электротехнической комиссии, на основе которых разрабатывают национальные нормативные документы. На основе старых стандартов комплекса МЭК 60364 «Электрические установки зданий» было разработано и в 1995 г. введено в действие несколько национальных стандартов, входивших в состав комплекса ГОСТ Р 50571 «Электроустановки зданий».

В частности, был введён в действие ГОСТ Р 50571.2–94, в котором были изложены требования к типам заземления системы TN-S, TN-C-S, TN-C, TT и IT. Этот национальный стандарт был заменён ГОСТ Р 50571.1–2009. В настоящее время действует ГОСТ 30331.1–2013 (IEC 60364-1:2005) «Электроустановки низковольтные. Часть 1. Основные положения, оценка общих характеристик, термины и определения» (см. http://y-kharechko.livejournal.com/4077.html , http://y-kharechko.livejournal.com/7044.html ).

Устаревшие требования ГОСТ Р 50571.2–94 к системам TN-S, TN-C-S, TN-C, TT и IT были переписаны с ошибками в главу 1.7 ПУЭ см.:

Требования главы 1.7 ПУЭ к системам ТN-C, ТN-S, ТN-C-S, TT и IT безнадёжно устарели и содержат много ошибок. Часть 1;

Требования главы 1.7 ПУЭ к системам ТN-C, ТN-S, ТN-C-S, TT и IT безнадёжно устарели и содержат много ошибок. Часть 2.

В стандартах и документах МЭК, а также в подготовленных на их основе национальных стандартах используют термин «защитное заземление», которым обозначают соединение открытых проводящих частей с защитными проводниками, имеющими в системах TN-C, TN-S, TN-С-S электрический контакт с заземлёнными частями источников питания, находящимися под напряжением.

Указанное соединение упомянуто в определении термина «тип заземления системы» в п. 20.75 ГОСТ 30331.1:

«Комплексная характеристика системы распределения электроэнергии, устанавливающая наличие или отсутствие заземления частей источника питания, находящихся под напряжением, наличие заземления открытых проводящих частей электроустановки или электрооборудования, наличие и способ выполнения электрического соединения между заземленными частями источника питания, находящимися под напряжением, и указанными открытыми проводящими частями».

Способы выполнения этого соединения перечислены в п. 312.2 ГОСТ 30331.1 при расшифровке буквенных обозначений, используемых в обозначениях типов заземления системы. Здесь, в частности, сказано:

«Вторая буква указывает … на наличие электрического соединения между открытыми проводящими частями и заземленной частью источника питания, находящейся под напряжением: …

N – открытые проводящие части имеют непосредственное соединение с заземленной частью источника питания, находящейся под напряжением, выполненное с помощью PEN-, PEM-, PEL-проводников или защитных проводников (PE).

Следующие за N буквы определяют, как в системе распределения электроэнергии осуществляют электрическое соединение между заземленной частью источника питания, находящейся под напряжением, и открытыми проводящими частями электроустановки, а также устанавливают особенности устройства проводников, которые в системе распределения электроэнергии выполняют функции защитных проводников (PE) и нейтральных (N), средних (M) или заземлённых линейных проводников (LE):

C – во всей системе распределения электроэнергии указанное соединение обеспечивают с помощью PEN-, PEM- или PEL-проводников. Функции защитного проводника и нейтрального, среднего или заземленного линейного проводника обеспечивают во всей системе распределения электроэнергии общим проводником соответственно – PEN-, PEM- или PEL-проводником;

S – во всей системе распределения электроэнергии указанное соединение выполняют с помощью защитных проводников (PE). Функции защитного проводника и нейтрального, среднего или заземленного линейного проводника обеспечивают во всей системе распределения электроэнергии раздельными проводниками – защитным проводником и нейтральным, средним или заземленным линейным проводником;

C-S – в головной части системы распределения электроэнергии (от источника питания) указанное соединение осуществляют с помощью PEN-, PEM- или PEL-проводников, а в остальной части системы – с помощью защитных проводников (PE). В головной части системы распределения электроэнергии функции защитного проводника и нейтрального, среднего или заземлённого линейного проводника возлагают соответственно на PEN-, PEM- или PEL-проводник, а в остальной части системы применяют раздельные проводники – защитный проводник и нейтральный, средний или заземлённый линейный проводник».

Далее в ГОСТ 30331.1 читаем:

«312.2.1 Системы TN переменного тока

312.2.1.1 Системы с одним источником питания

Системы питания при типах заземления системы TN имеют одну часть источника питания, находящуюся под напряжением, непосредственно заземленную. Открытые проводящие части электроустановки присоединены к этой части, находящейся под напряжением, посредством защитных проводников. В зависимости от устройства нейтрального или заземленного фазного и защитного проводников различают три типа системы TN:

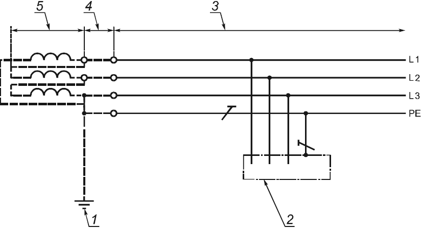
- система TN-S (система распределения электроэнергии, имеющая тип заземления системы TN-S), в которой во всей системе используют отдельный защитный проводник (см. рисунки 31А1, 31А2 и 31А3) …

1 – заземление источника питания; 2 – открытая проводящая часть; 3 – электроустановка; 4 – распределительная электрическая сеть (при ее наличии); 5 – источник питания

Примечание – В распределительной электрической сети и в электроустановке допускается дополнительное заземление защитного проводника (PE).

Рисунок 31А2 – Система TN-S трехфазная трехпроводная с разделенными заземленным фазным проводником и защитным проводником во всей системе».

На рисунке 31А2 наглядно показано соединение заземлённой части источника питания, находящейся под напряжением, с открытой проводящей частью низковольтной электроустановки с целью осуществления её защитного заземления. В системе TN-S такое соединение выполняют посредством защитных проводников.

Заключение. Термин «защитное зануление» следует исключить из ПУЭ. В главе 1.7 ПУЭ необходимо надлежащим образом определить типы заземления системы TN-C, TN-S, TN-С-S, посредством которых более точно идентифицируют присоединение открытых проводящих частей низковольтной электроустановки к заземлённой части источника питания, находящейся под напряжением см.:

Как следует изменить безнадёжно устаревшие требования главы 1.7 ПУЭ к системам ТN-C, ТN-S, ТN-C-S, TT и IT.

Из ПУЭ следует исключить все требования к электроустановкам зданий и им подобным низковольтным электроустановкам, оформив их в виде отдельного нормативного документа – комплекса ГОСТ 30331 (IEC 60364) «Электроустановки низковольтные».

См. также: Зануление следует исключить из терминологии и требований национальных и межгосударственных стандартов.

Разъяснения требований ГОСТ 30331.1 к системам TN-C, TN-C-S, TN-S, TT, IT см. в статьях:

Как правильно выполнить электроустановку здания с типом заземления системы TN-S;

Как правильно выполнить электроустановку здания с типом заземления системы TN-С-S;

Как правильно выполнить электроустановку здания с типом заземления системы TN-С;

Как правильно выполнить электроустановку здания с типом заземления системы TT;

Как правильно выполнить электроустановку здания с типом заземления системы IT;

Как выполнить системы TN-C, TN-C-S и TT при подключении к одной распределительной электрической сети;

Как в части электроустановки здания выполнить систему IT;

Как правильно реконструировать электроустановку старого многоквартирного жилого дома в систему TN-С-S.