Найти в Дзене
Записки крутилкина

Детекторный приемник

Ими когда-то слушали радио не дуиая о батарейках

Детекторные приемники - самый простой вариант радиоприемного устройства. С них в прошлом начинался прием вещательных радиостанций. По цене обходились значительно дешевле ламповых и не требовали электропитания.

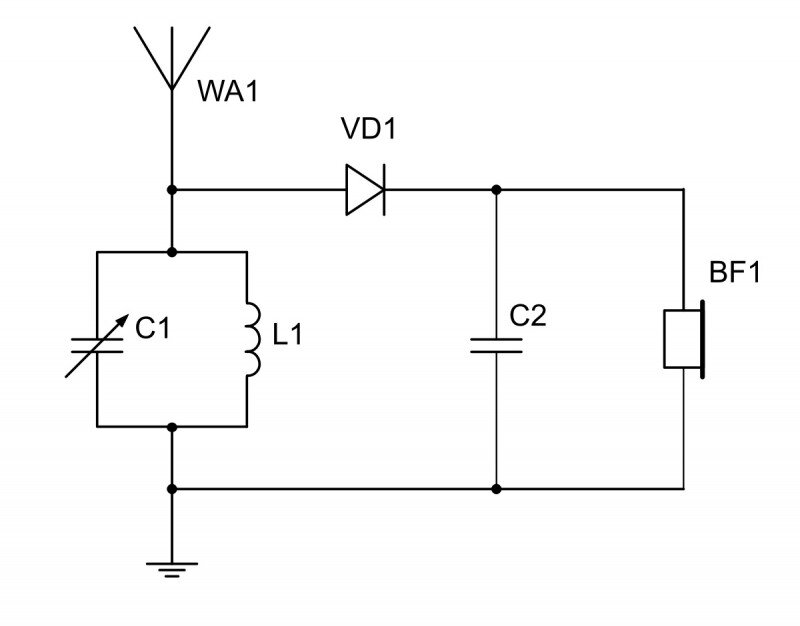
Состоит из колебательного контура, к которому подключена антенна в виде длинного провода и заземление, и диодного детектора, выполняющего. роль демодуляции АМ сигнала. Выделенный низкочастотный сигнал обычно воспроизводится высокоомным телефонным капсюлем.

 схема детекторного приемника
схема детекторного приемника

Так же существуют схемы подачи звукового сигнала на обычные современные наушники через трансформатор.

 схема подключения современных наушников
схема подключения современных наушников

Даже для приёма мощных радиостанций детекторный приёмник требует как длинной и высоко подвешенной антенны и хорошего заземления. Настройка на частоту радиостанции производится изменением ёмкости переменного конденсатора и индуктивности катушки. Для этого она может иметь несколько отводов. Избирательность детекторного приёмника относительно невысока и полностью зависит от добротности колебательного контура. Если подключить к выходу детекторного приемника любой внешний усилитель низкой частоты, получится приёмник прямого усиления.

Решил снова попробовать собрать такой приемник и попытаться что-то им словить. Для этого намотал катушку на куске канализационной пластиковой трубы. К ней подключил советский КПЕ, диод Д311, телефонный капсюль ТА-56М 1600 Ом и конденсатор 1000пФ.

 попытка собрать детекторный приемник
попытка собрать детекторный приемник

Ночью на него у далось поймать румынскую радиостанцию на провод 30 метров по деревьям.
Благодарю за внимание!