Добавить в корзинуПозвонить
Найти в Дзене
Меандр Радиолюбитель

Простой лабораторный блок питания.

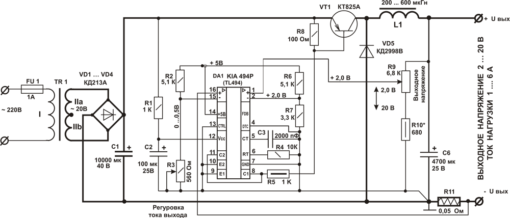
Всем добра. Встал вопрос о изготовлении источника питания для различных самоделок. Требования к устройству - регулировка напряжения и ограничение тока. За основу была взята довольно распространенная схема ШИМ стабилизатора на еще более распространенной и популярной микросхеме TL494.
Схема из сети интернет.
Плату нарисовал перманентным водостойким маркером.  Схема в моем исполнении отличается

Всем добра. Встал вопрос о изготовлении источника питания для различных самоделок. Требования к устройству - регулировка напряжения и ограничение тока. За основу была взята довольно распространенная схема ШИМ стабилизатора на еще более распространенной и популярной микросхеме TL494.

Схема из сети интернет.
Схема из сети интернет.

Плату нарисовал перманентным водостойким маркером.  Схема в моем исполнении отличается только применением мощного диода с барьером Шоттки вместо КД2ХХ.  Дроссель намотан на колечке М2000НМ внешним диаметром 30мм. 35 витков проводом 1мм.

-3

Трансформатор от бесперебойника, шасси из оргстекла, передняя панель из алюминия 1,5мм. На морде регулятор напряжения и тока, клеммы выходного напряжения, а так же LED ампервольтметр.

Шасси
Шасси

Напряжение данный источник держит до 3,5А стабильно с точностью до сотых вольта, свыше трех ампер напряжение начинает проседать по 0,1В на каждые пол ампера, для наладки всякого самодельного хлама очень даже не плохо!  Диапазон регулировки напряжения - от 1,4В до 21В.  Под нагрузкой 14В 1,5А радиатор силового транзистора и дроссель не нагревается вообще. Трансформатор как и ожидалось греется довольно ощутимо - радует то, что эти трансы рассчитаны на такой прогрев, класс-В допускает долговременную работу аж при 130 градусах!!!  Кстати, если кто то будет повторять - обратите особое внимание при работе с таким трансформатором, - ток короткого замыкания равен 130А!!! Замерял клещами.

 Спасибо за внимание.