Esmira Memmedova - Xeyallarimin İnsani 2020 / Official Klip
Операционные усилители zero-crossover от Texas Instruments
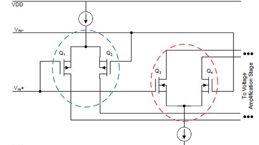
Компания Texas Instruments предлагает КМОП rail-to-rail операционные усилители с улучшенными параметрами, изготовленные по технологии zero-crossover. Традиционные КМОП операционные усилители с входом rail-to-rail используют две пары транзисторов с параллельным дифференциальным входом (рис...
OPA335AIDBVR ZERO-DRIFT AMPLIFIER 1 CIRCUIT RAIL-TO-RAIL SOT-23-5
ОписаниеOPA3335AIDBVR - это операционный усилитель с нулевым дрейфом от Texas Instruments. Это усилитель с одним источником питания и выходом на орбиту с низким энергопотреблением и низким смещением напряжения. Он предназначен для применения с низким напряжением и одним источником питания.Характеристики:Низкое энергопотребление: 1,2 мА / усилительНизкое смещение напряжения: 0,5 мВКолебание на выходе из орбитыОперации с одним источником питания: от 2,7V до 5.5VНизкий входной ток смещения: 1 pAДрейф...