Найти в Дзене
RADIO INFO

Конструкции зарубежных радиолюбителей. СВ АМ радиопередатчик малой мощности.

Добрый день дорогие друзья.

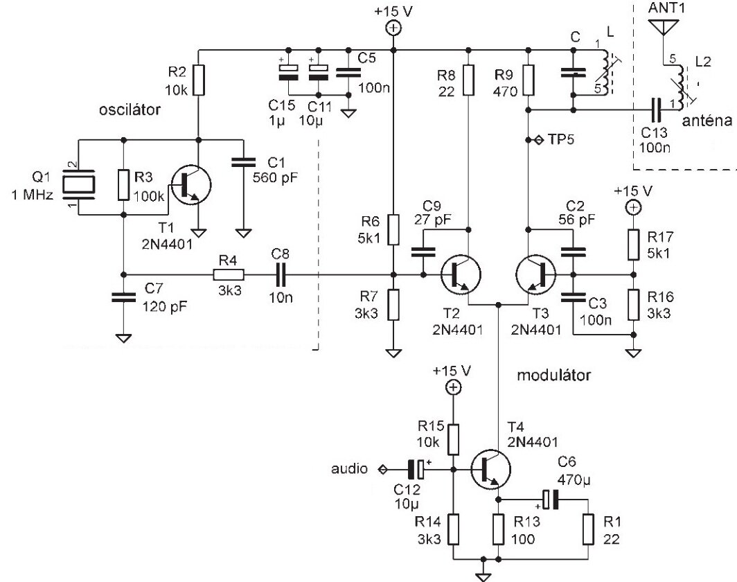
Я как всегда продолжаю просматривать зарубежные радиолюбительские сайты и журналы, и мне попалось описание СВ АМ передатчик небольшой мощности, передачи с которого можно принимать на стандартные СВ АМ радиоприемники. Передатчик работает на фиксированной частоте и имеет мощность которой достаточно, чтобы покрыть площадь квартиры или небольшого дома.

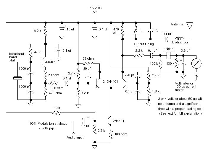
Подобные схемы я уже неоднократно видел в Интернете. Например вот эта

-2

Или эта

-3

И если кто из моих читателей возьмется за сборку этого передатчика, то приведенные дополнительно схемы, возможно ему в чем то помогут . Несмотря на то, что схема радиопередатчик выглядит немного сложно, передатчик прост в реализации и настройке. К аудио входу можно подключить кассетный, CD или MP-3 плеер. Частота генератора определяется кварцем Q1. Заменив его, его можно изменить частоту передатчика. Сигнал генератора подается с базы T1 через C8 на базу транзистора T2 модулятора дифференциального усилителя. Второй вход дифференциального усилителя - база Т3 - заземлен конденсатором для сигналов переменного тока С3. На коллекторе сигнал находится в противофазе с сигналом возбуждения от генератора, нагрузкой является колебательный резонансный контур. Переменное напряжение на нем добавляется к напряжению источника питания, поэтому переменное напряжение на коллекторе больше, чем на источнике питания. Конденсаторы С2 и С9 регулируют частотную характеристику усилителя. Ток от эмиттеров транзисторов T2 и T3 проходит через транзистор T4 и параллельную цепь резисторов R13 и R1. Постоянный ток дифференциального усилителя (16 мА) проходит только через R13 и падение напряжения на этом резисторе должно быть 1,6 В.

Большинство значений компонентов, обозначенных на схеме, не являются критическими, но некоторые необходимо подбирать для получения наилучшего результата. Транзисторы 2N4401 можно заменить на наиболее доступный тип из серии BC, например, BC548B или BC548C.

Резонансный контур на выходе настраивается на частоту кварца подбором емкости конденсатора С и индуктивности катушки L, оптимальные значения можно прочитать из графика.

-4

На рабочую частоту передатчика 1 МГц, по графику можно найти с примерными значениями С = 700 пФ и L = 35 мкГн. Расчетную емкость уменьшим на емкость С2, т.е. на 56 пФ между коллектором и базой оконечного транзистора. Конденсатор C2 последовательно с конденсаторами C3 и CS (параллельно C11 и C1S) является частью резонансного контура. Катушка L с индуктивностью 35 мкГн и конденсатором С = 680 пФ – образуют колебательный контур на частоте 1 МГц. Перестраиваемая катушка или конденсатор переменной емкостью позволяет настроить резонансный контур на максимальный показатель при отключенной антенне.

Для настройки можно использовать индикатор сигнала представляющий собой последовательный выпрямитель с быстродействующим диодом D1, подключенный к точке ТР5.

-5

К выводам ТР3 и ТР4 подключается вольтметр с большим входным сопротивлением, при правильной настройки контура на выходе индикатора должно быть напряжение 3-4 В. После подключения антенны, она настраивается катушкой L2. Кварц может быть любым с основной частотой от S26 кГц до 1,7 МГц с шагом 9 кГц. Передатчик лучше работает на более высокой частоте. Сигнал от генератора с межпиковым размахом 0,2 В, измеренным на С8, обеспечивает полное возбуждение дифференциального усилителя. Модулирующее напряжение модулируется номинальным током покоя 16 мА, и этот модулированный ток изменяет амплитуду чистого гармонического сигнала в резонансном контуре. Модулированный сигнал можно измерить осциллографом, подключенным к антенному разъему.

На этом у нас сегодня все.
Рекомендую также посмотреть
Каталог публикаций моего канала, где Вы найдете статьи по рассмотренной выше теме и множество других материалов, которые могут быть Вам интересны и полезны.

Ставьте лайки, комментируйте, подписывайтесь и заходите на мой канал, есть много интересной и нужной информации для радиолюбителей.