Найти в Дзене
Виктор Сочи

Повышающий преобразователь на MT3608, как ограничить ток, схема и доработка.

Внешний вид
Внешний вид

Характеристики:

1. Максимальный выходной ток: 2А.

2. Входное напряжение: 2 В ~ 24 В.

3. Максимальное выходное напряжение: 28 В.

4. Эффективность: До 93%.

Размер изделия: 36 мм * 17 мм * 14 мм.

Очень распространённая плата из-за её низкой цены и малых размеров, сегодня рассмотрим как можно ограничить максимальный выходной ток. Это может быть необходимо для питания светодиодов и светодиодных лент, а также при зарядке аккумуляторов на 9 вольт при питании от 5 и чтобы ограничить сильный нагрев платы.

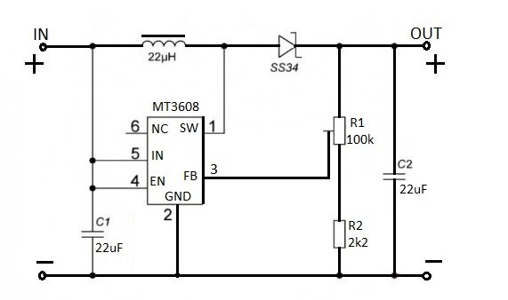
Вот сама схема

-2

Для доработки необходимо поставить всего одно сопротивление шунта, его размер зависит от максимального необходимого тока и для расчёта надо 0,6 разделить на нужный ток , полученный результат и есть сопротивление шунта, место установки на схеме внизу

-3

Принцип работы - При прохождении тока через шунт, напряжение на третьей ноге микросхемы будет расти, что приведёт к снижению скважности импульса, а следовательно и снижению выходного тока. Из недостатков такой доработки, это возможный переход работы схемы в релейный режим, один из способов решения - параллельно шунту ставить ёмкость около 1 мкф.

Ещё много видео про различные улучшения и дополнения этой платы, есть в этом альбоме 10 видео, приглашаю к просмотру

https://www.youtube.com/playlist?list=PLEjeill4kSLsuIxiFtQopRekVilxM_kuS

Ещё доработки и других преобразователей можно найти на моём ютуб канале «Виктор Сочи» -https://youtube.com/c/ВикторСочи Пожалуйста переходите, смотрите, пишите в комментариях пожелания, дополнения и замечания, подписывайтесь на будущие видео. Буду рад новым зрителям.

Спасибо за участие и просмотр.